231549P  Geschlossener Sicherungshalter, 6.3 x 32 mm, Fingergrip, IP68

Serie

231549P

Geschlossener Sicherungshalter, 6.3 x 32 mm, Fingergrip, IP68

Kostenlose Musteranfrage

Beschreibung

  • IP68 von Frontseite
  • Schraubverschlusskappe

Sicherungseinsatz

6.3 x 32 mm

Montage

Einbau in Platten, frontseitig

Befestigung

Schraubmutter

Klemme

Löt

Nennspannung

250 VAC 

Nennstrom

16 A 

Nennleistungsaufnahme IEC

3.6 W / 16 A @ Tu 23 °C

Schutzgrad

IP68

Zulässige Umgebungstemp.

-40 °C bis 125 °C

Klimakategorie

40/125/56 gemäss IEC 60068-1

Material: Sockel

Thermoplast, schwarz

Einzelgewicht

38 g

Lagerbedingungen

0 °C bis 60 °C, max. 70% r.F.

Stempelung

Schurter, Typ, Nennspannung, Nennstrom

Lötverfahren

Hand
Lötprofil

Kontaktwiderstand

< mΩ bei 100 mA

Vibrationsbeständigkeit

gemäss NF C 20-706 / IEC 60068-2-6, Test Fc

Schockbeständigkeit

gemäss NF C 20-706 / IEC 60068-2-27

Dauerschockbeständigkeit

gemäss NF C 20-729 / IEC 60068-2-29

Salzsprühnebelbeständigkeit

gemäss NF C 20-711 / IEC 60068-2-11

Feucht- Wärmebeständigkeit

gemäss NF C 20-604

Klimaverbund

gemäss NF C 20-619 Phasen D

Andrehmoment der Mutter

max 1.2 Nm

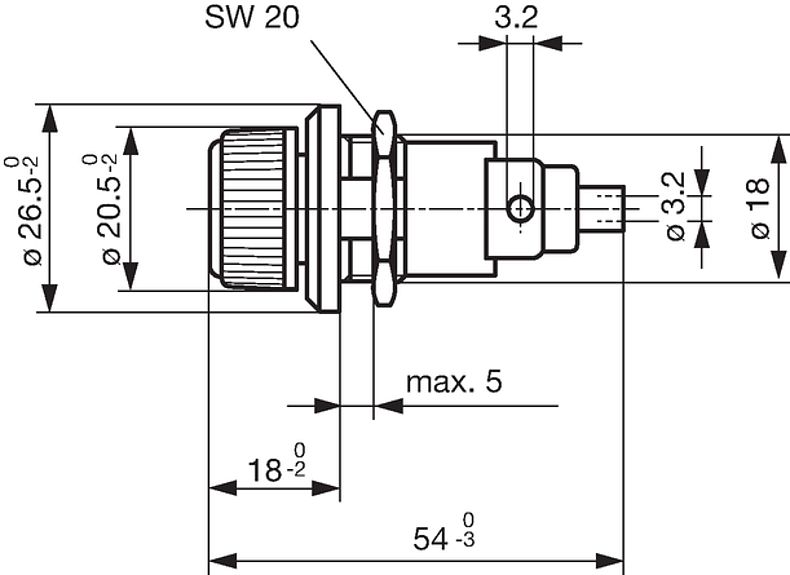
Plattendicke

max 5 mm

Detaillierte Informationen zu Zulassungen, Normanforderungen, Verwendungshinweisen und Prüfdetails finden Sie in  Details über Zulassungen
SCHURTER Produkte sind grundsätzlich für den Einsatz im industriellen Umfeld ausgelegt. Sie verfügen über Zulassungen unabhängiger Prüfstellen gemäss nationaler und internationaler Normen.
Produkte mit spezifischen Eigenschaften und Anforderungen wie sie etwa im Bereich Automotive nach IATF 16949, der Medizintechnik gemäss ISO 13485 oder in der Luft- und Raumfahrt gefordert werden, können ausschliesslich mit kundenspezifischen, individuellen Vereinbarungen durch SCHURTER angeboten werden.


Zulassungen

Durch das Zulassungszeichen bescheinigen die Prüftstellen die Einhaltung der sicherheitstechnischen Anforderungen, die an elektronische Produkte gestellt werden.


Zulassung Referenztyp: 231549P

Zulassungslogo Zertifikat Zulassungsstelle Beschreibung


Anwendungsnormen

Anwendungsnormen, in welchen die Produkte entsprechend verwendet werden können

Organisation Design Norm Beschreibung
Prüfzeichen IEC_Certification_Body Geeignet für Anwendungen gemäss IEC/UL 62368-1 Einrichtungen für Audio/Video-, Informations- und Kommunikationstechnik - Teil 1: Sicherheitsanforderungen


Konformitäten

Das Produkt ist konform mit folgenden Richtlinien

Identifikation Details Aussteller Beschreibung
Prüfzeichen CE SCHURTER AG Die CE-Kennzeichnung erklärt, dass das Produkt gemäss der EU-Vordnung 765/2008 den geltenden Anforderungen genügt, die in den Harmonisierungsrechtsvorschriften der Gemeinschaft über ihre Anbringung festgelegt sind.
Prüfzeichen Zulassung_Symbol_UKCA SCHURTER AG Die UKCA-Kennzeichnung erklärt, dass das Produkt gemäss dem Britischen Amendment zur Verordnung (EC) 765/2008 den geltenden Anforderungen genügt.
Umwelt_Sicherheit RoHS_Logo_color_CMYK_tif SCHURTER AG Richtlinie RoHS 2011/65/EU, Ergänzung (EU) 2015/863
Umwelt_Sicherheit China_RoHS_50_non_konform_eps SCHURTER AG Das Gesetz SJ/T 11363-2006 (China RoHS) ist seit dem 1. März 2007 in Kraft. Ähnlich wie bei der EU-Richtlinie RoHS.
Umwelt_Sicherheit REACH SCHURTER AG Am 1. Juni 2007 trat die Verordnung (EG) Nr. 1907/2006 zur Registrierung, Bewertung, Zulassung und Beschränkung chemischer Stoffe 1 (kurz: "REACH") in Kraft.

Dimension [mm]

Durchbrüche in Montageplatte

Kurze Variantentabelle 231549P Öffne vollständige Tabelle 231549P

Halter Kappe Schutzgrad Bestell-Nummer Symbole, PCB-Layout, 3D-Modelle Kostenloses Muster

Kostenloses Muster


Gerne stellen wir Muster für Anwendungsprüfung unkompliziert zur Verfügung.
Senden Sie uns dazu Ihre Lieferadresse mit der spezifischen Anfrage zu.

Bestandsabfrage Distributor

Bestandsabfrage Distributor


Der nachfolgende Link verweist auf die Abfrage zum aktuellen Lagebestand bei den verschiedenen Distributoren für die referenzierte Bestellnummer. Damit können Sie die verfügbare Menge prüfen und gegebenfalls gleich eine Bestellung tätigen.
Die Lagerverfügbarkeit bei den Distributoren können Sie auch separat aufrufen und das gewünschte Produkt manuell eingeben.
Lagerbestand Distributor

...
 
Fingergrip IP68 7093.0110 ...

Verpackungseinheit Kartonschachtel (10 St.)

010020040000000568
LOADING...

01.09.2025
   
de prod Durch die Änderung der Katalogversion (Desktop&lt;&gt; Mobile), werden die gewählten Filter im Katalog zurückgesetzt