2570  2570-1110
2570-1110
2570  2570-2210
2570-2210
2570  2570-1210
2570-1210
2570  2570-1310
2570-1310
2570  2570-1110
2570  2570-2210
2570  2570-1210
2570  2570-1310

Serie

2570

IEC Gerätestecker C8, Löt-, PCB- oder Steckanschluss

Kostenlose Musteranfrage

4 Varianten


Gerätestecker (Stecker/Dosen)

C8
Stecker Logo
70° C

Beschreibung

  • Einbau in Platten: Sandwich oder Schnappbefestigung Frontseite
  • Gerätestecker, Stifttemperatur 70 °C, Schutzklasse II
  • Löt- / Steck- / Leiterplattenanschluss

Alleinstellungsmerkmale

  • Komplette Zulassungen
  • Preisgünstiges Produkt

Nenndaten IEC

Nenndaten IEC


Die elektrischen Nenndaten beschreiben die zugelassenen Betriebswerte für den Betriebszustand für Nennstrom und Nennspannung unter genannten Umgebungsbedingungen.
Allgemeine Angaben zu elektrischen Kennwerten von Sicherungen
Nenndaten IEC, UL/CSA Allgemeine Angaben zum Nennstom und zur Nennspannung bei EMV-Produkten
Nennspannung Nennstrom Die Werte sind unterschiedlich je nach Zulassungsstelle und sind daher in den entsprechend Zulassungsausweisen für die jeweiligen Produktfamilien entsprechend referenziert. Angaben dazu werden in den Datenblättern aufgeführt.
Suche nach Approbationsangaben für unterschiedlichen Familien
Zulassungen

2.5 A / 250 VAC; 50 Hz

Nenndaten UL/CSA

Nenndaten UL


Die elektrischen Nenndaten beschreiben die zugelassenen Betriebswerte für den Betriebszustand für Nennstrom und Nennspannung unter genannten Umgebungsbedingungen.
Allgemeine Angaben zu elektrischen Kennwerten von Sicherungen
Nenndaten IEC, UL/CSA Allgemeine Angaben zum Nennstom und zur Nennspannung bei EMV-Produkten
Nennspannung Nennstrom Die Werte sind unterschiedlich je nach Zulassungsstelle und sind daher in den entsprechend Zulassungsausweisen für die jeweiligen Produktfamilien entsprechend referenziert. Angaben dazu werden in den Datenblättern aufgeführt.
Suche nach Approbationsangaben für unterschiedlichen Familien
Zulassungen

2.5 A / 250 VAC; 60 Hz

7 A / 125 VAC; 60 Hz 

Spannungsfestigkeit

Spannungsfestigkeit


Angabe zur höchstens zulässigen Spannung, damit es nicht aufgrund einer Isolationsschädigung zu einem Spannungsdurchschlag kommt.
Spannungsfestigkeit

> 2.5 kVAC zwischen L-N
(1 min/50 Hz)

Zulässige Betriebstemperatur

-25 °C bis 70 °C

IP-Schutzgrad

IP-Schutzgrad


Der IP Code besteht aus einer zweistelligen Ziffernkombination, die den jeweiligen Schutzgrad angibt.
Dabei spezifiziert die erste Ziffer die Schutzklasse für Berührungs- und Fremdkörperschutz, die zweite Ziffer den Wasser- und Feuchtigkeitsschutz. Details zum IP-Schutzgrad entnehmen Sie bitte aus den Allgemeinen Produktinformationen
IP-Schutzgrad

Frontseite IP20 gemäss IEC 60529

Berührungsschutz

IP-Schutzgrad


Der IP Code besteht aus einer zweistelligen Ziffernkombination, die den jeweiligen Schutzgrad angibt.
Dabei spezifiziert die erste Ziffer die Schutzklasse für Berührungs- und Fremdkörperschutz, die zweite Ziffer den Wasser- und Feuchtigkeitsschutz. Details zum IP-Schutzgrad entnehmen Sie bitte aus den Allgemeinen Produktinformationen
IP-Schutzgrad

Geeignet für Geräte der Schutzklasse II gemäss IEC 61140

Plattendicke S

Plattendicke S


Details siehe Zeichnung
Schnapper

Schnapp: Von 0.6 mm bis 2.0 mm
Sandwich: 1.5 mm

Material: Gehäuse

PA6, schwarz, UL 94V-0

Gerätestecker/-Dose

Gerätestecker/-Dose


Typ-Bezeichnung der Gerätestecker bzw. -anschlussdose nach IEC 60320-1, resp. IEC60320-2-2, UL498, CSA C22.2 no.42
Details zu Steckverbindungen und deren Bezeichnungen finden Sie in den Allgemeinen Produktinformationen
Gerätesteckvorrichtungen Mating Connectors Begriffserklärung Sondersteckvorrichtung

C8 gemäss IEC 60320-1,
UL 60320-1, CSA C22.2 no. 60320-1 (Für kalte Bedingungen) Stifttemperatur 70 °C, 2.5 A, Schutzklasse II

Detaillierte Informationen zu Zulassungen, Normanforderungen, Verwendungshinweisen und Prüfdetails finden Sie in  Details über Zulassungen
SCHURTER Produkte sind grundsätzlich für den Einsatz im industriellen Umfeld ausgelegt. Sie verfügen über Zulassungen unabhängiger Prüfstellen gemäss nationaler und internationaler Normen.
Produkte mit spezifischen Eigenschaften und Anforderungen wie sie etwa im Bereich Automotive nach IATF 16949, der Medizintechnik gemäss ISO 13485 oder in der Luft- und Raumfahrt gefordert werden, können ausschliesslich mit kundenspezifischen, individuellen Vereinbarungen durch SCHURTER angeboten werden.


Zulassungen

Durch das Zulassungszeichen bescheinigen die Prüftstellen die Einhaltung der sicherheitstechnischen Anforderungen, die an elektronische Produkte gestellt werden.


Zulassung Referenztyp: 2570

Zulassungslogo Zertifikat Zulassungsstelle Beschreibung
Prüfzeichen VDE VDE VDE Ausweisnummer: 40044595
Prüfzeichen cURus UL UR Ausweisnummer: E96454
Prüfzeichen ccc CCC CCC Ausweisnummer: 2016180204001695


Produktnormen

Produktnormen, welche referenziert werden

Organisation Design Norm Beschreibung
Prüfzeichen IEC_Certification_Body Ausgelegt gemäss IEC 60320-1 Gerätekupplungen für Haushalt und ähnliche allgemeine Zwecke
Prüfzeichen UL Ausgelegt gemäss UL 60320-1 Norm für Befestigungsstecker und Steckdosen
Prüfzeichen CSA_Certification_Body Ausgelegt gemäss CSA C22.2 no. 60320-1 Allgemeine Anwendung, Befestigungsstecker und ähnliche Verdrahtungsanschlüsse


Anwendungsnormen

Anwendungsnormen, in welchen die Produkte entsprechend verwendet werden können

Organisation Design Norm Beschreibung
Prüfzeichen IEC_Certification_Body Geeignet für Anwendungen gemäss IEC/UL 62368-1 Einrichtungen für Audio/Video-, Informations- und Kommunikationstechnik - Teil 1: Sicherheitsanforderungen


Konformitäten

Das Produkt ist konform mit folgenden Richtlinien

Identifikation Details Aussteller Beschreibung
Prüfzeichen CE SCHURTER AG Die CE-Kennzeichnung erklärt, dass das Produkt gemäss der EU-Vordnung 765/2008 den geltenden Anforderungen genügt, die in den Harmonisierungsrechtsvorschriften der Gemeinschaft über ihre Anbringung festgelegt sind.
Prüfzeichen Zulassung_Symbol_UKCA SCHURTER AG Die UKCA-Kennzeichnung erklärt, dass das Produkt gemäss dem Britischen Amendment zur Verordnung (EC) 765/2008 den geltenden Anforderungen genügt.
Umwelt_Sicherheit RoHS_Logo_color_CMYK_tif SCHURTER AG Richtlinie RoHS 2011/65/EU, Ergänzung (EU) 2015/863
Umwelt_Sicherheit China_RoHS_50_non_konform_eps SCHURTER AG Das Gesetz SJ/T 11363-2006 (China RoHS) ist seit dem 1. März 2007 in Kraft. Ähnlich wie bei der EU-Richtlinie RoHS.
Umwelt_Sicherheit Halogenfree SCHURTER AG SCHURTER ist bestrebt, den Kunden halogenfreie Produkte anzubieten.
Umwelt_Sicherheit REACH SCHURTER AG Am 1. Juni 2007 trat die Verordnung (EG) Nr. 1907/2006 zur Registrierung, Bewertung, Zulassung und Beschränkung chemischer Stoffe 1 (kurz: "REACH") in Kraft.

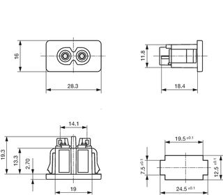
Abmessungen [mm]

2570-1310
Schnappmontage mit Steckanschluss
2570-1110
Schnappmontage mit Lötanschluss
2570-1210
Schnappmontage mit Leiterplattenanschluss
2570-2210
Sandwichmontage mit Leiterplattenanschluss

Kurze Variantentabelle 2570 Öffne vollständige Tabelle 2570

Typ Plattenmontage Plattendicke s [mm] Bestell-Nummer
Symbole, PCB-Layout, 3D-Modelle Kostenloses Muster

Kostenloses Muster


Gerne stellen wir Muster für Anwendungsprüfung unkompliziert zur Verfügung.
Senden Sie uns dazu Ihre Lieferadresse mit der spezifischen Anfrage zu.

Bestandsabfrage Distributor

Bestandsabfrage Distributor


Der nachfolgende Link verweist auf die Abfrage zum aktuellen Lagebestand bei den verschiedenen Distributoren für die referenzierte Bestellnummer. Damit können Sie die verfügbare Menge prüfen und gegebenfalls gleich eine Bestellung tätigen.
Die Lagerverfügbarkeit bei den Distributoren können Sie auch separat aufrufen und das gewünschte Produkt manuell eingeben.
Lagerbestand Distributor

...
 
2570-1110 Schnapp 0.6 - 2.0 4300.0102 ...
2570-1210 Schnapp 0.6 - 2.0 4300.0103 ...
2570-1310 Schnapp 0.6 - 2.0 4300.0105 ...
2570-2210 Sandwich 1.5 4300.0104 ...

Verpackungseinheit 100 ST 

020070010000002532
LOADING...
Passende Stecker/Dosen (4)

[Swipe to the left and right for more options]

6013.0474

Kabelverbindung/2.5, IEC Gerätestecker, Schwarz, 2.0 m, H03VVH2-F 2x0,75mm2, Gerätesteckdose IEC C7, H05VVH2-F 2x0.75 mm2 2m BLK, schwarz

6013.0478

Kabelverbindung/2.5, IEC Gerätestecker, Schwarz, 4.0 m, H03VVH2-F 2x0,75mm2, Gerätesteckdose IEC C7, H05VVH2-F2G0.75, schwarz

6010.5274

Kabelverbindung/2.5, Nordamerika, Schwarz, 2.0 m, SVT 2x18AWG, Gerätesteckdose IEC C7, NISPT-2, schwarz

6010.5278

Kabelverbindung/2.5, Nordamerika, Schwarz, 4.0 m, SVT 2x18AWG, Gerätesteckdose IEC C7, NISPT-2, schwarz


01.10.2025
   
de prod Durch die Änderung der Katalogversion (Desktop<> Mobile), werden die gewählten Filter im Katalog zurückgesetzt