4750  Gerätesteckdosenleiste für Schnappmontage mit bis zu 7 IEC Geräteeinbausteckdosen F
4750  Gerätesteckdosenleiste für Schnappmontage mit bis zu 7 IEC Geräteeinbausteckdosen F
4750  Gerätesteckdosenleiste für Schnappmontage mit bis zu 7 IEC Geräteeinbausteckdosen F
4750  Gerätesteckdosenleiste für Schnappmontage mit bis zu 7 IEC Geräteeinbausteckdosen F
4750  Gerätesteckdosenleiste für Schnappmontage mit bis zu 7 IEC Geräteeinbausteckdosen F
4750  Gerätesteckdosenleiste für Schnappmontage mit bis zu 7 IEC Geräteeinbausteckdosen F
4750  Gerätesteckdosenleiste für Schnappmontage mit bis zu 7 IEC Geräteeinbausteckdosen F
4750  Gerätesteckdosenleiste für Schnappmontage mit bis zu 7 IEC Geräteeinbausteckdosen F

Serie

4750

Gerätesteckdosenleiste für Schnappmontage mit bis zu 7 IEC Geräteeinbausteckdosen F

New_Logo Kostenlose Musteranfrage

39 Varianten


Gerätestecker (Stecker/Dosen)

F
Stecker Logo
70° C

Beschreibung

  • Einbau in Platten
  • Schnappbefestigung Frontseite (1.2 / 1.5 / 1.7 mm)
  • Konfigurierbare Gerätesteckdosenleiste mit 2 bis 7 Steckplätzen Typ F
  • Auszugssicherung für Kabel mit V-Lock, Twylock oder P-Lock
  • Vormontierter Lichtleiter zur Statusanzeige
  • Löt- / Leiterplatten- / Steckanschluss (4.8 / 6.3 x 0.8) mm

Alleinstellungsmerkmale

  • Konfigurierbare Stromschiene (L, N, PE)
  • Wahlweise mit oder ohne Lichtleiter auf der L- oder N-Seite
  • Farbcodierung in schwarz (grau und weiss auf Anfrage)
  • Löt- / Leiterplatten- / Steckanschluss (4.8 / 6.3 x 0.8 mm)

Merkmale

  • Kompakte Lösung für intelligente PDUs
  • Geeignet für den Einsatz in Geräten nach IEC/UL 62368-1

Weitere Ausführungen auf Anfrage

  • Andere Plattendicken
  • Andere Lichtleiterlängen
  • Farbcodierung in Weiss und Grau
  • Andere Anschlüsse auf Anfrage

Die Integration von Lichtleitern in die Gerätesteckdose bietet die Möglichkeit von Statusanzeigen in intelligenten PDUs. PDU Landing Page mit weiteren Informationen. Stromverteilleisten

Nenndaten IEC

Nenndaten IEC


Die elektrischen Nenndaten beschreiben die zugelassenen Betriebswerte für den Betriebszustand für Nennstrom und Nennspannung unter genannten Umgebungsbedingungen.
Allgemeine Angaben zu elektrischen Kennwerten von Sicherungen
Nenndaten IEC, UL/CSA Allgemeine Angaben zum Nennstom und zur Nennspannung bei EMV-Produkten
Nennspannung Nennstrom Die Werte sind unterschiedlich je nach Zulassungsstelle und sind daher in den entsprechend Zulassungsausweisen für die jeweiligen Produktfamilien entsprechend referenziert. Angaben dazu werden in den Datenblättern aufgeführt.
Suche nach Approbationsangaben für unterschiedlichen Familien
Zulassungen

10 A / 250 VAC; 50 Hz

Nenndaten UL/CSA

Nenndaten UL


Die elektrischen Nenndaten beschreiben die zugelassenen Betriebswerte für den Betriebszustand für Nennstrom und Nennspannung unter genannten Umgebungsbedingungen.
Allgemeine Angaben zu elektrischen Kennwerten von Sicherungen
Nenndaten IEC, UL/CSA Allgemeine Angaben zum Nennstom und zur Nennspannung bei EMV-Produkten
Nennspannung Nennstrom Die Werte sind unterschiedlich je nach Zulassungsstelle und sind daher in den entsprechend Zulassungsausweisen für die jeweiligen Produktfamilien entsprechend referenziert. Angaben dazu werden in den Datenblättern aufgeführt.
Suche nach Approbationsangaben für unterschiedlichen Familien
Zulassungen

15 A / 250 VAC; 60 Hz

Spannungsfestigkeit

Spannungsfestigkeit


Angabe zur höchstens zulässigen Spannung, damit es nicht aufgrund einer Isolationsschädigung zu einem Spannungsdurchschlag kommt.
Spannungsfestigkeit

> 2 kVAC zwischen L-N
> 2 kVAC zwischen L/N-PE
(1 min/50 Hz)

Zulässige Betriebstemperatur

-25 °C bis 70 °C Stifttemperatur

IP-Schutzgrad

IP-Schutzgrad


Der IP Code besteht aus einer zweistelligen Ziffernkombination, die den jeweiligen Schutzgrad angibt.
Dabei spezifiziert die erste Ziffer die Schutzklasse für Berührungs- und Fremdkörperschutz, die zweite Ziffer den Wasser- und Feuchtigkeitsschutz. Details zum IP-Schutzgrad entnehmen Sie bitte aus den Allgemeinen Produktinformationen
IP-Schutzgrad

Frontseite IP20 gemäss IEC 60529

Berührungsschutz

IP-Schutzgrad


Der IP Code besteht aus einer zweistelligen Ziffernkombination, die den jeweiligen Schutzgrad angibt.
Dabei spezifiziert die erste Ziffer die Schutzklasse für Berührungs- und Fremdkörperschutz, die zweite Ziffer den Wasser- und Feuchtigkeitsschutz. Details zum IP-Schutzgrad entnehmen Sie bitte aus den Allgemeinen Produktinformationen
IP-Schutzgrad

Geeignet für Geräte der Schutzklasse I gemäss IEC 61140

Klemme

Anschlüsse


Anschlüsse gemäss neuem IEC Standard.
Detailliertere Variantenangaben sind im Datenblatt oder in Allgmeinen Technischen Informationen ersichtlich.
Klemme

Löt- / Leiterplatten- / Steckanschluss (4.8 / 6.3 x 0.8) mm

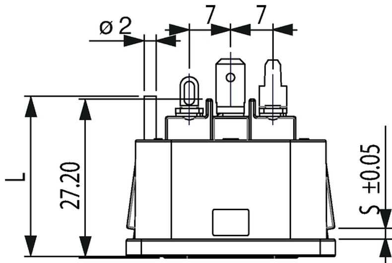
Plattendicke S

Plattendicke S


Details siehe Zeichnung
Schnapper

Schnapp (1.2 / 1.5 / 1.7) mm
Toleranz +0.0/-0.1

Lichtleiterlänge L

24.5 / 27.5 / 28.5 / 32.7 / 37.4 / 50.0 mm

Material: Gehäuse

Thermoplast, schwarz / grau / weiss, UL 94V-0

Gerätestecker/-Dose

Gerätestecker/-Dose


Typ-Bezeichnung der Gerätestecker bzw. -anschlussdose nach IEC 60320-1, resp. IEC60320-2-2, UL498, CSA C22.2 no.42
Details zu Steckverbindungen und deren Bezeichnungen finden Sie in den Allgemeinen Produktinformationen
Gerätesteckvorrichtungen Mating Connectors Begriffserklärung Sondersteckvorrichtung

F gemäss IEC 60320-3
UL 60320-1 CSA C22.2 no. 60320-1 (Für kalte Bedingungen) Stifttemperatur 70 °C, 10 A, Schutzklasse I

Detaillierte Informationen zu Zulassungen, Normanforderungen, Verwendungshinweisen und Prüfdetails finden Sie in  Details über Zulassungen
SCHURTER Produkte sind grundsätzlich für den Einsatz im industriellen Umfeld ausgelegt. Sie verfügen über Zulassungen unabhängiger Prüfstellen gemäss nationaler und internationaler Normen.
Produkte mit spezifischen Eigenschaften und Anforderungen wie sie etwa im Bereich Automotive nach IATF 16949, der Medizintechnik gemäss ISO 13485 oder in der Luft- und Raumfahrt gefordert werden, können ausschliesslich mit kundenspezifischen, individuellen Vereinbarungen durch SCHURTER angeboten werden.


Zulassungen

Durch das Zulassungszeichen bescheinigen die Prüftstellen die Einhaltung der sicherheitstechnischen Anforderungen, die an elektronische Produkte gestellt werden.


Zulassung Referenztyp:

Zulassungslogo Zertifikat Zulassungsstelle Beschreibung
Prüfzeichen VDE VDE VDE Ausweisnummer: 40048640
Prüfzeichen cURus UL UR Ausweisnummer: E502078
Prüfzeichen ccc CCC CCC Ausweisnummer: 2018180204005769


Produktnormen

Produktnormen, welche referenziert werden

Organisation Design Norm Beschreibung
Prüfzeichen IEC_Certification_Body Ausgelegt gemäss IEC 60320-1 Gerätekupplungen für Haushalt und ähnliche allgemeine Zwecke
Prüfzeichen IEC_Certification_Body Ausgelegt gemäss IEC 60320-3 Gerätekupplungen für Haushalt und ähnliche allgemeine Zwecke
Prüfzeichen UL Ausgelegt gemäss UL 60320-1 Norm für Befestigungsstecker und Steckdosen
Prüfzeichen CSA_Certification_Body Ausgelegt gemäss CSA C22.2 no. 60320-1 Allgemeine Anwendung, Befestigungsstecker und ähnliche Verdrahtungsanschlüsse


Anwendungsnormen

Anwendungsnormen, in welchen die Produkte entsprechend verwendet werden können

Organisation Design Norm Beschreibung
Prüfzeichen IEC_Certification_Body Geeignet für Anwendungen gemäss IEC/UL 62368-1 Einrichtungen für Audio/Video-, Informations- und Kommunikationstechnik - Teil 1: Sicherheitsanforderungen


Konformitäten

Das Produkt ist konform mit folgenden Richtlinien

Identifikation Details Aussteller Beschreibung
Umwelt_Sicherheit RoHS_Logo_color_CMYK_tif SCHURTER AG Richtlinie RoHS 2011/65/EU, Ergänzung (EU) 2015/863
Umwelt_Sicherheit China_RoHS_e_konform_eps SCHURTER AG Das Gesetz SJ/T 11363-2006 (China RoHS) ist seit dem 1. März 2007 in Kraft. Ähnlich wie bei der EU-Richtlinie RoHS.
Umwelt_Sicherheit REACH SCHURTER AG Am 1. Juni 2007 trat die Verordnung (EG) Nr. 1907/2006 zur Registrierung, Bewertung, Zulassung und Beschränkung chemischer Stoffe 1 (kurz: "REACH") in Kraft.

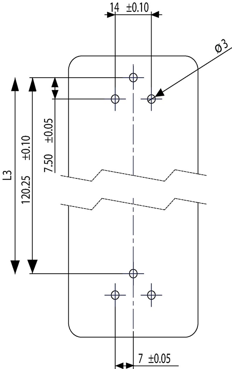
Abmessungen [mm]

Gehäuse-Länge

Max. Höhe Buchse + Klemme

Snap-In und Lichtrohre

Bohrdiagramm für Leiterplattenanschlüsse: Busverbindung [mm]

Bohrdiagramm für Leiterplattenanschlüsse: L individuell und N/PE mit Busverbindung [mm]

Bohrdiagramm für Leiterplattenanschlüsse: L/N individuell und PE mit Busverbindung [mm]

Bohrdiagramm für Leiterplattenanschlüsse: L/N/PE individuell [mm]


Kurze Variantentabelle 4750 Öffne vollständige Tabelle 4750

Steckplätze Plattendicke [mm] Lichtleiter L-Seite Bestell-Nummer
Symbole, PCB-Layout, 3D-Modelle Kostenloses Muster

Kostenloses Muster


Gerne stellen wir Muster für Anwendungsprüfung unkompliziert zur Verfügung.
Senden Sie uns dazu Ihre Lieferadresse mit der spezifischen Anfrage zu.

Bestandsabfrage Distributor

Bestandsabfrage Distributor


Der nachfolgende Link verweist auf die Abfrage zum aktuellen Lagebestand bei den verschiedenen Distributoren für die referenzierte Bestellnummer. Damit können Sie die verfügbare Menge prüfen und gegebenfalls gleich eine Bestellung tätigen.
Die Lagerverfügbarkeit bei den Distributoren können Sie auch separat aufrufen und das gewünschte Produkt manuell eingeben.
Lagerbestand Distributor

...
               
 
2 1.5 mm - 3-135-157 ...
2 1.5 mm - 3-124-296 ...
2 1.5 mm L=27.5 mm 3-135-277 ...
2 1.5 mm L=27.5 mm 3-135-278 ...
3 1.7 mm - 3-104-399 ...
3 1.5 mm - 3-124-302 ...
3 1.5 mm - 3-135-537 ...
3 1.5 mm L=27.5 mm 3-124-314 ...
3 1.5 mm L=27.5 mm 3-135-586 ...
3 1.5 mm L=27.5 mm 3-135-539 ...
4 1.5 mm - 3-104-400 ...
4 1.5 mm - 3-124-303 ...
4 1.5 mm - 3-104-370 ...
4 1.5 mm - 3-104-412 ...
4 1.5 mm L=27.5 mm 3-154-756 ...
4 1.5 mm L=27.5 mm 3-124-315 ...
4 1.5 mm L=27.5 mm 3-135-540 ...
4 1.5 mm L=27.5 mm 3-135-541 ...
4 1.5 mm L=27.5 mm 3-128-802 ...
5 1.5 mm - 3-124-304 ...
5 1.5 mm - 3-135-284 ...
5 1.5 mm L=27.5 mm 3-135-292 ...
5 1.5 mm L=27.5 mm 3-135-293 ...
6 1.5 mm - 3-104-402 ...
6 1.7 mm - 3-128-806 ...
6 1.5 mm - 3-124-305 ...
6 1.5 mm - 3-104-371 ...
6 1.5 mm L=27.5 mm 3-120-308 ...
6 1.5 mm L=27.5 mm 3-120-309 ...
6 1.7 mm L=27.5 mm 3-128-805 ...
6 1.5 mm L=27.5 mm 3-124-317 ...
6 1.5 mm L=27.5 mm 3-124-308 ...
6 1.5 mm L=27.5 mm 3-135-552 ...
6 1.5 mm L=27.5 mm 3-135-553 ...
6 1.5 mm - 3-120-305 ...
7 1.5 mm - 3-124-306 ...
7 1.5 mm - 3-135-294 ...
7 1.5 mm L=27.5 mm 3-135-295 ...
7 1.5 mm L=27.5 mm 3-135-296 ...
020070600000002302
LOADING...
Passende Stecker (5)

[Swipe to the left and right for more options]

4732

4732, Montage: Anschlussleitung, Geräteanschlussstecker: IEC E, Kabel

4735

4735, Montage: Anschlussleitung, Geräteanschlussstecker: IEC E, Kabel

9009

9009, Montage: Geräteanschlussstecker: IEC E, Schraubklemmen

4733

4733, Montage: Anschlussleitung, Geräteanschlussstecker: IEC E, Kabel

4736

4736, Montage: Anschlussleitung, Geräteanschlussstecker: IEC E, Kabel


01.09.2025
   
de prod Durch die Änderung der Katalogversion (Desktop<> Mobile), werden die gewählten Filter im Katalog zurückgesetzt