4797  Schnappbefestigung von Frontseite Löt-/Steckanschlüsse
Schnappbefestigung
von Frontseite
Löt-/Steckanschlüsse
4797  Schraubbefestigung von Frontseite Löt-/Steckanschlüsse
Schraubbefestigung
von Frontseite
Löt-/Steckanschlüsse
4797  Schnappbefestigung von Frontseite Löt-/Steckanschlüsse
4797  Schraubbefestigung von Frontseite Löt-/Steckanschlüsse

Serie

4797

IEC Geräteinbausteckdose J, Schnapp oder Schraubmontage, frontseitig, Löt- oder Steckanschluss

Kostenlose Musteranfrage

16 Varianten


Gerätestecker (Stecker/Dosen)

Typ J
Stecker Logo
70° C

Green Line

 
 Logo
 
 
 Logo
 

Beschreibung

  • Schnapp- oder Schraubbefestigung, Frontseite:
  • Gerätesteckdose, Stifttemperatur 70 °C Schutzklasse I
  • V-Lock, P-Lock und Twylock kompatibel
  • Sicherheit elektrischer Geräte für den Hausgebrauch und ähnliche Zwecke. Erfüllt die Anforderungen für Geräte in unbeaufsichtigtem Betrieb. Dies beinhaltet die verschärften Glühdrahtanforderungen nach IEC 60695-2-11 oder -12 & -13.
  • Löt / Steck

Alleinstellungsmerkmale

  • Varianten aus pflanzen basierten Kunststoffen mit 7.75 kg CO2e Reduktion pro Verpackungseinheit
  • Die pflanzen basierten Kunststoffe erfüllen die erhöhten Glühdrahttest-Anforderungen gem. IEC 60695-2-12 und -13

Merkmale

  • Geeignet für den Einsatz in Geräten nach IEC/UL 62368-1

Weitere Ausführungen auf Anfrage

  • Andere Plattendicken
  • Varianten in weiss
  • Für Schutzklasse II

Die Integration von Lichtleitern in die Gerätesteckdose bietet die Möglichkeit von Statusanzeigen in intelligenten PDUs. PDU Landing Page mit weiteren Informationen. Stromverteilleisten

Nenndaten IEC

Nenndaten IEC


Die elektrischen Nenndaten beschreiben die zugelassenen Betriebswerte für den Betriebszustand für Nennstrom und Nennspannung unter genannten Umgebungsbedingungen.
Allgemeine Angaben zu elektrischen Kennwerten von Sicherungen
Nenndaten IEC, UL/CSA Allgemeine Angaben zum Nennstom und zur Nennspannung bei EMV-Produkten
Nennspannung Nennstrom Die Werte sind unterschiedlich je nach Zulassungsstelle und sind daher in den entsprechend Zulassungsausweisen für die jeweiligen Produktfamilien entsprechend referenziert. Angaben dazu werden in den Datenblättern aufgeführt.
Suche nach Approbationsangaben für unterschiedlichen Familien
Zulassungen

16 A / 250 VAC; 50 Hz

Nenndaten UL/CSA

Nenndaten UL


Die elektrischen Nenndaten beschreiben die zugelassenen Betriebswerte für den Betriebszustand für Nennstrom und Nennspannung unter genannten Umgebungsbedingungen.
Allgemeine Angaben zu elektrischen Kennwerten von Sicherungen
Nenndaten IEC, UL/CSA Allgemeine Angaben zum Nennstom und zur Nennspannung bei EMV-Produkten
Nennspannung Nennstrom Die Werte sind unterschiedlich je nach Zulassungsstelle und sind daher in den entsprechend Zulassungsausweisen für die jeweiligen Produktfamilien entsprechend referenziert. Angaben dazu werden in den Datenblättern aufgeführt.
Suche nach Approbationsangaben für unterschiedlichen Familien
Zulassungen

20 A / 250 VAC; 60 Hz

Spannungsfestigkeit

Spannungsfestigkeit


Angabe zur höchstens zulässigen Spannung, damit es nicht aufgrund einer Isolationsschädigung zu einem Spannungsdurchschlag kommt.
Spannungsfestigkeit

> 2.5 kVAC zwischen L-N
> 3 kVAC zwischen L/N-PE
(1 min/50 Hz)

Zulässige Betriebstemperatur

-25 °C bis 70 °C

IP-Schutzgrad

IP-Schutzgrad


Der IP Code besteht aus einer zweistelligen Ziffernkombination, die den jeweiligen Schutzgrad angibt.
Dabei spezifiziert die erste Ziffer die Schutzklasse für Berührungs- und Fremdkörperschutz, die zweite Ziffer den Wasser- und Feuchtigkeitsschutz. Details zum IP-Schutzgrad entnehmen Sie bitte aus den Allgemeinen Produktinformationen
IP-Schutzgrad

Frontseite IP20 gemäss IEC 60529

Berührungsschutz

IP-Schutzgrad


Der IP Code besteht aus einer zweistelligen Ziffernkombination, die den jeweiligen Schutzgrad angibt.
Dabei spezifiziert die erste Ziffer die Schutzklasse für Berührungs- und Fremdkörperschutz, die zweite Ziffer den Wasser- und Feuchtigkeitsschutz. Details zum IP-Schutzgrad entnehmen Sie bitte aus den Allgemeinen Produktinformationen
IP-Schutzgrad

Geeignet für Geräte der Schutzklasse I oder II gemäss IEC 61140

Klemme

Anschlüsse


Anschlüsse gemäss neuem IEC Standard.
Detailliertere Variantenangaben sind im Datenblatt oder in Allgmeinen Technischen Informationen ersichtlich.
Klemme

Löt / Steck

Plattendicke S

Plattendicke S


Details siehe Zeichnung
Schnapper

Schraub: max 8 mm
Anzugsdrehmoment max 0.5 Nm
Schnapp: 0.8 mm bis 3 mm

Material: Gehäuse

Thermoplast, schwarz, UL 94V-0

Gerätestecker/-Dose

Gerätestecker/-Dose


Typ-Bezeichnung der Gerätestecker bzw. -anschlussdose nach IEC 60320-1, resp. IEC60320-2-2, UL498, CSA C22.2 no.42
Details zu Steckverbindungen und deren Bezeichnungen finden Sie in den Allgemeinen Produktinformationen
Gerätesteckvorrichtungen Mating Connectors Begriffserklärung Sondersteckvorrichtung

Typ J gemäss IEC 60320-3
UL 498, CSA C22.2 no. 42 (Für kalte Bedingungen) Stifttemperatur 70 °C, 16 A, Schutzklasse I

Detaillierte Informationen zu Zulassungen, Normanforderungen, Verwendungshinweisen und Prüfdetails finden Sie in  Details über Zulassungen
SCHURTER Produkte sind grundsätzlich für den Einsatz im industriellen Umfeld ausgelegt. Sie verfügen über Zulassungen unabhängiger Prüfstellen gemäss nationaler und internationaler Normen.
Produkte mit spezifischen Eigenschaften und Anforderungen wie sie etwa im Bereich Automotive nach IATF 16949, der Medizintechnik gemäss ISO 13485 oder in der Luft- und Raumfahrt gefordert werden, können ausschliesslich mit kundenspezifischen, individuellen Vereinbarungen durch SCHURTER angeboten werden.


Zulassungen

Durch das Zulassungszeichen bescheinigen die Prüftstellen die Einhaltung der sicherheitstechnischen Anforderungen, die an elektronische Produkte gestellt werden.


Zulassung Referenztyp: 4797

Zulassungslogo Zertifikat Zulassungsstelle Beschreibung
Prüfzeichen ENEC_10 VDE Ausweisnummer: 40040106
Prüfzeichen cURus UL UR Ausweisnummer: E103791
Prüfzeichen ccc CCC CCC Ausweisnummer: 2019180204008810, 2019180204011408


Produktnormen

Produktnormen, welche referenziert werden

Organisation Design Norm Beschreibung
Prüfzeichen IEC_Certification_Body Ausgelegt gemäss IEC 60320-1 Gerätekupplungen für Haushalt und ähnliche allgemeine Zwecke
Prüfzeichen IEC_Certification_Body Ausgelegt gemäss IEC 60320-3 Gerätekupplungen für Haushalt und ähnliche allgemeine Zwecke
Prüfzeichen UL Ausgelegt gemäss UL 498 Norm für Befestigungsstecker und Steckdosen
Prüfzeichen CSA_Certification_Body Ausgelegt gemäss CSA C22.2 no. 42 Allgemeine Anwendung, Befestigungsstecker und ähnliche Verdrahtungsanschlüsse


Anwendungsnormen

Anwendungsnormen, in welchen die Produkte entsprechend verwendet werden können

Organisation Design Norm Beschreibung
Prüfzeichen IEC_Certification_Body Geeignet für Anwendungen gemäss IEC/UL 62368-1 Einrichtungen für Audio/Video-, Informations- und Kommunikationstechnik - Teil 1: Sicherheitsanforderungen
Prüfzeichen IEC_Certification_Body Geeignet für Anwendungen gemäss IEC 60335-1 Sicherheit elektrischer Geräte für den Hausgebrauch und ähnliche Zwecke. Erfüllt die Anforderungen für Geräte in unbeaufsichtigtem Betrieb. Dies beinhaltet die verschärften Glühdrahtanforderungen nach IEC 60695-2-11 oder -12 & -13.


Konformitäten

Das Produkt ist konform mit folgenden Richtlinien

Identifikation Details Aussteller Beschreibung
Prüfzeichen CE SCHURTER AG Die CE-Kennzeichnung erklärt, dass das Produkt gemäss der EU-Vordnung 765/2008 den geltenden Anforderungen genügt, die in den Harmonisierungsrechtsvorschriften der Gemeinschaft über ihre Anbringung festgelegt sind.
Prüfzeichen Zulassung_Symbol_UKCA SCHURTER AG Die UKCA-Kennzeichnung erklärt, dass das Produkt gemäss dem Britischen Amendment zur Verordnung (EC) 765/2008 den geltenden Anforderungen genügt.
Umwelt_Sicherheit RoHS_Logo_color_CMYK_tif SCHURTER AG Richtlinie RoHS 2011/65/EU, Ergänzung (EU) 2015/863
Umwelt_Sicherheit China_RoHS_e_konform_eps SCHURTER AG Das Gesetz SJ/T 11363-2006 (China RoHS) ist seit dem 1. März 2007 in Kraft. Ähnlich wie bei der EU-Richtlinie RoHS.
Umwelt_Sicherheit REACH SCHURTER AG Am 1. Juni 2007 trat die Verordnung (EG) Nr. 1907/2006 zur Registrierung, Bewertung, Zulassung und Beschränkung chemischer Stoffe 1 (kurz: "REACH") in Kraft.
Komponenten V_Lock_Logo SCHURTER AG V-Lock Auszugssicherungen basieren auf einer passenden Stecker-Dosen-Kombination. Die Produkte haben eine vorgesehene Öffnung zum Einrasten des Nockens an der Steckdose. Das V-Lock-System verhindert ein ungewolltes Trennen des Stecksystems.
Umwelt_Sicherheit Glow_Wire_Proof SCHURTER AG Erfüllt die Anforderungen von IEC 60335-1 für Geräte in unbeaufsichtigtem Betrieb. Dies beinhaltet die verschärften Glühdrahtanforderungen nach IEC 60695-2-11 oder -12 & -13.
Green Line Baum_Logo SCHURTER AG Produkte der Green Line sind auf die Strategischen Entwicklungsziele (SDG) der UNO ausgerichtet. Bestandteile der Produkte bestehen aus nachhaltigen, umweltschonenden Materialien. Dazu gehören beispielsweise biobasierte Kunststoffe oder bleifreie Metalllegierungen. Produkte dieser Linie können auch den sparsamen, intelligenten Einsatz von Ressourcen unterstützen.

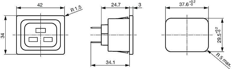
Abmessungen [mm]

Schnappbefestigung von Frontseite

Schraubbefestigung von Frontseite

Plattenausschnitt für Schnappmontage

Plattenausschnitt für Schraubmontage


Kurze Variantentabelle 4797 Öffne vollständige Tabelle 4797

Green Line Logo Plattenmontage Plattendicke s [mm] Bestell-Nummer
Symbole, PCB-Layout, 3D-Modelle Kostenloses Muster

Kostenloses Muster


Gerne stellen wir Muster für Anwendungsprüfung unkompliziert zur Verfügung.
Senden Sie uns dazu Ihre Lieferadresse mit der spezifischen Anfrage zu.

Bestandsabfrage Distributor

Bestandsabfrage Distributor


Der nachfolgende Link verweist auf die Abfrage zum aktuellen Lagebestand bei den verschiedenen Distributoren für die referenzierte Bestellnummer. Damit können Sie die verfügbare Menge prüfen und gegebenfalls gleich eine Bestellung tätigen.
Die Lagerverfügbarkeit bei den Distributoren können Sie auch separat aufrufen und das gewünschte Produkt manuell eingeben.
Lagerbestand Distributor

...
 
Schraub - 4797.3000 ...
Schraub - 3-148-857 ...
Schraub - 4797.0000 ...
Schnapp 1 4797.3010 ...
Schnapp 1.2 4797.3012 ...
Schnapp 1.5 3-148-860 ...
Schnapp 1.5 4797.3015 ...
Schnapp 2 4797.3020 ...
Schnapp 2.5 4797.3025 ...
Schnapp 3 4797.3030 ...
Schnapp 1 4797.0010 ...
Schnapp 1.2 4797.0012 ...
Schnapp 1.5 4797.0015 ...
Schnapp 2 4797.0020 ...
Schnapp 2.5 4797.0025 ...
Schnapp 3 4797.0030 ...

Verpackungseinheit 50 ST 

020070130000002297
LOADING...
Ersetzt Typ (3)

[Swipe to the left and right for more options]

Alternativ: Version mit integrierten Lichtleitern (1)

[Swipe to the left and right for more options]

Passende Stecker (2)

[Swipe to the left and right for more options]

4796

4796, Montage: Anschlussleitung, Kabel, Geräteanschlussstecker: IEC I

4789

4789, Montage: Anschlussleitung, Schraub, Geräteanschlussstecker: IEC I

Passende Stecker verriegelt (4)

[Swipe to the left and right for more options]

3-100-362

VAC19KS, Weiterverbindung, V-Lock Verriegelung, 2.0 m, Gerätesteckdose IEC C19, H05VV-F3G1.5 / SJT 3x14 AWG, schwarz

3-100-363

VAC19KS, Weiterverbindung, V-Lock Verriegelung, 3.0 m, Gerätesteckdose IEC C19, H05VV-F3G1.5 / SJT 3x14 AWG, schwarz

6051.2147

VAC19KS, Weiterverbindung, V-Lock Verriegelung, 1.0 m, Gerätesteckdose IEC C19, H05VV-F3G1.5, schwarz

6051.2197

VAC19KS, Weiterverbindung, V-Lock Verriegelung, 1.0 m, Gerätesteckdose IEC C19, H05VV-F3G1.5 / SJT 3x14 AWG, schwarz

Zubehör (3)

[Swipe to the left and right for more options]

Kabelkonfektionierung

Kabelbaum für SCHURTER-Produkte

RC320

Rückseitige Abdeckung für Gerätestecker

Sicherungsbügel

Auszugssicherung für Kabelstecker


27.01.2026
   
de prod Durch die Änderung der Katalogversion (Desktop<> Mobile), werden die gewählten Filter im Katalog zurückgesetzt