4802.1310  Stecker, Lötanschluss, isoliert, 3.5 mm, 3-polig, gerade, , UK-Stecker

Artikel

4802.1310

Stecker, Lötanschluss, isoliert, 3.5 mm, 3-polig, gerade, UK-Stecker

... loading ...

Beschreibung

  • Löt: für Kabelmontage:,
  • Daten- und Signalübertragung
  • Daten- und Signalstecker 3-polig, isoliert, gerade

Merkmale

  • Entspricht nicht dem JAP- oder BPO-Standard

Durchmesser

3.5 mm 

Polzahl

3-polig 

Nenndaten DC

1 A / 12 VDC

Nenndaten AC

1 A / 12 VAC

Spannungsfestigkeit

500 VDC

Isolationswiderstand

> 10000 MΩ␣ @  500 VDC

Zulässige Betriebstemperatur

-20 °C bis 70 °C

Klemme

Lötanschluss

Gehäuse

isoliert 

Bauform

gerade 

Lebensdauer

10000 Steckzyklen

Detaillierte Informationen zu Zulassungen, Normanforderungen, Verwendungshinweisen und Prüfdetails finden Sie in  Details über Zulassungen
SCHURTER Produkte sind grundsätzlich für den Einsatz im industriellen Umfeld ausgelegt. Sie verfügen über Zulassungen unabhängiger Prüfstellen gemäss nationaler und internationaler Normen.
Produkte mit spezifischen Eigenschaften und Anforderungen wie sie etwa im Bereich Automotive nach IATF 16949, der Medizintechnik gemäss ISO 13485 oder in der Luft- und Raumfahrt gefordert werden, können ausschliesslich mit kundenspezifischen, individuellen Vereinbarungen durch SCHURTER angeboten werden.


Konformitäten

Das Produkt ist konform mit folgenden Richtlinien

Identifikation Details Aussteller Beschreibung
Umwelt_Sicherheit RoHS_Logo_color_CMYK_tif SCHURTER AG Richtlinie RoHS 2011/65/EU, Ergänzung (EU) 2015/863
Umwelt_Sicherheit China_RoHS_50_non_konform_eps SCHURTER AG Das Gesetz SJ/T 11363-2006 (China RoHS) ist seit dem 1. März 2007 in Kraft. Ähnlich wie bei der EU-Richtlinie RoHS.
Umwelt_Sicherheit REACH SCHURTER AG Am 1. Juni 2007 trat die Verordnung (EG) Nr. 1907/2006 zur Registrierung, Bewertung, Zulassung und Beschränkung chemischer Stoffe 1 (kurz: "REACH") in Kraft.

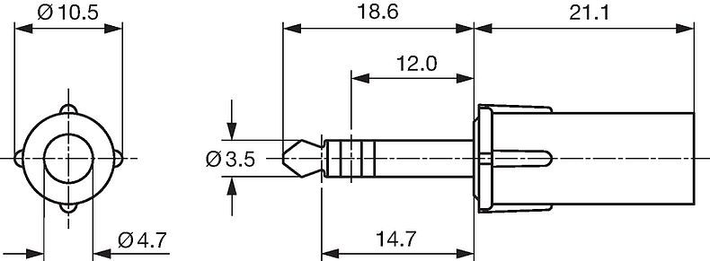
Abmessungen [mm]


Kurze Variantentabelle 4802.1310 Öffne vollständige Tabelle 4802.1310

Produktgruppe Durchmesser [mm] Polzahl Bestell-Nummer
Symbole, PCB-Layout, 3D-Modelle Kostenloses Muster

Kostenloses Muster


Gerne stellen wir Muster für Anwendungsprüfung unkompliziert zur Verfügung.
Senden Sie uns dazu Ihre Lieferadresse mit der spezifischen Anfrage zu.

Bestandsabfrage Distributor

Bestandsabfrage Distributor


Der nachfolgende Link verweist auf die Abfrage zum aktuellen Lagebestand bei den verschiedenen Distributoren für die referenzierte Bestellnummer. Damit können Sie die verfügbare Menge prüfen und gegebenfalls gleich eine Bestellung tätigen.
Die Lagerverfügbarkeit bei den Distributoren können Sie auch separat aufrufen und das gewünschte Produkt manuell eingeben.
Lagerbestand Distributor

...
 
Daten und Signal Stecker/Dosen 3.5 3-polig 4802.1310 - ...

Verpackungseinheit 100 ST 

900120000000004502 4802.1310
LOADING...
Alternativ: Gehäuse abgeschirmt (1)

[Swipe to the left and right for more options]

Passende Stecker/Dosen (4)

[Swipe to the left and right for more options]

4802.2300

Sockel, Lötanschluss, abgeschirmt, 3.5 mm, 3-polig, gerade, UK-Stecker

4802.2310

Sockel, Lötanschluss, isoliert, 3.5 mm, 3-polig, gerade, UK-Stecker

4802.2320

Sockel, Leiterplattenanschlüsse, abgeschirmt, 3.5 mm, 3-polig, gerade, UK-Stecker

4802.2330

Sockel, Leiterplattenanschlüsse, isoliert, 3.5 mm, 3-polig, gerade, UK-Stecker


12.03.2026
   
de prod Durch die Änderung der Katalogversion (Desktop<> Mobile), werden die gewählten Filter im Katalog zurückgesetzt