DKIH-4  Kompensierte Hochstromdrossel, 3-Phasen und Neutral Leiter

Serie: DKIH-4

Kompensierte Hochstromdrossel, 3-Phasen und Neutral Leiter

New_Logo Kostenlose Musteranfrage

14 Varianten


Beschreibung

  • Stromkompensierte Drossel
  • 3-Phasen und Neutral Leiter
  • THT-Anschlüsse
  • Flansch für Printmontage

Alleinstellungsmerkmale

  • Kompakt und leicht
  • Offener Aufbau für optimale Kühlung
  • Nanokristalline Ringkerne (NK)
  • Kundenspezifische Pinkonfiguration möglich

Anwendungen

  • Frequenzumrichter
  • Ladestationen
  • USV-Anlagen

Bemessungsspannung

Bemessungsspannung


Entspricht der elektrischen Spannung im Normalbetrieb. Neu wird diese Spannung auch als Bemessungsspannung angegeben und referenziert in den meisten Fällen auf eine IEC Norm, welche als Prüfgrundlage für die Betriebsgrössen referenziert wird.
Die Nennspannung wird je nach Betriebszustand, bei Wechselspannung als VAC, und im Falle von Gleichspannung VDC bezeichnet.

500/760 VAC/VDC

Bemessungsstrom

Bemessungsstrom


Die elektrischen Nenndaten beschreiben die zugelassenen Betriebswerte für den Betriebszustand für Nennstrom und Nennspannung unter genannten Umgebungsbedingungen.
Allgemeine Angaben zu elektrischen Kennwerten von Sicherungen
Nenndaten IEC, UL/CSA Allgemeine Angaben zum Nennstom und zur Nennspannung bei EMV-Produkten
Nennspannung Nennstrom Die Werte sind unterschiedlich je nach Zulassungsstelle und sind daher in den entsprechend Zulassungsausweisen für die jeweiligen Produktfamilien entsprechend referenziert. Angaben dazu werden in den Datenblättern aufgeführt.
Suche nach Approbationsangaben für unterschiedlichen Familien
Zulassungen

10 - 40 A @ Tu 40 °C

Nenninduktivität

0.75 - 6.5 mH, Tol. -30% +50%

Betriebsfrequenz

0 - 400 Hz

Anschlusstechnik

THT 

Gewicht

100 - 165 g

Material

UL 94V-0 

Testspannung

500 V: 2150 VDC, 2 sec, Windung zu Windung

760 V: 3300 VDC, 2 sec, Windung zu Windung

Klimakategorie

Klimakategorie


Einteilung von Komponenten in Kategorien zur Beurteilung von mechanischen und elektrischen Eigenschaften.
Klimakategorie

40/100/21 gemäss IEC 60068-1

Umgebungstemperatur

-40 °C bis 100 °C

Detaillierte Informationen zu Zulassungen, Normanforderungen, Verwendungshinweisen und Prüfdetails finden Sie in  Details über Zulassungen
SCHURTER Produkte sind grundsätzlich für den Einsatz im industriellen Umfeld ausgelegt. Sie verfügen über Zulassungen unabhängiger Prüfstellen gemäss nationaler und internationaler Normen.
Produkte mit spezifischen Eigenschaften und Anforderungen wie sie etwa im Bereich Automotive nach IATF 16949, der Medizintechnik gemäss ISO 13485 oder in der Luft- und Raumfahrt gefordert werden, können ausschliesslich mit kundenspezifischen, individuellen Vereinbarungen durch SCHURTER angeboten werden.


Zulassungen

Durch das Zulassungszeichen bescheinigen die Prüftstellen die Einhaltung der sicherheitstechnischen Anforderungen, die an elektronische Produkte gestellt werden.


Zulassung Referenztyp: DKIH

Zulassungslogo Zertifikat Zulassungsstelle Beschreibung


Anwendungsnormen

Anwendungsnormen, in welchen die Produkte entsprechend verwendet werden können

Organisation Design Norm Beschreibung
Partner IEC_Certification_Body Ausgelegt für Anwendungen gemäss IEC/UL 62368-1 Einrichtungen für Audio/Video-, Informations- und Kommunikationstechnik - Teil 1: Sicherheitsanforderungen


Konformitäten

Das Produkt ist konform mit folgenden Richtlinien

Identifikation Details Aussteller Beschreibung
Umwelt_Sicherheit RoHS_Logo_color_CMYK_tif SCHURTER AG Richtlinie RoHS 2011/65/EU, Ergänzung (EU) 2015/863
Umwelt_Sicherheit China_RoHS_e_konform_eps SCHURTER AG Das Gesetz SJ/T 11363-2006 (China RoHS) ist seit dem 1. März 2007 in Kraft. Ähnlich wie bei der EU-Richtlinie RoHS.
Umwelt_Sicherheit REACH SCHURTER AG Am 1. Juni 2007 trat die Verordnung (EG) Nr. 1907/2006 zur Registrierung, Bewertung, Zulassung und Beschränkung chemischer Stoffe 1 (kurz: "REACH") in Kraft.

800810040000006245
LOADING...

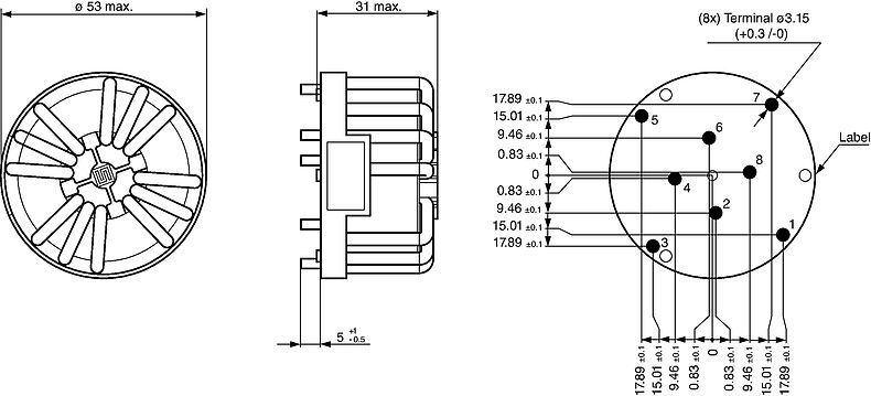
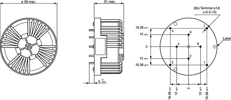
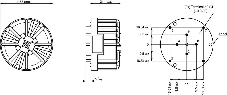
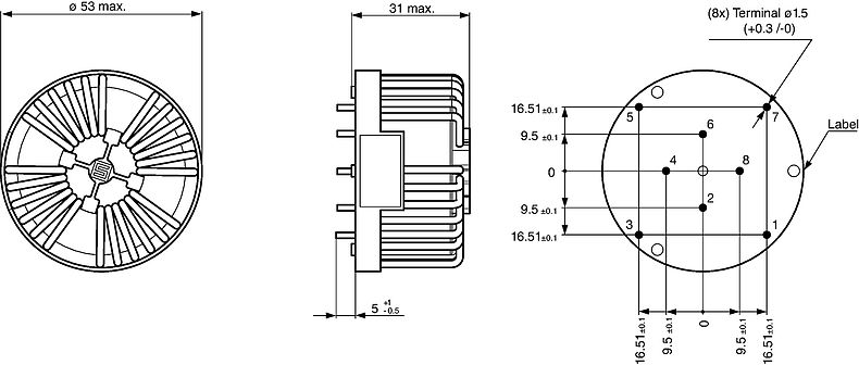
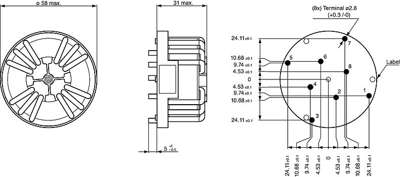
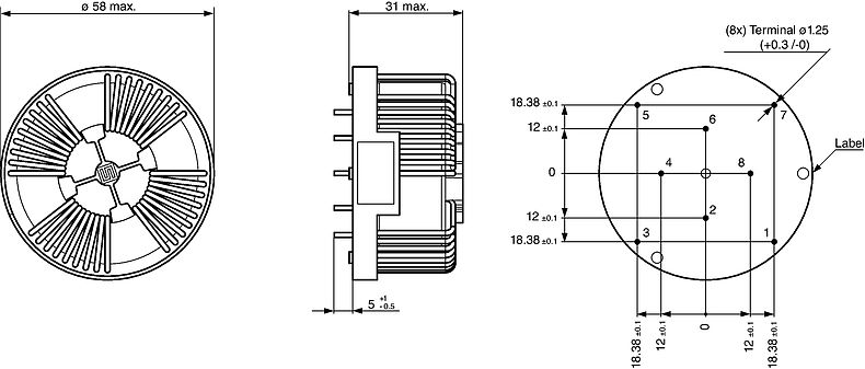
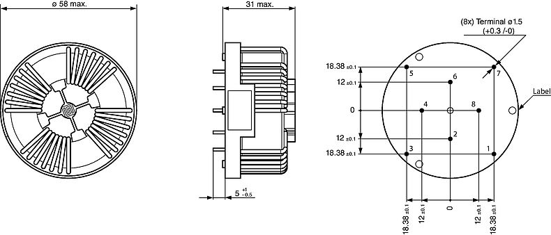
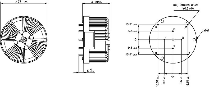
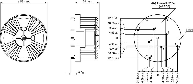
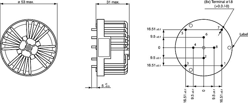
Dimension [mm]

52-10

52-12

52-16

52-25

52-32

52-40

58-10

58-12

58-16

58-25

58-32

58-40


Schaltbilder


500 VDC

760 VDC


Kurze Variantentabelle DKIH-4 Öffne vollständige Tabelle DKIH-4

In [A] Un [V] Ln [mH] Bestellnummer

Variantendetails


Der Link zur jeweiligen Bestell-Nummern verweist auf die Anzeige der spezifischen Detailinformationen vom ausgewählten Produkt, welche in einem separaten Reiter dargestellt werden.
Damit können die Details für die getroffene Auswahl besser gelesen werden.
Zur Anzeige einer anderen Variante muss in den Reiter Alle Produkte gewechselt und entsprechend eine andere Auswahl getroffen werden.
Ebenso lässt sich diese Ansicht direkt aufrufen über einen generischen Alias-Link:
www.schurter.xx/art/[Bestell-Nummer]
wobei folgende Variablen einzusetzen sind:
- xx entspricht der jeweiligen Länder-Domäne
- [Bestellnummer]

A=Oft bestellt

A=Oft bestellt


Unsere oft bestellten Produkte haben folgende Vorteile:
- Sie sind bereits bei vielen Kunden im Einsatz.
- Sie sind in kurzer Frist ab Lager verfügbar.
- Es handelt sich um erprobte Produkte, oft mit hohem Reifegrad im Produktlebenszyklus.
Sie können die Verfügbarkeit all unserer Produkte in Echtzeit prüfen. Geben Sie dazu die Bestellnummer und gewünschte Menge ein:
Produktverfügbarkeit SCHURTER Kontaktieren Sie uns für die Verfügbarkeit von anderen Produktvarianten:
Kontaktformular

Kostenloses Muster

Kostenloses Muster


Gerne stellen wir Muster für Anwendungsprüfung unkompliziert zur Verfügung. Senden Sie uns dazu Ihre Lieferadresse mit der spezifischen Anfrage zu.

Bestandsabfrage Distributor

Bestandsabfrage Distributor


Der nachfolgende Link verweist auf die Abfrage zum aktuellen Lagebestand bei den verschiedenen Distributoren für die referenzierte Bestellnummer. Damit können Sie die verfügbare Menge prüfen und gegebenfalls gleich eine Bestellung tätigen.
Die Lagerverfügbarkeit bei den Distributoren können Sie auch separat aufrufen und das gewünschte Produkt manuell eingeben.
Lagerbestand Distributor

...
 
10 500 5.5 3-108-426  A  ...
12 500 3 3-108-427  A  ...
16 500 2.1 3-108-428  A  ...
20 500 1.35 3-108-429  A  ...
25 500 1.35 3-108-430  A  ...
32 500 0.75 3-108-431  A  ...
40 500 0.75 3-108-432  A  ...
10 760 6.5 3-108-433  A  ...
12 760 4.0 3-108-434  A  ...
16 760 3.0 3-108-435  A  ...
20 760 2.0 3-108-436  A  ...
25 760 2.0 3-108-437  A  ...
32 760 0.75 3-108-438  A  ...
40 760 0.75 3-108-439  A  ...

Oft verkauft.

Verpackungseinheit 20 ST 

800810040000006245
LOADING...

   
de prod Durch die Änderung der Katalogversion (Desktop<> Mobile), werden die gewählten Filter im Katalog zurückgesetzt