FMAD  1-Stufen Filter für 3-Phasen Systeme mit Neutralleiter

Serie

FMAD

1-Stufen Filter für 3-Phasen Systeme mit Neutralleiter

Kostenlose Musteranfrage

13 Varianten


Beschreibung

  • Anschlüsse für drei Phasen, Neutralleiter und Masse

Anwendungen

  • Nennspannung von 480 VAC für weltweiten Einsatz
  • Schutz gegen Störspannungen aus dem Netz
  • Für Standard- und Industrieanwendungen
  • Geeignet für den Einsatz in Geräten nach IEC/UL 62368-1

Weitere Ausführungen auf Anfrage

  • Version mit Litzen anstelle von Schraubanschlüssen auf Anfrage erhältlich

Bemessungsstrom

Bemessungsstrom


Die elektrischen Nenndaten beschreiben die zugelassenen Betriebswerte für den Betriebszustand für Nennstrom und Nennspannung unter genannten Umgebungsbedingungen.
Allgemeine Angaben zu elektrischen Kennwerten von Sicherungen
Nenndaten IEC, UL/CSA Allgemeine Angaben zum Nennstom und zur Nennspannung bei EMV-Produkten
Nennspannung Nennstrom Die Werte sind unterschiedlich je nach Zulassungsstelle und sind daher in den entsprechend Zulassungsausweisen für die jeweiligen Produktfamilien entsprechend referenziert. Angaben dazu werden in den Datenblättern aufgeführt.
Suche nach Approbationsangaben für unterschiedlichen Familien
Zulassungen

6 - 550 A

Bemessungsspannung

Bemessungsstrom


Die elektrischen Nenndaten beschreiben die zugelassenen Betriebswerte für den Betriebszustand für Nennstrom und Nennspannung unter genannten Umgebungsbedingungen.
Allgemeine Angaben zu elektrischen Kennwerten von Sicherungen
Nenndaten IEC, UL/CSA Allgemeine Angaben zum Nennstom und zur Nennspannung bei EMV-Produkten
Nennspannung Nennstrom Die Werte sind unterschiedlich je nach Zulassungsstelle und sind daher in den entsprechend Zulassungsausweisen für die jeweiligen Produktfamilien entsprechend referenziert. Angaben dazu werden in den Datenblättern aufgeführt.
Suche nach Approbationsangaben für unterschiedlichen Familien
Zulassungen

277/480 VAC, 50/60 Hz

Zulassung für

Zulassung für


Approbationen oder Zulassungen zeigen die Konformität der jeweiligen Produkte mit den nationalen Prüfinstituten unter Auflistung der relevanten Prüfzeichen.
Mit nachfolgendem Link können Zertifikaten von den ausgewählten Produkten detailliert gesucht werden.
Zulassungen
Allgemeine Informationen zu Approbationen finden Sie in den technischen Erläuterungen.
Details über Zulassungen

6 - 550 A @ 40 (75) °C / 277/480 VAC

Überlaststrom

1.5 x In für 1 Minute, pro Stunde

Ableitstrom

Ableitstrom


Der Ableitstrom ist ein elektrischer Strom der in einem unerwünschten Strompfad fliesst.
In EMV-Filtern geschieht diese durch die eingesetzten Y-Kondensatoren, welche zur Störunterdrückung eingesetzt werden. Angaben zur Höhe und zur Klassifizierung von Ableitströmen sind detailliert erklärt und werden auch in den Datenblättern aufgeführt.
Ableitstrom

industriell < 15 mA (440 V / 50 Hz)

Spannungsfestigkeit

Spannungsfestigkeit


Angabe zur höchstens zulässigen Spannung, damit es nicht aufgrund einer Isolationsschädigung zu einem Spannungsdurchschlag kommt.
Spannungsfestigkeit

277/480 VAC:
2.25 kVDC zwischen L-L
1.7 kVDC zwischen L-N
3 kVDC zwischen L-PE
2.7 kVDC zwischen N-PE

Prüfspannung 2 sec

Anzahl Filterstufen

Filter Stufen


Anzahl der hintereindergeschalteten L-C- Filternetzwerke

1-stufig

Gewicht

0.95 - 24.5 kg

Material: Gehäuse

Metall 

Vergussmasse

UL 94V-0 

Montage

Chassis-Schraubbefestigung, von oben

Klemme

Schraubklemmen 

Betriebstemperatur

-25 °C bis 100 °C

Klimakategorie

Klimakategorie


Einteilung von Komponenten in Kategorien zur Beurteilung von mechanischen und elektrischen Eigenschaften.
Klimakategorie

25/100/21 gemäss IEC 60068-1

Schutzgrad

IP-Schutzgrad


Der IP Code besteht aus einer zweistelligen Ziffernkombination, die den jeweiligen Schutzgrad angibt.
Dabei spezifiziert die erste Ziffer die Schutzklasse für Berührungs- und Fremdkörperschutz, die zweite Ziffer den Wasser- und Feuchtigkeitsschutz. Details zum IP-Schutzgrad entnehmen Sie bitte aus den Allgemeinen Produktinformationen
IP-Schutzgrad

IP20 gemäss IEC 60529

Schutzklasse

Schutzklasse


Schutzklasse I: Mit Erdverbindung; Schutzklasse II: ohne Erdverbindung

Detaillierte Information zum Thema Schutzklasse finden Sie auch in den Allgemeinen Produktinformationen
Berührungsschutz

Geeignet für Geräte der Schutzklasse I gemäss IEC 61140

MTBF

MTBF


Der Begriff MTBF steht für die englischen Abkürzung Mean Time Between Failure und beschreibt damit die mittlere Betriebsdauer zwischen Fehlern bzw. die Zuverlässigkeit eines Bauteils. Ausgehend vom genannten Wert kann die Betriebsdauer einer Baugruppe bestimmt werden. Je höher dieser Wert ist, desto zuverlässiger ist die Komponente.
MTBF

> 200'000 h gemäss MIL-HB-217 F

Detaillierte Informationen zu Zulassungen, Normanforderungen, Verwendungshinweisen und Prüfdetails finden Sie in  Details über Zulassungen
SCHURTER Produkte sind grundsätzlich für den Einsatz im industriellen Umfeld ausgelegt. Sie verfügen über Zulassungen unabhängiger Prüfstellen gemäss nationaler und internationaler Normen.
Produkte mit spezifischen Eigenschaften und Anforderungen wie sie etwa im Bereich Automotive nach IATF 16949, der Medizintechnik gemäss ISO 13485 oder in der Luft- und Raumfahrt gefordert werden, können ausschliesslich mit kundenspezifischen, individuellen Vereinbarungen durch SCHURTER angeboten werden.


Zulassungen

Durch das Zulassungszeichen bescheinigen die Prüftstellen die Einhaltung der sicherheitstechnischen Anforderungen, die an elektronische Produkte gestellt werden.


Zulassung Referenztyp: FMAD

Zulassungslogo Zertifikat Zulassungsstelle Beschreibung
Prüfzeichen cURus UL UR Ausweisnummer: E72928


Produktnormen

Produktnormen, welche referenziert werden

Organisation Design Norm Beschreibung
Prüfzeichen IEC_Certification_Body Ausgelegt gemäss IEC 60939 Passive Filter für die Unterdrückung von elektromagnetischen Störungen
Prüfzeichen UL Ausgelegt gemäss UL 1283 Passive Filter für die Unterdrückung von elektromagnetischen Störungen


Anwendungsnormen

Anwendungsnormen, in welchen die Produkte entsprechend verwendet werden können

Organisation Design Norm Beschreibung
Prüfzeichen IEC_Certification_Body Geeignet für Anwendungen gemäss IEC/UL 62368-1 Einrichtungen für Audio/Video-, Informations- und Kommunikationstechnik - Teil 1: Sicherheitsanforderungen


Konformitäten

Das Produkt ist konform mit folgenden Richtlinien

Identifikation Details Aussteller Beschreibung
Prüfzeichen CE SCHURTER AG Die CE-Kennzeichnung erklärt, dass das Produkt gemäss der EU-Vordnung 765/2008 den geltenden Anforderungen genügt, die in den Harmonisierungsrechtsvorschriften der Gemeinschaft über ihre Anbringung festgelegt sind.
Prüfzeichen Zulassung_Symbol_UKCA SCHURTER AG Die UKCA-Kennzeichnung erklärt, dass das Produkt gemäss dem Britischen Amendment zur Verordnung (EC) 765/2008 den geltenden Anforderungen genügt.
Umwelt_Sicherheit RoHS_Logo_color_CMYK_tif SCHURTER AG Richtlinie RoHS 2011/65/EU, Ergänzung (EU) 2015/863
Umwelt_Sicherheit China_RoHS_e_konform_eps SCHURTER AG Das Gesetz SJ/T 11363-2006 (China RoHS) ist seit dem 1. März 2007 in Kraft. Ähnlich wie bei der EU-Richtlinie RoHS.
Umwelt_Sicherheit REACH SCHURTER AG Am 1. Juni 2007 trat die Verordnung (EG) Nr. 1907/2006 zur Registrierung, Bewertung, Zulassung und Beschränkung chemischer Stoffe 1 (kurz: "REACH") in Kraft.

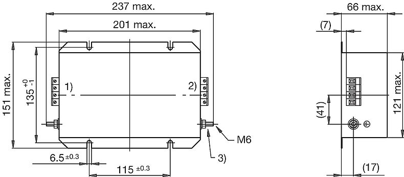
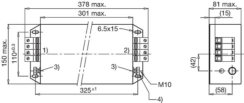
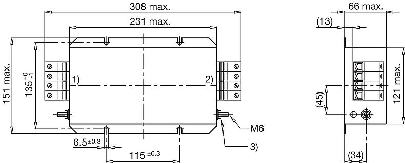
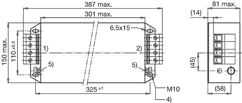
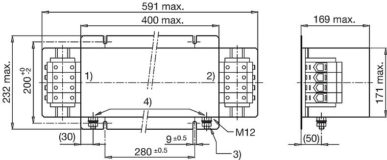
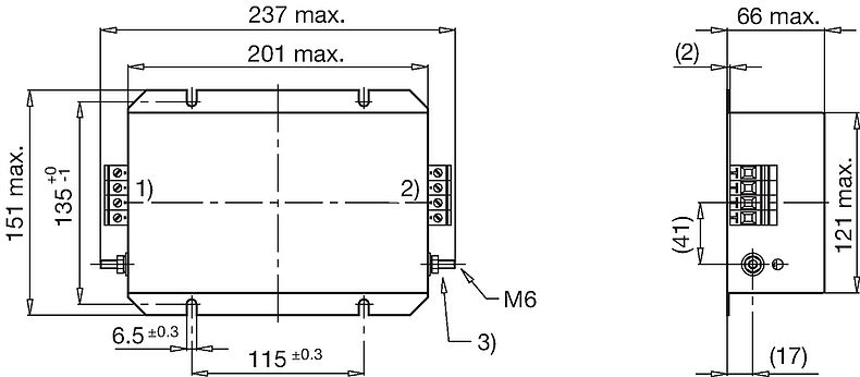
Dimension [mm]

Gehäuse 24-4

1) Netz
2) Last
3) Anziehdrehmoment 3...4 Nm
Gehäuse 31-4

Gehäuse 32-4

Gehäuse 32-8

Gehäuse 34-4

Gehäuse 37-4

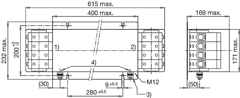
Gehäuse 53-4

1) Netz
2) Last
3) Anziehdrehmoment 3...4 Nm
4) Anziehdrehmoment 10...17 Nm
5) Kontermutter nicht lösen
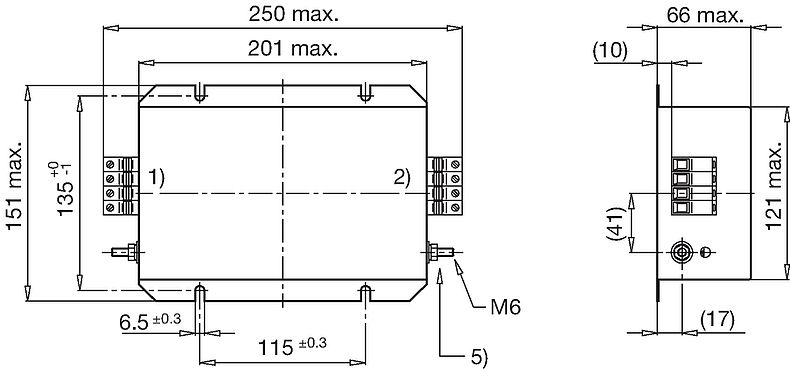
Gehäuse 54-4

Gehäuse 55-4

1) Netz
2) Last
3) Anziehdrehmoment 14...30 Nm
4) Kontermutter nicht lösen
Gehäuse 56-4

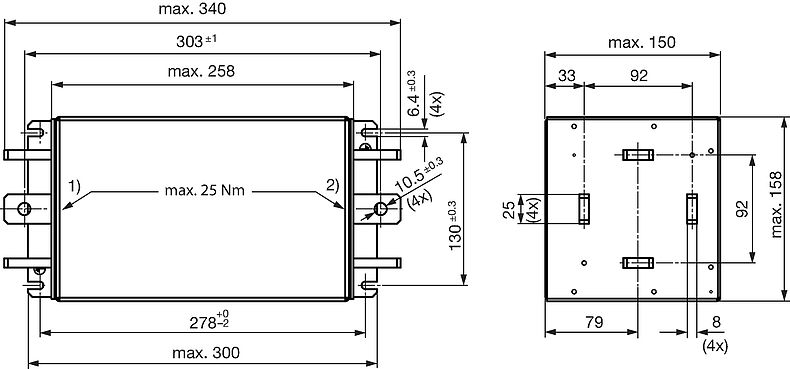
Gehäuse KQ

1) Netz
2) Last
3) Torsionsbelastung am Cu-Profil max. 25 Nm

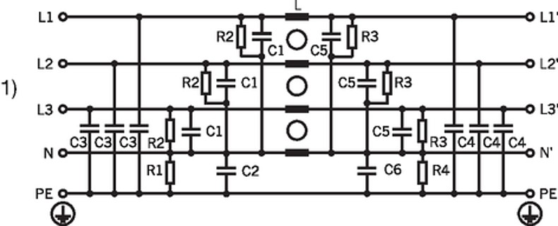
Schaltbilder

1) Netz

Derating Kurven

Zulässiger Nennstrom als Funktion der Umgebungstemperatur

Zul. Betriebsstrom in % des In
Umgebungstemperatur Tu in °C


Technische Angaben zu den Filterkomponenten

Bemessungsstrom @ Tu 40°C (75°C) [A] L [mH] C1 [μF] C2 [μF] C3 [nF] C4 [nF] C5 [μF] C6 [μF]
R1 [MΩ] R2 [MΩ] R3 [MΩ] R4 [MΩ] Filter-Typ
6 (4.8) 9 1.0 - 100 10 2.2 - - - 1 2.2 Standardversion
8 (5) 8 1.0 - 100 10 2.2 - - - 1 2.2 Standardversion
16 (9.5) 5 1.0 - 100 10 2.2 - - - 1 2.2 Standardversion
25 (13) 2.6 4.4 1 10 47 4.4 1 - 1 1 2.2 Standardversion
36 (19) 1.8 4.4 1 10 47 4.4 1 2.2 1 1 - Standardversion
50 (32) 0.8 4.4 1 10 100 4.4 1 2.2 1 1 - Standardversion
64 (34) 0.6 4.4 1 10 100 4.4 1 2.2 1 1 - Standardversion
80 (43) 0.9 6.6 1 47 100 6.6 1 2.2 1 1 - Standardversion
110 (66) 0.5 6.6 1 47 100 6.6 1 2.2 1 1 - Standardversion
180 (95) 0.25 6.6 1 47 100 6.6 1 2.2 1 1 2.2 Standardversion
250 (120) 0.2 11 1 100 100 11 1 2.2 0.5 0.5 2.2 Standardversion
550 (320) 0.2 10 1 100 100 10 1 2.2 0.5 0.5 2.2 Standardversion

Einfügungsdämpfungen

6A (FMAD-0924-0610)

8A (FMAD-0931-0810)

16A (FMAD-0931-1610)
16A (FMAD-0932-1610)
25A (FMAD-0932-2510)

36A (FMAD-0934-3610)

50A (FMAD-0934-5010)

64A (FMAD-0953-6410)

80A (FMAD-0937-8010)

110A (FMAD-0954-H110)

180A (FMAD-0955-H210)

250A FMAD-0956-H310

550A FMAD-09KQ-H650


Kurze Variantentabelle FMAD Öffne vollständige Tabelle FMAD

Bemessungsstrom @ Tu 40°C (75°C) [A] Ableitstrom [mA] @ 440V, 60Hz 1) Verlustleistung [W] Bestell-Nummer
Symbole, PCB-Layout, 3D-Modelle Kostenloses Muster

Kostenloses Muster


Gerne stellen wir Muster für Anwendungsprüfung unkompliziert zur Verfügung.
Senden Sie uns dazu Ihre Lieferadresse mit der spezifischen Anfrage zu.

Bestandsabfrage Distributor

Bestandsabfrage Distributor


Der nachfolgende Link verweist auf die Abfrage zum aktuellen Lagebestand bei den verschiedenen Distributoren für die referenzierte Bestellnummer. Damit können Sie die verfügbare Menge prüfen und gegebenfalls gleich eine Bestellung tätigen.
Die Lagerverfügbarkeit bei den Distributoren können Sie auch separat aufrufen und das gewünschte Produkt manuell eingeben.
Lagerbestand Distributor

...
 
6 (4.8) 1.3 3.9 FMAD-0924-0610 ...
8 (5) 1.3 9 FMAD-0931-0810 ...
16 (9.5) 1.3 15.4 FMAD-0931-1610 ...
16 (9.5) 1.3 15.4 FMAD-0932-1610 ...
25 (13) 8.4 11.5 FMAD-0932-2510 ...
36 (19) 8.4 21 FMAD-0934-3610 ...
50 (32) 9.0 20 FMAD-0934-5010 ...
64 (34) 9.0 27 FMAD-0953-6410 ...
80 (43) 9.7 39 FMAD-0937-8010 ...
110 (66) 9.7 58 FMAD-0954-H110 ...
180 (95) 9.7 51 FMAD-0955-H210 ...
250 (120) 10.4 62.5 FMAD-0956-H310 ...
550 (320) 10.4 36 FMAD-09KQ-H650 ...

10) Anschlusslaschen für M10

6A Version: Verpackungseinheit 2 ST

1) Ableitstrom gemäss IEC 60939-1

Verpackungseinheit 1 ST 

800800010000006009
LOADING...
Für neue Anwendungen empfehlen wir den Typ (2)

[Swipe to the left and right for more options]


02.09.2025
   
de prod Durch die Änderung der Katalogversion (Desktop&lt;&gt; Mobile), werden die gewählten Filter im Katalog zurückgesetzt