FPP-02  AC Filter für PCB Montage in flachem Gehäuse

Serie

FPP-02

AC Filter für PCB Montage in flachem Gehäuse

Kostenlose Musteranfrage

14 Varianten


Beschreibung

  • Netzfilter in standard und medizinal Ausführung
  • 1 stufig
  • Standard Dämpfung

Merkmale

  • Kostengünstige Plastikfiltergehäuse
    Ausgelegt für Standardanwendungen
  • Schutz gegen Störspannungen aus dem Netz
    Im Gerät erzeugte Störspannungen werden stark abgeschwächt
  • Für Standardanwendungen
  • Geeignet für den Einsatz in Geräten nach IEC/UL 62368-1

Weitere Ausführungen auf Anfrage

  • Version mit Litzenanschlüssen
  • Medizinalversion (M80)

Nenndaten IEC

Nenndaten IEC


Die elektrischen Nenndaten beschreiben die zugelassenen Betriebswerte für den Betriebszustand für Nennstrom und Nennspannung unter genannten Umgebungsbedingungen.
Allgemeine Angaben zu elektrischen Kennwerten von Sicherungen
Nenndaten IEC, UL/CSA Allgemeine Angaben zum Nennstom und zur Nennspannung bei EMV-Produkten
Nennspannung Nennstrom Die Werte sind unterschiedlich je nach Zulassungsstelle und sind daher in den entsprechend Zulassungsausweisen für die jeweiligen Produktfamilien entsprechend referenziert. Angaben dazu werden in den Datenblättern aufgeführt.
Suche nach Approbationsangaben für unterschiedlichen Familien
Zulassungen

0.5 - 6.5 A @ Tu 40 °C / 250 VAC; 50 Hz

Nenndaten UL/CSA

Nenndaten UL


Die elektrischen Nenndaten beschreiben die zugelassenen Betriebswerte für den Betriebszustand für Nennstrom und Nennspannung unter genannten Umgebungsbedingungen.
Allgemeine Angaben zu elektrischen Kennwerten von Sicherungen
Nenndaten IEC, UL/CSA Allgemeine Angaben zum Nennstom und zur Nennspannung bei EMV-Produkten
Nennspannung Nennstrom Die Werte sind unterschiedlich je nach Zulassungsstelle und sind daher in den entsprechend Zulassungsausweisen für die jeweiligen Produktfamilien entsprechend referenziert. Angaben dazu werden in den Datenblättern aufgeführt.
Suche nach Approbationsangaben für unterschiedlichen Familien
Zulassungen

0.5 - 6.5 A @ Tu 40 °C / 125 VAC; 60 Hz

Ableitstrom

Ableitstrom


Der Ableitstrom ist ein elektrischer Strom der in einem unerwünschten Strompfad fliesst.
In EMV-Filtern geschieht diese durch die eingesetzten Y-Kondensatoren, welche zur Störunterdrückung eingesetzt werden. Angaben zur Höhe und zur Klassifizierung von Ableitströmen sind detailliert erklärt und werden auch in den Datenblättern aufgeführt.
Ableitstrom

standard < 0.25 mA (250 V / 60 Hz)
medizinal < 5 µA (250 V / 60 Hz)

Spannungsfestigkeit

Spannungsfestigkeit


Angabe zur höchstens zulässigen Spannung, damit es nicht aufgrund einer Isolationsschädigung zu einem Spannungsdurchschlag kommt.
Spannungsfestigkeit

> 1.7 kVDC zwischen L-N
> 2.7 kVDC zwischen L/N-PE
Prüfspannung (2 sec)

Zulässige Betriebstemperatur

-25 °C bis 85 °C

Klimakategorie

Klimakategorie


Einteilung von Komponenten in Kategorien zur Beurteilung von mechanischen und elektrischen Eigenschaften.
Klimakategorie

25/085/21 gemäss IEC 60068-1

Schutzklasse

Schutzklasse


Schutzklasse I: Mit Erdverbindung; Schutzklasse II: ohne Erdverbindung

Detaillierte Information zum Thema Schutzklasse finden Sie auch in den Allgemeinen Produktinformationen
Berührungsschutz

Geeignet für Geräte der Schutzklasse I gemäss IEC 61140

Klemme

Anschlüsse


Anschlüsse gemäss neuem IEC Standard.
Detailliertere Variantenangaben sind im Datenblatt oder in Allgmeinen Technischen Informationen ersichtlich.
Klemme

Für Leiterplatten-Montage , verzinnt

Material

Thermoplast, schwarz, UL 94V-0

Netzfilter

Filter Typ


Zur Vereinfachung erfolgt die Filterklassifikation nach Ableitstrom:
Standard: < 0.5 mA
Medizinal: < 0.1 mA
Ableitstrom

Standard- und Medizinalversion, IEC 60939, UL 1283, CSA C22.2 no. 8
Technische Details

MTBF

MTBF


Der Begriff MTBF steht für die englischen Abkürzung Mean Time Between Failure und beschreibt damit die mittlere Betriebsdauer zwischen Fehlern bzw. die Zuverlässigkeit eines Bauteils. Ausgehend vom genannten Wert kann die Betriebsdauer einer Baugruppe bestimmt werden. Je höher dieser Wert ist, desto zuverlässiger ist die Komponente.
MTBF

> 200'000 h gemäss MIL-HB-217 F

Detaillierte Informationen zu Zulassungen, Normanforderungen, Verwendungshinweisen und Prüfdetails finden Sie in  Details über Zulassungen
SCHURTER Produkte sind grundsätzlich für den Einsatz im industriellen Umfeld ausgelegt. Sie verfügen über Zulassungen unabhängiger Prüfstellen gemäss nationaler und internationaler Normen.
Produkte mit spezifischen Eigenschaften und Anforderungen wie sie etwa im Bereich Automotive nach IATF 16949, der Medizintechnik gemäss ISO 13485 oder in der Luft- und Raumfahrt gefordert werden, können ausschliesslich mit kundenspezifischen, individuellen Vereinbarungen durch SCHURTER angeboten werden.


Zulassungen

Durch das Zulassungszeichen bescheinigen die Prüftstellen die Einhaltung der sicherheitstechnischen Anforderungen, die an elektronische Produkte gestellt werden.


Zulassung Referenztyp: FPP2

Zulassungslogo Zertifikat Zulassungsstelle Beschreibung
Prüfzeichen ENEC_10 VDE Ausweisnummer: 40004673
Prüfzeichen cURus UL UR Ausweisnummer: E72928


Produktnormen

Produktnormen, welche referenziert werden

Organisation Design Norm Beschreibung
Prüfzeichen IEC_Certification_Body Ausgelegt gemäss IEC 60939 Passive Filter für die Unterdrückung von elektromagnetischen Störungen
Prüfzeichen UL Ausgelegt gemäss UL 1283 Passive Filter für die Unterdrückung von elektromagnetischen Störungen
Prüfzeichen CSA_Certification_Body Ausgelegt gemäss CSA C22.2 no. 8 Filter gegen elektromagnetische Störungen (EMI)


Anwendungsnormen

Anwendungsnormen, in welchen die Produkte entsprechend verwendet werden können

Organisation Design Norm Beschreibung
Prüfzeichen IEC_Certification_Body Geeignet für Anwendungen gemäss IEC/UL 62368-1 Einrichtungen für Audio/Video-, Informations- und Kommunikationstechnik - Teil 1: Sicherheitsanforderungen
Prüfzeichen IEC_Certification_Body Geeignet für Anwendungen gemäss IEC 60601-1 Medizinische elektrische Geräte - Teil 1: Allgemeine Anforderungen an die grundlegende Sicherheit und die Leistungsfähigkeit


Konformitäten

Das Produkt ist konform mit folgenden Richtlinien

Identifikation Details Aussteller Beschreibung
Prüfzeichen CE SCHURTER AG Die CE-Kennzeichnung erklärt, dass das Produkt gemäss der EU-Vordnung 765/2008 den geltenden Anforderungen genügt, die in den Harmonisierungsrechtsvorschriften der Gemeinschaft über ihre Anbringung festgelegt sind.
Prüfzeichen Zulassung_Symbol_UKCA SCHURTER AG Die UKCA-Kennzeichnung erklärt, dass das Produkt gemäss dem Britischen Amendment zur Verordnung (EC) 765/2008 den geltenden Anforderungen genügt.
Umwelt_Sicherheit RoHS_Logo_color_CMYK_tif SCHURTER AG Richtlinie RoHS 2011/65/EU, Ergänzung (EU) 2015/863
Umwelt_Sicherheit China_RoHS_e_konform_eps SCHURTER AG Das Gesetz SJ/T 11363-2006 (China RoHS) ist seit dem 1. März 2007 in Kraft. Ähnlich wie bei der EU-Richtlinie RoHS.
Umwelt_Sicherheit REACH SCHURTER AG Am 1. Juni 2007 trat die Verordnung (EG) Nr. 1907/2006 zur Registrierung, Bewertung, Zulassung und Beschränkung chemischer Stoffe 1 (kurz: "REACH") in Kraft.
Umwelt_Sicherheit Medical SCHURTER AG Geeignet für den Einsatz in Medizinalgeräten nach IEC/UL 60601-1 (1 MOOP, 1 MOPP)

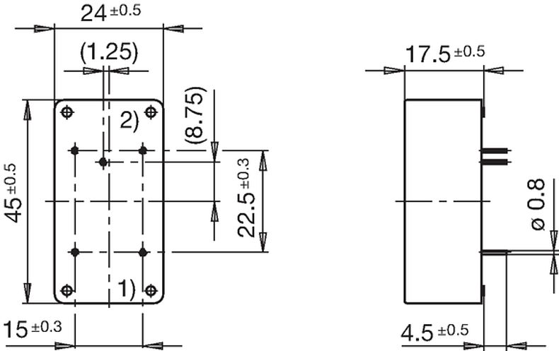
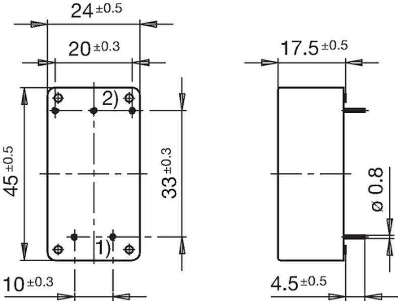
Dimension [mm]

Gehäuse 27P

1) Netz
2) Last
Gehäuse 27-1P


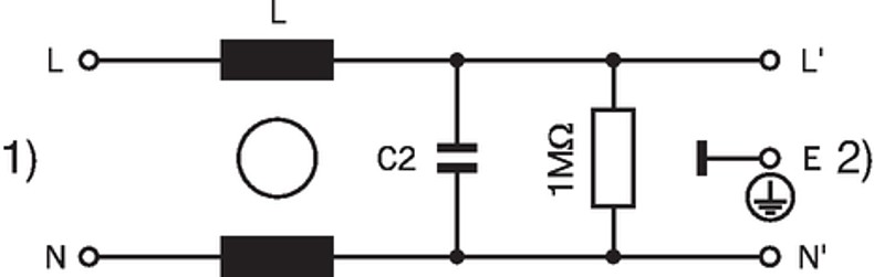
Schaltbilder

S2 Standard Version

1) Netz
2) Last
S3 Standard Version

1) Netz
2) Last
S4 Medizinal Version

1) Netz
2) Last
S5 Medizinal Version

1) Netz
2) Last

Einfügungsdämpfungen

0.5 A

1 A

1.6 A

2.5 A

4 A

6.5 A

0.8 A

0.5 A

1 A

1.6 A

2.5 A

4 A

6.5 A

0.8 A


Kurze Variantentabelle FPP-02 Öffne vollständige Tabelle FPP-02

Nennstrom [A] Filter-Typ L [mH] Bestell-Nummer
Symbole, PCB-Layout, 3D-Modelle Kostenloses Muster

Kostenloses Muster


Gerne stellen wir Muster für Anwendungsprüfung unkompliziert zur Verfügung.
Senden Sie uns dazu Ihre Lieferadresse mit der spezifischen Anfrage zu.

Bestandsabfrage Distributor

Bestandsabfrage Distributor


Der nachfolgende Link verweist auf die Abfrage zum aktuellen Lagebestand bei den verschiedenen Distributoren für die referenzierte Bestellnummer. Damit können Sie die verfügbare Menge prüfen und gegebenfalls gleich eine Bestellung tätigen.
Die Lagerverfügbarkeit bei den Distributoren können Sie auch separat aufrufen und das gewünschte Produkt manuell eingeben.
Lagerbestand Distributor

...
 
0.8 Standardversion 2 x 20 5500.2020 ...
0.5 Standardversion 2 x 40 5500.2014 ...
1 Standardversion 2 x 10 5500.2015 ...
1.6 Standardversion 2 x 6 5500.2016 ...
2.5 Standardversion 2 x 2 5500.2017 ...
4 Standardversion 2 x 1 5500.2018 ...
6.5 Standardversion 2 x 1 5500.2019 ...
0.8 Medizinalversion (M5) 2 x 20 5500.2129 ...
0.5 Medizinalversion (M5) 2 x 40 5500.2127 ...
1 Medizinalversion (M5) 2 x 10 5500.2130 ...
1.6 Medizinalversion (M5) 2 x 6 5500.2131 ...
2.5 Medizinalversion (M5) 2 x 2 5500.2132 ...
4 Medizinalversion (M5) 2 x 1 5500.2133 ...
6.5 Medizinalversion (M5) 2 x 1 5500.2128 ...

Verpackungseinheit 70 ST 

800840010000006501
LOADING...

02.09.2025
   
de prod Durch die Änderung der Katalogversion (Desktop&lt;&gt; Mobile), werden die gewählten Filter im Katalog zurückgesetzt