FPR  Geschlossener Sicherungshalter, 5 x 20 mm, Schlitz, vertikal

Serie

FPR - Zuverlässiger Sicherungshalter mit hoher Leistung für 5x20 mm Sicherungen und vertikaler Leiterplattenmontage

Geschlossener Sicherungshalter, 5 x 20 mm, Schlitz, vertikal

New_Logo Kostenlose Musteranfrage

Beschreibung

  • Für Leiterplattenmontage (THT)
  • Kompaktes Design
  • Vertikale Ausführung

Alleinstellungsmerkmale

  • Exzellentes Verhältnis von Leistung zu Grösse

Anwendungen

  • Industrieanwendungen
  • Haushaltsgeräte
  • Medizinalgeräte

Berührungsschutz Kategorie

PC2

Sicherungseinsatz

5 x 20 mm

Montage

Leiterplatte

Klemme

Löt THT

Nennspannung

250 VAC (VDE), 250 V (UL/CSA)

Nennstrom

10 A (VDE), 16 A (UL/CSA)

Nennleistungsaufnahme IEC

3.2 W / 10 A @ Tu 23 °C
Zulässige Leistungsaufnahme bei höheren Umgebungstemp. siehe Derating-Kurven

Schutzgrad

IP40

Schutzklasse

Geeignet für Geräte der Schutzklasse Schutzklasse I oder II gemäss IEC 61140

Zulässige Umgebungstemp.

-40 °C bis 85 °C

Klimakategorie

40/085/21 gemäss IEC 60068-1

Material: Sockel

Thermoplast, schwarz, UL 94V-0

Material: Anschlüsse

Kupferlegierung, verzinnt

Einzelgewicht

7 g

Lagerbedingungen

0 °C bis 60 °C, max. 70% r.F.

Stempelung

Schurter, Typ, Prüfzeichen

Lötverfahren

Welle
Lötprofil

Lötbarkeit

245 °C / 3 sec gemäss IEC 60068-2-20, Test Ta, Methode 1

Lötwärmebeständigkeit

260 °C / 10 sec gemäss IEC 60068-2-20, Test Tb, Methode 1A

Kontaktwiderstand

≤ 10 mΩ bei 100 mA gemäss IEC 60127-6

Spannungsfestigkeit

> 3 kV zwischen spannungsführenden Teilen

Stossspannungsfestigkeit

> 4 kV zwischen spannungsführenden Teilen

Isolationswiderstand

≥ 20 MΩ zwischen spannungsführenden Teilen
(500 VDC: 1 min)

Überspannungskategorie

III gemäss IEC 60664-1

Verschmutzungsgrad

3 gemäss IEC 60664-1

Vibrationsbeständigkeit

gemäss IEC 60068-2-6, Test Fc

Andrehmoment der Mutter

Sicherungsträger: 0.4 Nm

Detaillierte Informationen zu Zulassungen, Normanforderungen, Verwendungshinweisen und Prüfdetails finden Sie in  Details über Zulassungen
SCHURTER Produkte sind grundsätzlich für den Einsatz im industriellen Umfeld ausgelegt. Sie verfügen über Zulassungen unabhängiger Prüfstellen gemäss nationaler und internationaler Normen.
Produkte mit spezifischen Eigenschaften und Anforderungen wie sie etwa im Bereich Automotive nach IATF 16949, der Medizintechnik gemäss ISO 13485 oder in der Luft- und Raumfahrt gefordert werden, können ausschliesslich mit kundenspezifischen, individuellen Vereinbarungen durch SCHURTER angeboten werden.


Zulassungen

Durch das Zulassungszeichen bescheinigen die Prüftstellen die Einhaltung der sicherheitstechnischen Anforderungen, die an elektronische Produkte gestellt werden.


Zulassung Referenztyp: FPR

Zulassungslogo Zertifikat Zulassungsstelle Beschreibung
Prüfzeichen VDE_Fertigungsueberwachung VDE VDE Ausweisnummer: 40057837
Prüfzeichen cURus UL UR Ausweisnummer: E39328


Produktnormen

Produktnormen, welche referenziert werden

Organisation Design Norm Beschreibung
Prüfzeichen IEC_Certification_Body Ausgelegt gemäss IEC 60127-6 Geräteschutzsicherungen - Teil 6: G-Sicherungshalter für G-Sicherungseinsätze
Prüfzeichen UL Ausgelegt gemäss UL 4248-1 Industrielle Regeleinrichtungen
Prüfzeichen CSA_Certification_Body Ausgelegt gemäss CSA C22.2 no. 4248.1 Industrielle Regeleinrichtungen


Anwendungsnormen

Anwendungsnormen, in welchen die Produkte entsprechend verwendet werden können

Organisation Design Norm Beschreibung
Prüfzeichen IEC_Certification_Body Geeignet für Anwendungen gemäss IEC/UL 62368-1 Einrichtungen für Audio/Video-, Informations- und Kommunikationstechnik - Teil 1: Sicherheitsanforderungen
Prüfzeichen IEC_Certification_Body Geeignet für Anwendungen gemäss IEC 60335-1 Sicherheit elektrischer Geräte für den Hausgebrauch und ähnliche Zwecke. Erfüllt die Anforderungen für Geräte in unbeaufsichtigtem Betrieb. Dies beinhaltet die verschärften Glühdrahtanforderungen nach IEC 60695-2-11 oder -12 & -13.


Konformitäten

Das Produkt ist konform mit folgenden Richtlinien

Identifikation Details Aussteller Beschreibung
Prüfzeichen CE SCHURTER AG Die CE-Kennzeichnung erklärt, dass das Produkt gemäss der EU-Vordnung 765/2008 den geltenden Anforderungen genügt, die in den Harmonisierungsrechtsvorschriften der Gemeinschaft über ihre Anbringung festgelegt sind.
Prüfzeichen Zulassung_Symbol_UKCA SCHURTER AG Die UKCA-Kennzeichnung erklärt, dass das Produkt gemäss dem Britischen Amendment zur Verordnung (EC) 765/2008 den geltenden Anforderungen genügt.
Umwelt_Sicherheit RoHS_Logo_color_CMYK_tif SCHURTER AG Richtlinie RoHS 2011/65/EU, Ergänzung (EU) 2015/863
Umwelt_Sicherheit China_RoHS_e_konform_eps SCHURTER AG Das Gesetz SJ/T 11363-2006 (China RoHS) ist seit dem 1. März 2007 in Kraft. Ähnlich wie bei der EU-Richtlinie RoHS.
Umwelt_Sicherheit REACH SCHURTER AG Am 1. Juni 2007 trat die Verordnung (EG) Nr. 1907/2006 zur Registrierung, Bewertung, Zulassung und Beschränkung chemischer Stoffe 1 (kurz: "REACH") in Kraft.
Umwelt_Sicherheit Glow_Wire_Proof SCHURTER AG Erfüllt die Anforderungen von IEC 60335-1 für Geräte in unbeaufsichtigtem Betrieb. Dies beinhaltet die verschärften Glühdrahtanforderungen nach IEC 60695-2-11 oder -12 & -13.

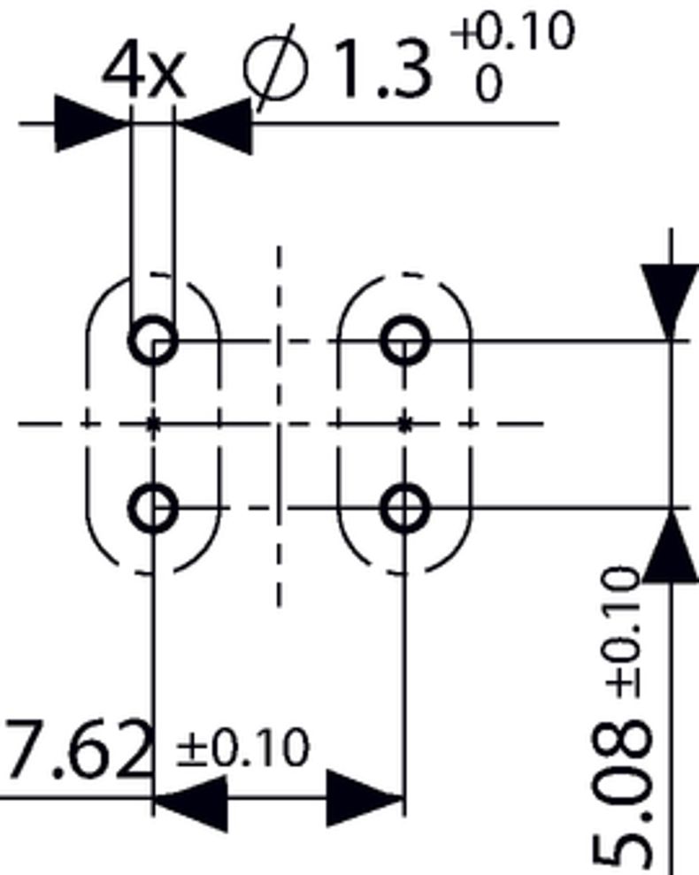
Dimension [mm]


Derating Kurven

nach IEC

Zul. Leistungsaufnahme in Watt
Umgebungstemperatur Tu in °C


Kurze Variantentabelle FPR Öffne vollständige Tabelle FPR

Halter Kappe Klemme Bestell-Nummer
Symbole, PCB-Layout, 3D-Modelle Kostenloses Muster

Kostenloses Muster


Gerne stellen wir Muster für Anwendungsprüfung unkompliziert zur Verfügung.
Senden Sie uns dazu Ihre Lieferadresse mit der spezifischen Anfrage zu.

Bestandsabfrage Distributor

Bestandsabfrage Distributor


Der nachfolgende Link verweist auf die Abfrage zum aktuellen Lagebestand bei den verschiedenen Distributoren für die referenzierte Bestellnummer. Damit können Sie die verfügbare Menge prüfen und gegebenfalls gleich eine Bestellung tätigen.
Die Lagerverfügbarkeit bei den Distributoren können Sie auch separat aufrufen und das gewünschte Produkt manuell eingeben.
Lagerbestand Distributor

...
 
mit Schlitz Leiterplattenanschlüsse THT 3-127-700 ...

Verpackungseinheit Kartonschachtel 186 x 91 x 91 mm (100 St.)

010020100000000617
LOADING...

08.09.2025
   
de prod Durch die Änderung der Katalogversion (Desktop<> Mobile), werden die gewählten Filter im Katalog zurückgesetzt