IS  Impulstransformatoren für SMD Montage

Serie

IS

Impulstransformatoren für SMD Montage

Kostenlose Musteranfrage

14 Varianten


Beschreibung

  • Hohe Isolationsfestigkeit von mindestens 3.2 kVAC zwischen Primär- und Sekundärwicklung
  • Hohe Isolationsfestigkeit von mindestens 500V zwischen den Sekundärwindungen
  • Kleine Koppelkapazitäten zwischen Primär- und Sekundärwicklung
  • Praktisch unbegrenzte Lebensdauer durch definierte Teilentladungsspannung

Anwendungen

  • Galvanische Trennung von Steuerkreis und Leistungsteil
  • Zünden von Tyristoren, Triacs, Leistungstransistoren oder IGBTs
  • DC/DC Konverter
  • Koppeltransformatoren für High-speed Datenübertragung

Bemessungsspannung

bis zu 600 VAC

Spannungszeitfläche

150 - 400 Vµs

Anstiegszeit

0.05 - 1.5 µs

Windungsverhältnis

1:1, 2:1, 1:1:1

Anschlusstechnik

SMD 

Gewicht

3 - 10 g

Material

UL 94V-0 

Vergussmasse

UL 94V-0 

Klimakategorie

25/100/21 gemäss IEC 60068-1

Umgebungstemperatur

-25 °C bis 100 °C

Detaillierte Informationen zu Zulassungen, Normanforderungen, Verwendungshinweisen und Prüfdetails finden Sie in  Details über Zulassungen
SCHURTER Produkte sind grundsätzlich für den Einsatz im industriellen Umfeld ausgelegt. Sie verfügen über Zulassungen unabhängiger Prüfstellen gemäss nationaler und internationaler Normen.
Produkte mit spezifischen Eigenschaften und Anforderungen wie sie etwa im Bereich Automotive nach IATF 16949, der Medizintechnik gemäss ISO 13485 oder in der Luft- und Raumfahrt gefordert werden, können ausschliesslich mit kundenspezifischen, individuellen Vereinbarungen durch SCHURTER angeboten werden.


Anwendungsnormen

Anwendungsnormen, in welchen die Produkte entsprechend verwendet werden können

Organisation Design Norm Beschreibung
Prüfzeichen IEC_Certification_Body Geeignet für Anwendungen gemäss IEC/UL 62368-1 Einrichtungen für Audio/Video-, Informations- und Kommunikationstechnik - Teil 1: Sicherheitsanforderungen


Konformitäten

Das Produkt ist konform mit folgenden Richtlinien

Identifikation Details Aussteller Beschreibung
Umwelt_Sicherheit RoHS_Logo_color_CMYK_tif SCHURTER AG Richtlinie RoHS 2011/65/EU, Ergänzung (EU) 2015/863
Umwelt_Sicherheit China_RoHS_e_konform_eps SCHURTER AG Das Gesetz SJ/T 11363-2006 (China RoHS) ist seit dem 1. März 2007 in Kraft. Ähnlich wie bei der EU-Richtlinie RoHS.
Umwelt_Sicherheit REACH SCHURTER AG Am 1. Juni 2007 trat die Verordnung (EG) Nr. 1907/2006 zur Registrierung, Bewertung, Zulassung und Beschränkung chemischer Stoffe 1 (kurz: "REACH") in Kraft.

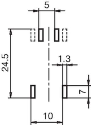
Dimension [mm]

Gehäuse 35-3S

Gehäuse 35-4S

Gehäuse 39-3S

Gehäuse 39-4S

Gehäuse 49-3S

1) Prim.
Gehäuse 49-4S

1) Prim.
Mögliches Layout für SMD-Montage
Gehäuse 35S
Mögliches Layout für SMD-Montage
Gehäuse 49S
Mögliches Layout für SMD-Montage
Gehäuse 39S

Kurze Variantentabelle IS Öffne vollständige Tabelle IS

Windungsverhältnis Tr [μs] Iign [A] Bestellnummer
Symbole, PCB-Layout, 3D-Modelle Kostenloses Muster

Kostenloses Muster


Gerne stellen wir Muster für Anwendungsprüfung unkompliziert zur Verfügung.
Senden Sie uns dazu Ihre Lieferadresse mit der spezifischen Anfrage zu.

Bestandsabfrage Distributor

Bestandsabfrage Distributor


Der nachfolgende Link verweist auf die Abfrage zum aktuellen Lagebestand bei den verschiedenen Distributoren für die referenzierte Bestellnummer. Damit können Sie die verfügbare Menge prüfen und gegebenfalls gleich eine Bestellung tätigen.
Die Lagerverfügbarkeit bei den Distributoren können Sie auch separat aufrufen und das gewünschte Produkt manuell eingeben.
Lagerbestand Distributor

...
 
1:1 0.05 0.1 ISRA-0235-D103 ...
1:1 1 0.17 ISNA-0239-D202 ...
1:1 0.05 0.1 ISRA-0249-D104 ...
1:1 1 0.1 ISNA-0249-D104 ...
1:1:1 0.05 0.1 ISRF-0235-D101 ...
1:1:1 0.9 0.1 ISNF-0135-D101 ...
1:1:1 0.5 0.5 ISRF-0239-D502 ...
1:1:1 1.5 0.17 ISNF-0239-D202 ...
1:1:1 0.05 0.1 ISRF-0249-D101 ...
1:1:1 1 0.1 ISNF-0249-D101 ...
2:1 0.5 0.5 ISRB-0239-D502 ...
2:1 1.5 0.17 ISNB-0239-D202 ...
2:1 0.05 0.1 ISRB-0249-D101 ...
2:1 1 0.1 ISNB-0249-D101 ...
800850020000006018
LOADING...

02.09.2025
   
de prod Durch die Änderung der Katalogversion (Desktop<> Mobile), werden die gewählten Filter im Katalog zurückgesetzt