NH-DIN2 - DIN2C 500V  DIN 2 C 1301.0327
DIN 2 C 1301.0327
NH-DIN2 - DIN2C 500V  DIN 2 1301.0313
DIN 2 1301.0313
NH-DIN2 - DIN2C 500V  DIN 2 C 1301.0327
NH-DIN2 - DIN2C 500V  DIN 2 1301.0313

Serie: NH-DIN2 - DIN2C 500V

Sicherungseinsatz NH-DIN2-DIN2C 500V (gG)

Kostenlose Musteranfrage

11 Varianten


Beschreibung

  • Nach IEC 269
  • Nach VDE 0636
  • Selektivität 1:1.6
  • Grifflaschen spannungsführend

Alleinstellungsmerkmale

  • Kennlinie gG
  • Ganzbereichs-Sicherungseinsätze für allgemeine Anwendungen

Nennstrom In

40-  400 A

Nennspannung

500 VAC

Ausschaltvermögen

120 kA

Bemessungs-Betriebsfrequenz fe

50 Hz

Kontaktmesser

Vollkontaktmesser, Cu versilbert 

Kennlinienbeständigkeit

auch bei Wechsellast; alterungsbeständig nach VDE 0636 

Kennmelder

Kombikennmelder 

Aufbau

Isolierkörper

Keramik 

Metallteile

korrosionsbeständig (rostfrei) 



Nennverlustleistung (Watt) betriebswarm max. Nach VDE 0636 ist die Nennverlustleistung bei Nennstrombelastung im betriebswarmen Zustand mit Wechselstrom wattmetrisch zu messen. Der Spannungsabgriff ist so zu wählen, dass die Verlustleistung in den Messerkontakten der Sicherungseinsätze mit erfasst wird, das heisst, der Spannungsabgriff muss an den Enden der Messerkontakte erfolgen. Bei dieser Messung dürfen nach VDE 0636, Teil 1 und 2 nebenstehende grösstzulässige Nennverlustleistungen nicht überschritten werden.

Detaillierte Informationen zu Zulassungen, Normanforderungen, Verwendungshinweisen und Prüfdetails finden Sie in   Details über Zulassungen


Zulassungen

Durch das Zulassungszeichen bescheinigen die Prüftstellen die Einhaltung der sicherheitstechnischen Anforderungen, die an elektronische Produkte gestellt werden.


Zulassung Referenztyp:

Zulassungslogo Zertifikat Zulassungsstelle Beschreibung
Prüfzeichen VDE VDE VDE Ausweisnummer: 40052743


Konformitäten

Das Produkt ist konform mit folgenden Richtlinien

Identifikation Details Aussteller Beschreibung
Umwelt_Sicherheit REACH SCHURTER AG Am 1. Juni 2007 trat die Verordnung (EG) Nr. 1907/2006 zur Registrierung, Bewertung, Zulassung und Beschränkung chemischer Stoffe 1 (kurz: "REACH") in Kraft.

900140120000005292
LOADING...

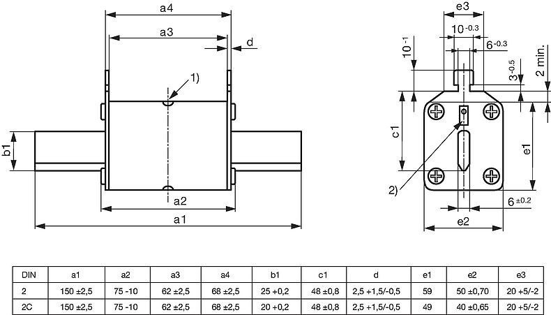
Abmessungen [mm]

1) Mittenmelder
2) Klappkennmelder

Zeit-Strom-Kennlinien

DIN2 400 A, 500V

Zeit in Sekunden
Effektivwert des Schmelzstroms (A) + - 8%

DIN2 40 - 315 A, 500V

Zeit in Sekunden
Effektivwert des Schmelzstroms (A) + - 8%

Strombegrenzungsdiagramm

Die im Diagramm angegebenen Durchlassströme sind Maximalwerte. Der prospektive Kurzschlussstrom ist der Strom, der ohne Sicherung fliessen würde.
ID␉Durchlassstrom
IG␉Abklingender Gleichstrom
IP␉Prospektiver Kurzschlussstrom (Effektivwert)
IS␉Stosskurzschlussstrom
X␉Stossfaktor (X=2 für cosφ=0; X=1 für cosφ=1)

Kurze Variantentabelle NH-DIN2 - DIN2C 500V Öffne vollständige Tabelle NH-DIN2 - DIN2C 500V

Nennstrom Bauform Verlustleistung E-Nr. A=Oft bestellt

A=Oft bestellt


Unsere oft bestellten Produkte haben folgende Vorteile:
- Sie sind bereits bei vielen Kunden im Einsatz.
- Sie sind in kurzer Frist ab Lager verfügbar.
- Es handelt sich um erprobte Produkte, oft mit hohem Reifegrad im Produktlebenszyklus.
Sie können die Verfügbarkeit all unserer Produkte in Echtzeit prüfen. Geben Sie dazu die Bestellnummer und gewünschte Menge ein:
Produktverfügbarkeit SCHURTER Kontaktieren Sie uns für die Verfügbarkeit von anderen Produktvarianten:
Kontaktformular

Kostenloses Muster

Kostenloses Muster


Gerne stellen wir Muster für Anwendungsprüfung unkompliziert zur Verfügung. Senden Sie uns dazu Ihre Lieferadresse mit der spezifischen Anfrage zu.

Bestandsabfrage Distributor

Bestandsabfrage Distributor


Der nachfolgende Link verweist auf die Abfrage zum aktuellen Lagebestand bei den verschiedenen Distributoren für die referenzierte Bestellnummer. Damit können Sie die verfügbare Menge prüfen und gegebenfalls gleich eine Bestellung tätigen.
Die Lagerverfügbarkeit bei den Distributoren können Sie auch separat aufrufen und das gewünschte Produkt manuell eingeben.
Lagerbestand Distributor

...
[A]   [Compact]   [W]            
 
40 C 3.7 840502149  A  ...
50 C 4.1 840502159  A  ...
63 C 6.8 840502179  A  ...
80 C 8.3 840502199  A  ...
100 C 10.7 840502209  A  ...
125 C 12.2 840502219  A  ...
160 C 15.0 840502239  A  ...
200 C 18.5 840502249  A  ...
250 C 20.6 840502269  A  ...
315 - 25.0 840102289  A  ...
400 - 32 840102309  A  ...

Oft verkauft.

Verpackungseinheit 3 ST 

900140120000005292
LOADING...

23.08.2023
   
de prod Durch die Änderung der Katalogversion (Desktop<> Mobile), werden die gewählten Filter im Katalog zurückgesetzt