Kostenloses Muster
Gerne stellen wir Muster für Anwendungsprüfung unkompliziert zur Verfügung.
Senden Sie uns dazu Ihre Lieferadresse mit der spezifischen Anfrage zu.
Elektrische Kennwerte
Schaltspannung
30 VAC/ 42 VDC
Schaltstrom
50 mA
Nennschaltleistung
0.12 W
Lebensdauer
> 1 Mio. Betätigungen bei Nennschaltleistung
Durchgangswiderstand
< 50 mΩ
< 150 mΩ nach Lebensdauer
Isolationswiderstand
> 100 MΩ
Prellzeit
typ. 0.15 ms
Mechanische Kennwerte
Betätigungskraft
IP40 : 1.8 ± 0.4 N
IP67 : 2.2 ± 0.4 N
Betätigungsweg
0.35 ± 0.1 mm
Endanschlagfestigkeit
> 100 N
Lebensdauer
> 1 Mio. Betätigungen
Klimatische Kennwerte
Betriebstemperatur
-40 °C bis 85 °C
Lagertemperatur
-40 °C bis 85 °C
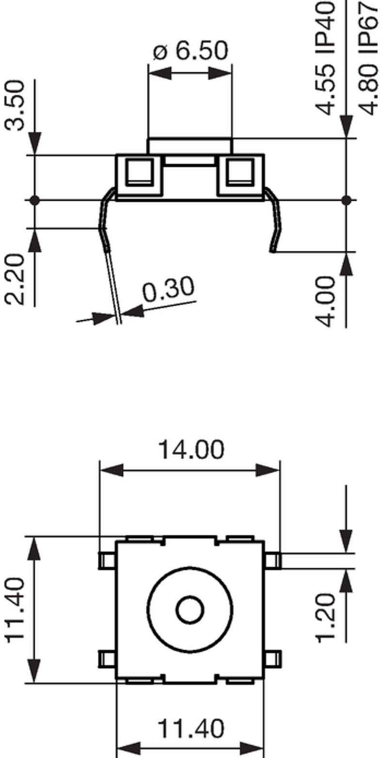
IP-Schutzgrad
IP40 / IP67
Kennwerte Löten
Lötverfahren
Welle
Lötbarkeit
245 °C / 5 sec (IEC 60068-2-58 Test Td)
Lötwärmebeständigkeit
260 °C / 10 sec (IEC 60068-2-58 Test Td)
Material
Dichtmembrane IP67
VMQ
Kontaktmaterial Gold
CuZn37 1.5 μm Ni 0.5 μm Au
Anschlüsse
CuZn37 SnNi
Sockel
Thermoplast (PA 4.6)
Betätiger
PA4
Abdeckblech
X 12 CrNi 17 7
Verlängerungskappe
Thermoplast (PC)
Detaillierte Informationen zu Zulassungen, Normanforderungen, Verwendungshinweisen und Prüfdetails finden Sie in
Details über Zulassungen
SCHURTER Produkte sind grundsätzlich für den Einsatz im industriellen Umfeld ausgelegt. Sie verfügen über Zulassungen unabhängiger Prüfstellen gemäss nationaler und internationaler Normen.
Produkte mit spezifischen Eigenschaften und Anforderungen wie sie etwa im Bereich Automotive nach IATF 16949, der Medizintechnik gemäss ISO 13485 oder in der Luft- und Raumfahrt gefordert werden, können ausschliesslich mit kundenspezifischen, individuellen Vereinbarungen durch SCHURTER angeboten werden.
Anwendungsnormen, in welchen die Produkte entsprechend verwendet werden können
| Organisation | Design | Norm | Beschreibung |
|---|---|---|---|
|
Geeignet für Anwendungen gemäss | IEC/UL 62368-1 | Einrichtungen für Audio/Video-, Informations- und Kommunikationstechnik - Teil 1: Sicherheitsanforderungen |
Das Produkt ist konform mit folgenden Richtlinien
| Identifikation | Details | Aussteller | Beschreibung |
|---|---|---|---|
|
SCHURTER AG | Richtlinie RoHS 2011/65/EU, Ergänzung (EU) 2015/863 | |
|
SCHURTER AG | Das Gesetz SJ/T 11363-2006 (China RoHS) ist seit dem 1. März 2007 in Kraft. Ähnlich wie bei der EU-Richtlinie RoHS. | |
|
SCHURTER AG | Am 1. Juni 2007 trat die Verordnung (EG) Nr. 1907/2006 zur Registrierung, Bewertung, Zulassung und Beschränkung chemischer Stoffe 1 (kurz: "REACH") in Kraft. |
| IP-Schutzgrad Frontseite | Klemme | Ausführung |
Bestell-Nummer
|
Symbole, PCB-Layout, 3D-Modelle | Kostenloses Muster Kostenloses Muster
|
Bestandsabfrage Distributor Bestandsabfrage Distributor
|
... | |||||||||||||||||||||||||||||||||||||||||||||||||||||||||||||||||||||||||||||||||||||||||||
|---|---|---|---|---|---|---|---|---|---|---|---|---|---|---|---|---|---|---|---|---|---|---|---|---|---|---|---|---|---|---|---|---|---|---|---|---|---|---|---|---|---|---|---|---|---|---|---|---|---|---|---|---|---|---|---|---|---|---|---|---|---|---|---|---|---|---|---|---|---|---|---|---|---|---|---|---|---|---|---|---|---|---|---|---|---|---|---|---|---|---|---|---|---|---|---|---|---|---|
| IP40 | - | Kurzer Betätiger | 1241.1602 |
|
- | ... | ||||||||||||||||||||||||||||||||||||||||||||||||||||||||||||||||||||||||||||||||||||||||||||
| IP67 | - | Kurzer Betätiger | 1241.1608 |
|
- | ... | ||||||||||||||||||||||||||||||||||||||||||||||||||||||||||||||||||||||||||||||||||||||||||||
| IP40 | - | Langer Betätiger | 1241.1614 |
|
- | ... | ||||||||||||||||||||||||||||||||||||||||||||||||||||||||||||||||||||||||||||||||||||||||||||
| IP67 | - | Langer Betätiger | 1241.1620 |
|
- | ... | ||||||||||||||||||||||||||||||||||||||||||||||||||||||||||||||||||||||||||||||||||||||||||||
| IP40 | - | Höhenvariabel | 1241.1624.1 |
|
- | ... | ||||||||||||||||||||||||||||||||||||||||||||||||||||||||||||||||||||||||||||||||||||||||||||
| IP40 | - | Höhenvariabel | 1241.1624.11 |
|
- | ... | ||||||||||||||||||||||||||||||||||||||||||||||||||||||||||||||||||||||||||||||||||||||||||||
| IP40 | - | Höhenvariabel | 1241.1624.2 |
|
- | ... | ||||||||||||||||||||||||||||||||||||||||||||||||||||||||||||||||||||||||||||||||||||||||||||
| IP40 | - | Höhenvariabel | 1241.1624.21 |
|
- | ... | ||||||||||||||||||||||||||||||||||||||||||||||||||||||||||||||||||||||||||||||||||||||||||||
| IP40 | - | Höhenvariabel | 1241.1624.3 |
|
- | ... | ||||||||||||||||||||||||||||||||||||||||||||||||||||||||||||||||||||||||||||||||||||||||||||
| IP40 | - | Höhenvariabel | 1241.1624.31 |
|
- | ... | ||||||||||||||||||||||||||||||||||||||||||||||||||||||||||||||||||||||||||||||||||||||||||||
| IP40 | - | Höhenvariabel | 1241.1624.4 |
|
- | ... | ||||||||||||||||||||||||||||||||||||||||||||||||||||||||||||||||||||||||||||||||||||||||||||
| IP40 | - | Höhenvariabel | 1241.1624.41 |
|
- | ... | ||||||||||||||||||||||||||||||||||||||||||||||||||||||||||||||||||||||||||||||||||||||||||||
| IP40 | - | Höhenvariabel | 1241.1624.5 |
|
- | ... | ||||||||||||||||||||||||||||||||||||||||||||||||||||||||||||||||||||||||||||||||||||||||||||
| IP40 | - | Höhenvariabel | 1241.1624.51 |
|
- | ... | ||||||||||||||||||||||||||||||||||||||||||||||||||||||||||||||||||||||||||||||||||||||||||||
| IP40 | - | Höhenvariabel | 1241.1624.6 |
|
- | ... | ||||||||||||||||||||||||||||||||||||||||||||||||||||||||||||||||||||||||||||||||||||||||||||
| IP40 | - | Höhenvariabel | 1241.1624.61 |
|
- | ... | ||||||||||||||||||||||||||||||||||||||||||||||||||||||||||||||||||||||||||||||||||||||||||||
| IP40 | - | Höhenvariabel | 1241.1624.7 |
|
- | ... | ||||||||||||||||||||||||||||||||||||||||||||||||||||||||||||||||||||||||||||||||||||||||||||
| IP40 | - | Höhenvariabel | 1241.1624.71 |
|
- | ... | ||||||||||||||||||||||||||||||||||||||||||||||||||||||||||||||||||||||||||||||||||||||||||||
| IP40 | - | Höhenvariabel | 1241.1624.8 |
|
- | ... | ||||||||||||||||||||||||||||||||||||||||||||||||||||||||||||||||||||||||||||||||||||||||||||
| IP40 | - | Höhenvariabel | 1241.1624.81 |
|
- | ... | ||||||||||||||||||||||||||||||||||||||||||||||||||||||||||||||||||||||||||||||||||||||||||||
| IP67 | - | Höhenvariabel | 1241.1625.1 |
|
- | ... | ||||||||||||||||||||||||||||||||||||||||||||||||||||||||||||||||||||||||||||||||||||||||||||
| IP67 | - | Höhenvariabel | 1241.1625.11 |
|
- | ... | ||||||||||||||||||||||||||||||||||||||||||||||||||||||||||||||||||||||||||||||||||||||||||||
| IP67 | - | Höhenvariabel | 1241.1625.2 |
|
- | ... | ||||||||||||||||||||||||||||||||||||||||||||||||||||||||||||||||||||||||||||||||||||||||||||
| IP67 | - | Höhenvariabel | 1241.1625.21 |
|
- | ... | ||||||||||||||||||||||||||||||||||||||||||||||||||||||||||||||||||||||||||||||||||||||||||||
| IP67 | - | Höhenvariabel | 1241.1625.3 |
|
- | ... | ||||||||||||||||||||||||||||||||||||||||||||||||||||||||||||||||||||||||||||||||||||||||||||
| IP67 | - | Höhenvariabel | 1241.1625.31 |
|
- | ... | ||||||||||||||||||||||||||||||||||||||||||||||||||||||||||||||||||||||||||||||||||||||||||||
| IP67 | - | Höhenvariabel | 1241.1625.4 |
|
- | ... | ||||||||||||||||||||||||||||||||||||||||||||||||||||||||||||||||||||||||||||||||||||||||||||
| IP67 | - | Höhenvariabel | 1241.1625.41 |
|
- | ... | ||||||||||||||||||||||||||||||||||||||||||||||||||||||||||||||||||||||||||||||||||||||||||||
| IP67 | - | Höhenvariabel | 1241.1625.5 |
|
- | ... | ||||||||||||||||||||||||||||||||||||||||||||||||||||||||||||||||||||||||||||||||||||||||||||
| IP67 | - | Höhenvariabel | 1241.1625.51 |
|
- | ... | ||||||||||||||||||||||||||||||||||||||||||||||||||||||||||||||||||||||||||||||||||||||||||||
| IP67 | - | Höhenvariabel | 1241.1625.6 |
|
- | ... | ||||||||||||||||||||||||||||||||||||||||||||||||||||||||||||||||||||||||||||||||||||||||||||
| IP67 | - | Höhenvariabel | 1241.1625.61 |
|
- | ... | ||||||||||||||||||||||||||||||||||||||||||||||||||||||||||||||||||||||||||||||||||||||||||||
| IP67 | - | Höhenvariabel | 1241.1625.7 |
|
- | ... | ||||||||||||||||||||||||||||||||||||||||||||||||||||||||||||||||||||||||||||||||||||||||||||
| IP67 | - | Höhenvariabel | 1241.1625.71 |
|
- | ... | ||||||||||||||||||||||||||||||||||||||||||||||||||||||||||||||||||||||||||||||||||||||||||||
| IP67 | - | Höhenvariabel | 1241.1625.8 |
|
- | ... | ||||||||||||||||||||||||||||||||||||||||||||||||||||||||||||||||||||||||||||||||||||||||||||
| IP67 | - | Höhenvariabel | 1241.1625.81 |
|
- | ... | ||||||||||||||||||||||||||||||||||||||||||||||||||||||||||||||||||||||||||||||||||||||||||||
|
Ab 14.50 mm werden die Höhen mit einer zusätzlichen (zweiten) Verlängerungskappe in schwarzer Farbe realisiert |
||||||||||||||||||||||||||||||||||||||||||||||||||||||||||||||||||||||||||||||||||||||||||||||||||
| Verpackungseinheit | lose geschüttet (100 St.) |