PSE AE 30  PSE M30 AE AI Anzeigeelement
PSE M30 AE AI Anzeigeelement
PSE AE 30  Anzeigeelement
PSE AE 30  PSE M30 AE AI Anzeigeelement
PSE AE 30  Anzeigeelement

Serie: PSE AE 30

Anzeigeelement

Kostenlose Musteranfrage

3 Varianten


Beschreibung

  • Die Anzeigeelemente sind erhältlich mit Beschriftung, Ringbeleuchtung oder Flächenbeleuchtung
  • RGB, RGY: mit flexibler Eingangsspannung von 5 - 28 VDC bei gleichbleibender Helligkeit
  • In den Farbkombinationen RGB sowie RGY
  • In der RGB-Konfiguration sind 7 Farben möglich
  • In der RGY-Konfiguration sind 3 Farben möglich
  • Mit vorhandenen Piezo-Taster-Varianten kombinierbar
  • Litzenanschluss

Alleinstellungsmerkmale

  • Vielzahl an Gestaltungsmöglichkeiten betreffend Grösse, Farbe, Material und Anschlüsse
  • Hohe Zuverlässigkeit, lange Lebensdauer
  • Mit RGB oder RGY Ringbeleuchtung oder Flächenbeleuchtung

Merkmale

  • Für den Einsatz in rauer Umgebung im Innen- und Aussenbereich␉(siehe technische Daten)

Elektrische Kennwerte

ESD-Schutzklassse

8 kV Klasse 3B

Versorgungsspannung

Punktbeleuchtung ohne Vorwiderstand

Versorgungsspannung RGB

5 - 28 VDC

Mechanische Kennwerte

Anzugsdrehmoment

2.5 Nm

IK-Schutzklasse

IK02 

Klimatische Kennwerte

Betriebstemperatur

-40 bis 85 °C

Lagertemperatur

-40 bis 85 °C

IP-Schutzgrad

IP67 gemäss IEC 60529,  IP69K gemäss DIN 40050-9

Umweltprüfung

+55°C␣/  93% r.F. gemäss DIN EN 60068-2-30

Salznebelprüfung (nach DIN 50021-SS)

24 h / 48 h / 96 h Einwirkzeit 

Material

Gehäuse

Aluminium eloxiert 

Dichtring

NBR70 

Mutter

Stahl verzinkt 

Detaillierte Informationen zu Zulassungen, Normanforderungen, Verwendungshinweisen und Prüfdetails finden Sie in  Details über Zulassungen
SCHURTER Produkte sind grundsätzlich für den Einsatz im industriellen Umfeld ausgelegt. Sie verfügen über Zulassungen unabhängiger Prüfstellen gemäss nationaler und internationaler Normen.
Produkte mit spezifischen Eigenschaften und Anforderungen wie sie etwa im Bereich Automotive nach IATF 16949, der Medizintechnik gemäss ISO 13485 oder in der Luft- und Raumfahrt gefordert werden, können ausschliesslich mit kundenspezifischen, individuellen Vereinbarungen durch SCHURTER angeboten werden.


Anwendungsnormen

Anwendungsnormen, in welchen die Produkte entsprechend verwendet werden können

Organisation Design Norm Beschreibung
Prüfzeichen MIL_Standard Geeignet für Anwendungen gemäss MIL-STD: 202F Method 107G, 202F Method 204D, 202F Method 213B, 416D Method RS103, 810E Method 501.3, 810E Method 502.3, 810E Method 507.3
Prüfzeichen VDE_Standard Geeignet für Anwendungen gemäss VDE Ausweisnummer: DIN EN 61000-4-2, DIN EN 61000-4-4, DIN EN 61000-4-5
Prüfzeichen IEC_Certification_Body Geeignet für Anwendungen gemäss IEC/UL 62368-1 Einrichtungen für Audio/Video-, Informations- und Kommunikationstechnik - Teil 1: Sicherheitsanforderungen


Konformitäten

Das Produkt ist konform mit folgenden Richtlinien

Identifikation Details Aussteller Beschreibung
Umwelt_Sicherheit RoHS_Logo_color_CMYK_tif SCHURTER AG Richtlinie RoHS 2011/65/EU, Ergänzung (EU) 2015/863
Umwelt_Sicherheit REACH SCHURTER AG Am 1. Juni 2007 trat die Verordnung (EG) Nr. 1907/2006 zur Registrierung, Bewertung, Zulassung und Beschränkung chemischer Stoffe 1 (kurz: "REACH") in Kraft.

0307001200000034390
LOADING...

Dimension [mm]

PSE AE M30 Flächenbeleuchtet

A = Leuchtfläche
PSE AE M30 Ringbeleuchtet

A = Leuchtfläche
PSE M30

Bohrplan

Schaltbilder

Ring- und Flächenbeleuchtung 12/24 VDC

A) Kabel 1 (Farbe der LEDs), Versorgungsspannung erste LED-Gruppe
B) Kabel 3 (Farbe der LEDs), Versorgungsspannung zweite LED-Gruppe
C) Kabel 2 (schwarz), gemeinsamme Masse beider LED-Gruppen
Ring- und Flächenbeleuchtung 5 VDC

A) Kabel 1 (Farbe der LEDs), Versorgungsspannung erste LED-Gruppe
B) Kabel 2 (schwarz), gemeinsamme Masse beider LED-Gruppen
C) Kabel 3 (Farbe der LEDs), Versorgungsspannung zweite LED-Gruppe
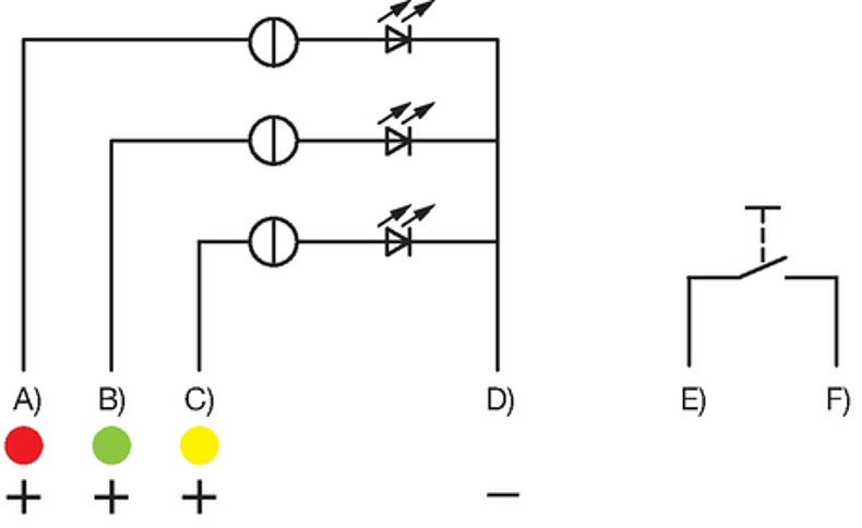
PSE AE PI

A) Doppel-LED (2 Farben, 3 Pins) oder Einfach-LED (2 Pins)
B) Kabel 1 (Farbe 1 der LED), Versorgungsspannung
C) Kabel 2 (Farbe 2 der LED), Versorgungsspannung
D) Kabel 3 (schwarz), Masse
PSE M22 / M30 RI RGY

A) Kabel (Farbe der LED), Versorgungsspannung
B) Kabel (Farbe der LED), Versorgungsspannung
C) Kabel (Farbe der LED), Versorgungsspannung
D) Kabel (schwarz), gemeinsame Masse
E) Kabel (weiss), Ein- und Ausgang MCS-Taster
F) Kabel (weiss), Ein- und Ausgang MCS-Taster
Beleuchtungsmöglichkeiten für RGY

PSE AE RGB

A) Kabel 1 (Farbe der LED), Versorgungsspannung
B) Kabel 2 (Farbe der LED), Versorgungsspannung
C) Kabel 3 (Farbe der LED), Versorgungsspannung
D) Kabel 4 (schwarz), gemeinsamme Masse
Beleuchtungsmöglichkeiten für RGB


Punktbeleuchtung

Betriebsdaten Durchlassstrom max. Durchlassspannung bei 10 mA Durchlassspannung max.
LED rot 25 mA 2.1 VDC 2.5 VDC
LED grün 25 mA 2.05 VDC 2.5 VDC
LED gelb 30 mA 2.0 VDC 2.5 VDC
Bitte beachten: Punktbeleuchtete Anzeigeelemente werden ohne Vorwiderstand geliefert.

PSE_AE_30_AI_Verpackung_ML
- Anzeigeelemente in ESD sicherer Verpackung
- Muttern und Dichtungsringe in Beutel beigelegt im Karton

Kurze Variantentabelle PSE AE 30 Öffne vollständige Tabelle PSE AE 30

Einbaudurchmesser [mm] Klemme Bestellnummer
Kostenloses Muster

Kostenloses Muster


Gerne stellen wir Muster für Anwendungsprüfung unkompliziert zur Verfügung.
Senden Sie uns dazu Ihre Lieferadresse mit der spezifischen Anfrage zu.

Bestandsabfrage Distributor

Bestandsabfrage Distributor


Der nachfolgende Link verweist auf die Abfrage zum aktuellen Lagebestand bei den verschiedenen Distributoren für die referenzierte Bestellnummer. Damit können Sie die verfügbare Menge prüfen und gegebenfalls gleich eine Bestellung tätigen.
Die Lagerverfügbarkeit bei den Distributoren können Sie auch separat aufrufen und das gewünschte Produkt manuell eingeben.
Lagerbestand Distributor

...
 
30 Litzenanschluss 1241.3532 ...
30 Litzenanschluss 1241.3671 ...
30 Litzenanschluss 1241.3672 ...
Legende:
Typ: PSE
AE = Anzeigeelement
RU = PI = Punktbeleuchtung
RI = Ringbeleuchtung
AI = Flächenbeleuchtung
Alu = Aluminium
ES = Edelstahl
F = Fingerführung
E = ohne Fingerführung
Mutter und O-Ring sind im Lieferumfang enthalten
Weitere Einbaudurchmesser, Materialien, Farben, Anschlüsse, Versorgungsspannungen möglich auf Anfrage.
Sonderwerkstoffe z.B. Marine Ausführung rostfreier Stahl für den Einsatz in salz-und chlorhaltiger Umgebung auf Anfrage.

5 VDC und 12 VDC RI Varianten auf Anfrage (MOQ 500 Stück)

Verpackungseinheit 10 ST 

0307001200000034390
LOADING...
Zubehör (1)

[Swipe to the left and right for more options]

Netzteil

Schaltnetzteil IP42 für LED- und Beleuchtungsanwendungen im Innenbereich 90~264 VAC => 24 VDC 0.34 A 8 W


22.01.2025
   
de prod Durch die Änderung der Katalogversion (Desktop<> Mobile), werden die gewählten Filter im Katalog zurückgesetzt