Kostenloses Muster
Gerne stellen wir Muster für Anwendungsprüfung unkompliziert zur Verfügung.
		
Senden Sie uns dazu Ihre Lieferadresse mit der spezifischen Anfrage zu.
	
  
 
        Nennspannung AC
240 VAC
Nennspannung DC
48 VDC
Nennstrom
4-12 A
Bedingtes Ausschaltvermögen Inc
IEC 60934: PC1, AC 240 V: 2 kA
UL / CSA: SC, AC 240 V DC 48 / 32 V: 2 kA, C1
Schutzgrad frontseitig
IP40
Minimale Lebensdauer
IEC: 200% In, cos φ 0.6: min. 50 Schaltspiele
Typische Lebensdauer
4-8 A: 150% In, cos φ 0.9:
2500 Schaltspiele
10-12 A: 150% In, cos φ 0.9:
6000 Schaltspiele
Spannungsfestigkeit
1500 VAC
Isolationswiderstand
500 VDC > 1000 MΩ
Umgebungstemperatur
5-12 A: -5 °C bis 60 °C
4 A: -5°C bis 50 °C
Lötverfahren
Welle
Lötbarkeit
245 °C / 3 sec gemäss IEC 60068-2-20 / Test Ta, Methode 1
Lötwärmebeständigkeit
260 °C / 10 sec gemäss IEC 60068-2-20 / Test Tb, Methode 1A
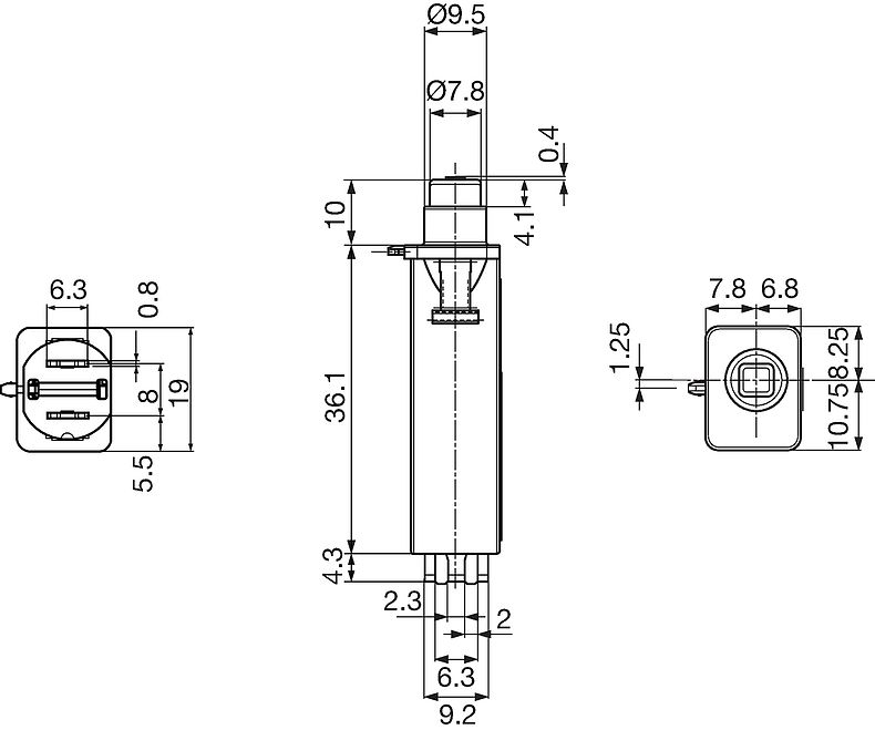
Gewicht
ca. 12.5 g
Detaillierte Informationen zu Zulassungen, Normanforderungen, Verwendungshinweisen und Prüfdetails finden Sie in 
Details über Zulassungen
SCHURTER Produkte sind grundsätzlich für den Einsatz im industriellen Umfeld ausgelegt. Sie verfügen über Zulassungen unabhängiger Prüfstellen gemäss nationaler und internationaler Normen.
Produkte mit spezifischen Eigenschaften und Anforderungen wie sie etwa im Bereich Automotive nach IATF 16949, der Medizintechnik gemäss ISO 13485 oder in der Luft- und Raumfahrt gefordert werden, können ausschliesslich mit kundenspezifischen, individuellen Vereinbarungen durch SCHURTER angeboten werden.
Durch das Zulassungszeichen bescheinigen die Prüftstellen die Einhaltung der sicherheitstechnischen Anforderungen, die an elektronische Produkte gestellt werden.
Zulassung Referenztyp: T9
| Zulassungslogo | Zertifikat | Zulassungsstelle | Beschreibung | 
|---|---|---|---|
|   | VDE | VDE Ausweisnummer: 40038016 | |
|   | UL | UR Ausweisnummer: E71572 | |
|   | CCC | CCC Ausweisnummer: 2024010307702466 | 
Produktnormen, welche referenziert werden
| Organisation | Design | Norm | Beschreibung | 
|---|---|---|---|
|   | Ausgelegt gemäss | IEC 60934 | Geräteschutzschalter | 
|   | Ausgelegt gemäss | UL 1077 | Standard für Zusatzschutzeinrichtungen zur Verwendung in elektrischen Betriebsmitteln | 
|   | Ausgelegt gemäss | CSA C22.2 No. 235 | Ergänzende Schutzvorrichtungen | 
|   | Ausgelegt gemäss | GB 17701 | Geräteschutzschalter | 
Anwendungsnormen, in welchen die Produkte entsprechend verwendet werden können
| Organisation | Design | Norm | Beschreibung | 
|---|---|---|---|
|   | Geeignet für Anwendungen gemäss | IEC/UL 62368-1 | Einrichtungen für Audio/Video-, Informations- und Kommunikationstechnik - Teil 1: Sicherheitsanforderungen | 
Das Produkt ist konform mit folgenden Richtlinien
| Identifikation | Details | Aussteller | Beschreibung | 
|---|---|---|---|
|   | SCHURTER AG | Die CE-Kennzeichnung erklärt, dass das Produkt gemäss der EU-Vordnung 765/2008 den geltenden Anforderungen genügt, die in den Harmonisierungsrechtsvorschriften der Gemeinschaft über ihre Anbringung festgelegt sind. | |
|   | SCHURTER AG | Die UKCA-Kennzeichnung erklärt, dass das Produkt gemäss dem Britischen Amendment zur Verordnung (EC) 765/2008 den geltenden Anforderungen genügt. | |
|   | SCHURTER AG | Richtlinie RoHS 2011/65/EU, Ergänzung (EU) 2015/863 | |
|   | SCHURTER AG | Das Gesetz SJ/T 11363-2006 (China RoHS) ist seit dem 1. März 2007 in Kraft. Ähnlich wie bei der EU-Richtlinie RoHS. | |
|   | SCHURTER AG | Am 1. Juni 2007 trat die Verordnung (EG) Nr. 1907/2006 zur Registrierung, Bewertung, Zulassung und Beschränkung chemischer Stoffe 1 (kurz: "REACH") in Kraft. | 
| Approbation | Nennstrom | Nennspannung AC | Nennspannung DC | |
| UL 1077 | 4 - 12 A | 240 V | 48 V | |
| CSA 22.2 235 | 4 - 12 A | 240 V | 48 V | |
| IEC 60934 | 4 - 12 A | 240 V | 48 V | |
| GB 17701 | 4 - 12 A | 240 V | 48 V | |
| Nennstrom [A] | Innenwiderstand [mΩ] | 
| 4 | 26.3 | 
| 5 | 24.1 | 
| 6 | 19.0 | 
| 7 | 18.0 | 
| 8 | 14.8 | 
| 10 | 13.0 | 
| 12 | 12.7 | 
| Umgebungstemperatur [°C] | Korrekturfaktor | 
| -5 | 0,85 | 
| +10 | 0,95 | 
| +23 | 1,00 | 
| +40 | 1,08 | 
| +60 | 1,21 | 
| Konfigurationscode | Bezeichnung | Bestellnummer | Symbole, PCB-Layout, 3D-Modelle | Kostenloses Muster Kostenloses Muster 
 | Bestandsabfrage Distributor Bestandsabfrage Distributor 
 | ... | 
|---|---|---|---|---|---|---|
| T9-817C-4 | T9, Geräteschutzschalter, Rückstelltyp, Lötart vertikal, 4.0 A | 3-101-228 |  | ... | ||
| T9-817C-5 | T9, Geräteschutzschalter, Rückstelltyp, Lötart vertikal, 5.0 A | 3-101-227 |  | ... | ||
| T9-817C-6 | T9, Geräteschutzschalter, Rückstelltyp, Lötart vertikal, 6.0 A | 3-101-226 |  | ... | ||
| T9-817C-7 | T9, Geräteschutzschalter, Rückstelltyp, Lötart vertikal, 7.0 A | 3-101-232 |  | ... | ||
| T9-817C-8 | T9, Geräteschutzschalter, Rückstelltyp, Lötart vertikal, 8.0 A | 3-101-231 |  | ... | ||
| T9-817C-10 | T9, Geräteschutzschalter, Rückstelltyp, Lötart vertikal, 10.0 A | 3-101-230 |  | ... | ||
| T9-817C-12 | T9, Geräteschutzschalter, Rückstelltyp, Lötart vertikal, 12.0 A | 3-101-229 |  | ... | 
| Verpackungseinheit | 100 ST |