TTS  Berührungsloser Taster / Schalter
TTS  Berührungsloser Taster / Schalter
TTS  Berührungsloser Taster / Schalter
TTS  Berührungsloser Taster / Schalter
TTS  Berührungsloser Taster / Schalter
TTS  Berührungsloser Taster / Schalter

Serie

TTS

Berührungsloser Taster / Schalter

New_Logo Kostenlose Musteranfrage

4 Varianten


Beschreibung

  • Berührungsloser Taster (MO¹) oder Schalter (LA)
  • Schutz gegen unbeabsichtigtes Einschalten
  • Präzises Auslösen der Schaltfunktion
  • Potentialfreie Schalteranschlüsse
  • Laserbeschriftung möglich
  • Vandalensicher

Alleinstellungsmerkmale

  • Variable Versorgungsspannung, RGB mit integriertem Vorwiderstand
  • Galvanisch getrennte Ausgänge
  • Wischen und Putzen der Oberfläche löst keinen Schaltvorgang aus

Merkmale

  • Gehäuse aus hochwertigem Edelstahl
  • Mit Ringbeleuchtung
  • Verschleissfrei, da ohne mechanischen Hub
  • Ansprechendes Design
  • Unempfindlich gegen Wasser und Regen

Elektrische Kennwerte

Schaltfunktion

Taster (MO¹) oder Schalter (LA) 

Schaltspannung

max. 42 VAC␣/  60 VDC

Schaltstrom

max. 100 mA

Schaltleistung

1 W

Schaltwiderstand offen

> 10 MΩ

Schaltwiderstand geschlossen

< 16 Ω

Versorgungsspannung LED

5 - 28 VDC

Stromverbrauch alle LEDs aus

6.0 mA (typ) / 13.0 mA (max) 
Spitze: 29 mA (Schalter geschlossen)

8.0 mA (typ) / 15.0 mA (max) 
Spitze: 34 mA (Schalter offen)

Stromverbrauch␍Beleuchtung rot, grün oder blau

10.0 mA (typ) / 17.0 mA (max) 
Spitze: 34 mA (Schalter geschlossen)

11.0 mA (typ) / 19.0 mA (max) 
Spitze: 38 mA (Schalter offen)

Stromverbrauch␍Beleuchtung gelb, cyan oder magenta

14.0 mA (typ) / 21.0 mA (max) 
Spitze: 38 mA (Schalter geschlossen)

16.0 mA (typ) / 22.0 mA (max) 
Spitze: 43 mA (Schalter offen)

Stromverbrauch␍Beleuchtung weiss

19.0 mA (typ) / 25.0 mA (max) 
Spitze: 43 mA (Schalter geschlossen)

Verpolungsschutz

ja 

Ausgang

OptoMOS Relais 

Lebensdauer

>20 Mio. Betätigungen

Anschlussart²

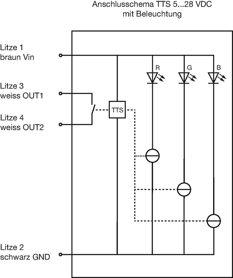
TTS zweifarbig 4 Litzen, 26AWG, 0.128 mm²
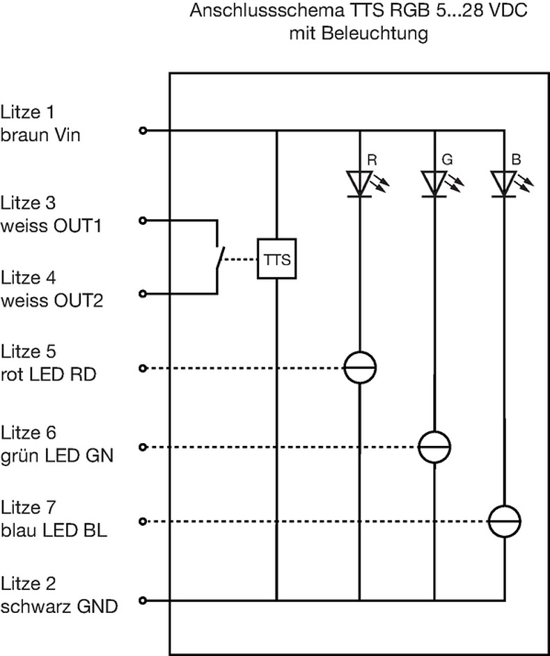
TTS RGB 6 Litzen, 26AWG, 0.128 mm² 

Mechanische Kennwerte

Betätigungsart

optisch 

Betätigungskraft

keine 

IK-Schutzklasse

IK06 

Einbautiefe

16.5 mm

Anzugsdrehmoment Kunststoffmutter

2.5 Nm

Klimatische Kennwerte

Betriebstemperatur

-30 bis 85 °C

Lagertemperatur

-40 bis 85 °C

IP-Schutzgrad Frontseite

IP67 gemäss IEC 60529

Material

Gehäuse

Edelstahl 

Leuchtring (Ringbeleuchtung)

PMMA 

Sensor Fenster

PC 

Dichtring

NBR70 

¹ kundenspezifisch auch als NC erhältlich / ² kundenspezifisch auch mit Kabel oder Stecker erhältlich

Detaillierte Informationen zu Zulassungen, Normanforderungen, Verwendungshinweisen und Prüfdetails finden Sie in  Details über Zulassungen
SCHURTER Produkte sind grundsätzlich für den Einsatz im industriellen Umfeld ausgelegt. Sie verfügen über Zulassungen unabhängiger Prüfstellen gemäss nationaler und internationaler Normen.
Produkte mit spezifischen Eigenschaften und Anforderungen wie sie etwa im Bereich Automotive nach IATF 16949, der Medizintechnik gemäss ISO 13485 oder in der Luft- und Raumfahrt gefordert werden, können ausschliesslich mit kundenspezifischen, individuellen Vereinbarungen durch SCHURTER angeboten werden.


Konformitäten

Das Produkt ist konform mit folgenden Richtlinien

Identifikation Details Aussteller Beschreibung
Prüfzeichen CE SCHURTER AG Die CE-Kennzeichnung erklärt, dass das Produkt gemäss der EU-Vordnung 765/2008 den geltenden Anforderungen genügt, die in den Harmonisierungsrechtsvorschriften der Gemeinschaft über ihre Anbringung festgelegt sind.
Prüfzeichen Zulassung_Symbol_UKCA SCHURTER AG Die UKCA-Kennzeichnung erklärt, dass das Produkt gemäss dem Britischen Amendment zur Verordnung (EC) 765/2008 den geltenden Anforderungen genügt.
Umwelt_Sicherheit RoHS_Logo_color_CMYK_tif SCHURTER AG Richtlinie RoHS 2011/65/EU, Ergänzung (EU) 2015/863
Umwelt_Sicherheit REACH SCHURTER AG Am 1. Juni 2007 trat die Verordnung (EG) Nr. 1907/2006 zur Registrierung, Bewertung, Zulassung und Beschränkung chemischer Stoffe 1 (kurz: "REACH") in Kraft.

Dimension [mm]

A␉Leuchtring
B␉Sensorfenster
C␉Gehäuse
D␉Betätiger

Massbild für RGB Varianten

A␉Leuchtring
B␉Sensorfenster
C␉Gehäuse
D␉Betätiger

Montageloch


Schaltbilder

Anschlussschema


Material Beschriftungsfarbe  
Edelstahl schwarz Schrift gefüllt
Laser-Beschriftung      
001 = A 021 = U 041 = ÷ 061 = EIN
002 = B 022 = V 042 = ✳ 062 = AUS
003 = C 023 = W 043 = = 063 = AUF
004 = D 024 = X 044 = # 064 = AB
005 = E 025 = Y 045 = ↔ 065 = ON
006 = F 026 = Z 046 = ↕ 066 = OFF
007 = G 027 = 0 047 = → 067 = UP
008 = H 028 = 1 048 = ← 068 = DOWN
009 = I 029 = 2 049 = ↓ 069 = HIGH
010 = J 030 = 3 050 = ↑ 070 = LOW
011 = K 031 = 4 051 = % 071 = ON/OFF
012 = L 032 = 5 052 = √ 072 = START
013 = M 033 = 6 053 = CTRL 073 = RESET
014 = N 034 = 7 054 = RETURN 074 = Symbol_Indize_074_Beschriftung_ES
015 = O 035 = 8 055 = SHIFT 075 = Symbol_Indize_075_Beschriftung_ES
016 = P 036 = 9 056 = LOCK 076 = Symbol_Indize_076_Beschriftung_ES
017 = Q 037 = + 057 = STOP 077 = Symbol_Indize_077_Beschriftung_ES
018 = R 038 = - 058 = ENTER  
019 = S 039 = . 059 = BACK  
020 = T 040 = x 060 = LINE  
Bitte beachten Sie, dass die Schriftgrösse abhängig ist von der Anzahl Zeichen

Kurze Variantentabelle TTS Öffne vollständige Tabelle TTS

Durchmesser [mm] Beleuchtung Beleuchtungsfarbeinaktive / aktive Bestellnummer Symbole, PCB-Layout, 3D-Modelle Kostenloses Muster

Kostenloses Muster


Gerne stellen wir Muster für Anwendungsprüfung unkompliziert zur Verfügung.
Senden Sie uns dazu Ihre Lieferadresse mit der spezifischen Anfrage zu.

Bestandsabfrage Distributor

Bestandsabfrage Distributor


Der nachfolgende Link verweist auf die Abfrage zum aktuellen Lagebestand bei den verschiedenen Distributoren für die referenzierte Bestellnummer. Damit können Sie die verfügbare Menge prüfen und gegebenfalls gleich eine Bestellung tätigen.
Die Lagerverfügbarkeit bei den Distributoren können Sie auch separat aufrufen und das gewünschte Produkt manuell eingeben.
Lagerbestand Distributor

...
               
 
22 Ringbeleuchtung Multicolor 3-135-364 ...
22 Ringbeleuchtung Multicolor 3-135-363 ...
22 Ringbeleuchtung zweifarbig␍grün / rot 3-131-913 ...
22 Ringbeleuchtung zweifarbig␍grün / rot 3-131-894 ...

Mindestbestellmenge für Standardvarianten mit oder ohne Laserbeschriftung ist 10 Stück.

Schalter und Taster (NO) sind offen nach Anlegen der Versorgungsspannung (Schutz gegen unbeabsichtigtes Einschalten)

Verpackungseinheit 10 ST 

030700290000003459
LOADING...

02.09.2025
   
de prod Durch die Änderung der Katalogversion (Desktop&lt;&gt; Mobile), werden die gewählten Filter im Katalog zurückgesetzt