CSO  Heavy duty fuse clip Solder THT terminal
Heavy duty fuse clip
Solder THT terminal
CSO  Heavy duty fuse clip Screw or rivet terminal
Heavy duty fuse clip
Screw or rivet terminal
CSO  Heavy duty fuse clip Solder THT terminal
CSO  Heavy duty fuse clip Screw or rivet terminal

Series

CSO

Heavy Duty Fuse Clip, 10.3 x 38 /10.3 x 85 mm, 1500 VAC/VDC, 32 A

New_Logo Free Sample Request

12 Variants


Description

  • Solder/screw/rivet mounting
  • For photovoltaic and other DC applications
  • Suitable gPV fuse link ASO 10.3x38

Unique Selling Proposition

  • Special copper alloy material for high efficiency
  • Very low contact resistance
  • Minimal power dissipation due to strong clamping force
  • Ideal for use in high power applications like EV-charging

Applications

  • Photovoltaic applications
  • Inverters
  • Battery charge controllers
  • String fuse holder
  • DC applications
  • E-Mobility charging stations

Fuse-Link

10.3 x 38 / 10.3 x 85 mm

Mounting

PCB

Terminal

Solder THT / screw / rivet

Rated Voltage

1500 V 

Rated current

32 A 

Admissible Ambient Temp.

-40 °C to 155 °C ¹⁾

Climatic Category

40/155/21 acc. to IEC 60068-1 ¹⁾

Material

Copper alloy, silver-plated / tin-plated ¹⁾ 

Storage Conditions

0 °C to 60 °C, max. 70% r.h.

Product Marking

Schurter, Type

Soldering Methods

Wave
Soldering Profile

Solderability

245 °C / 3 sec acc. to IEC 60068-2-20, Test Ta, method 1

Resistance to Soldering Heat

260 °C / 10 sec acc. to IEC 60068-2-20, Test Tb, method 1

Contact Resistance

≤ 1 mΩ at 100 mA

Resistance to Vibration

acc. to IEC 60068-2-6, test Fc

1) Details see table of variants

Detailed information on product approvals, code requirements, usage instructions and detailed test conditions can be looked up in  Details about Approvals
SCHURTER products are designed for use in industrial environments. They have approvals from independent testing bodies according to national and international standards. Products with specific characteristics and requirements such as required in the automotive sector according to IATF 16949, medical technology according to ISO 13485 or in the aerospace industry can be offered exclusively with customer-specific, individual agreements by SCHURTER.


Approvals

The approval mark is used by the testing authorities to certify compliance with the safety requirements placed on electronic products.


Approval Reference Type: CSO

Approval Logo Certificates Certification Body Description
Approval marks cURus UL UR File Number: E39328


Product standards

Product standards that are referenced

Organization Design Standard Description
Approval marks UL Designed according to UL 4248-1 Industrial Control Equipment
Approval marks CSA_Certification_Body Designed according to CSA C22.2 no. 4248.1 Industrial Control Equipment


Application standards

Application standards where the product can be used

Organization Design Standard Description
Approval marks IEC_Certification_Body Suitable for applications acc. IEC/UL 62368-1 Audio/video, information and communication technology equipment - Part 1: Safety requirements


Compliances

The product complies with following Guide Lines

Identification Details Initiator Description
Approval marks CE SCHURTER AG The CE marking declares that the product complies with the applicable requirements laid down in the harmonisation of Community legislation on its affixing in accordance with EU Regulation 765/2008.
Approval marks Zulassung_Symbol_UKCA SCHURTER AG The UKCA marking declares that the product complies with the applicable requirements laid down in the British Amendment of Regulation (EC) 765/2008.
Environment_Safety RoHS_Logo_color_CMYK_tif SCHURTER AG Directive RoHS 2011/65/EU, Amendment (EU) 2015/863
Environment_Safety China_RoHS_e_konform_eps SCHURTER AG The law SJ / T 11363-2006 (China RoHS) has been in force since 1 March 2007. It is similar to the EU directive RoHS.
Environment_Safety REACH SCHURTER AG On 1 June 2007, Regulation (EC) No 1907/2006 on the Registration, Evaluation, Authorization and Restriction of Chemicals 1 (abbreviated as "REACH") entered into force.

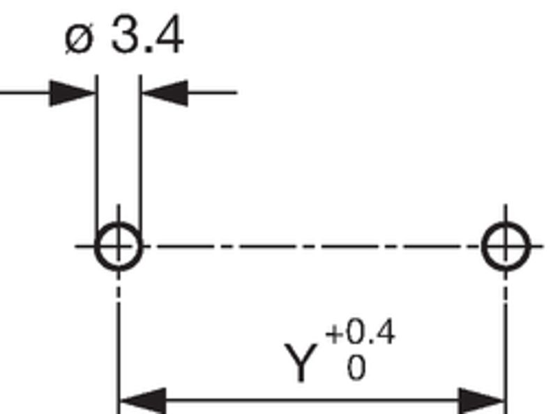
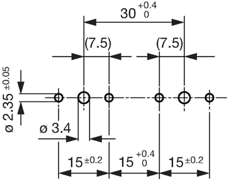
Dimension [mm]

Solder, THT
Drilling diagram
Screw or rivet version M3
For fuse type 10.3 mm x 38 mm:␉Y= 30 mm
For fuse type 10.3 mm x 85 mm:␉Y= 77 mm


Drilling diagram
Screw or rivet version M5
For fuse type 10.3 mm x 38 mm:␉Y= 30 mm
For fuse type 10.3 mm x 85 mm:␉Y= 77 mm


Drilling diagram

Derating Curves

Current [A]
Ambient Temperature [°C]


Short Table of Variants CSO Open complete table CSO

Weight Terminal Packaging Order Number
Symbols, Footprints, 3D-Models Free Sample

Free Sample


Please ask for free sample in order to check if the products meets your requirement for your application.
Send your delivery adress and your specific requirements.

Distributor Stock Check

Distributor Stock Check


The following links refers to the inquiry form for distributors stock information of the selected products. It allows checking for the available amount and optionally to place an order at your selected partner.
The stock availability at the distributors may also be called up separately and the desired product manually entered.
Stock Check Distributor

...
 
4.4 g Screw / Rivet M5 Bulk 128 x 91 x 60 mm (100 pcs.) 3-111-506 ...
4.4 g Screw / Rivet M5 Bulk 251 x 159 x 152 mm (1000 pcs.) 3-111-507 ...
4.4 g Screw / Rivet M5 Bulk 128 x 91 x 60 mm (100 pcs.) 3-124-244 ...
4.4 g Screw / Rivet M5 Bulk 251 x 159 x 152 mm (1000 pcs.) 3-124-245 ...
4.45 g Screw / Rivet M3 Bulk 128 x 91 x 60 mm (100 pcs.) 0751.0500 ...
4.45 g Screw / Rivet M3 Bulk 251 x 159 x 152 mm (1000 pcs.) 0751.0501 ...
4.45 g Screw / Rivet M3 Bulk 128 x 91 x 60 mm (100 pcs.) 0751.0502 ...
4.45 g Screw / Rivet M3 Bulk 251 x 159 x 152 mm (1000 pcs.) 0751.0503 ...
4.6 g Solder / THT Bulk 128 x 91 x 60 mm (100 pcs.) 0751.0505 ...
4.6 g Solder / THT Bulk 251 x 159 x 152 mm (1000 pcs.) 0751.0506 ...
4.6 g Solder / THT Bulk 128 x 91 x 60 mm (100 pcs.) 0751.0507 ...
4.6 g Solder / THT Bulk 251 x 159 x 152 mm (1000 pcs.) 0751.0508 ...
010020420000000585
LOADING...
Accessories (1)

[Swipe to the left and right for more options]

ESO 10.3x38

Fuse Inserter/Extractor with Cover Function for 10.3x38 mm Fuses in Clips


01.09.2025
   
de prod Durch die Änderung der Katalogversion (Desktop<> Mobile), werden die gewählten Filter im Katalog zurückgesetzt