Free Sample
Please ask for free sample in order to check if the products meets your requirement for your application.
Send your delivery adress and your specific requirements.
Important information - The CPS is not suitable for use in sanitary or other applications exposed to water or other liquids. - The housing is connected to gnd.
Electrical Data
Switching Function
momentary (NO¹) or latching
Switching Voltage
max. 42 VAC␣/ 60 VDC
Switching current
max. 100 mA
Electrical Rating
1 W
Switch Resistance OFF
> 10 MΩ
Switch Resistance ON
< 16 Ω
Supply Voltage
5 - 28 VDC
Current Consumption all LEDs off
2.5 mA (switch is open)
8.5 mA (switch is closed)
Current Consumption␍Ilumination red, green or blue
8.0 mA (switch is open)
14.0 mA (switch is closed)
Current Consumption␍Illumination yellow, cyan or magenta
14.0 mA (switch is open)
20.0 mA (switch is closed)
Current Consumption 3 LED on
19.0 mA (switch is open)
25.0 mA (switch is closed)
Reverse Polarity Protection
yes
Short Circuit Protection
yes
Output
OptoMOS Relay
Lifetime
5 million actuations
Connection type
Wires (8 wires for Multicolor, 4 wires otherwise)²; 26AWG, 0.128 mm²
Mechanical Data
Actuation Type
capacitive
Actuating Force
none
Shock Protection
IK09
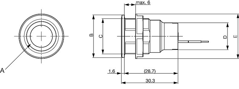
Mounting Depth
with Finger Guide: 30.3 mm
without Finger Guide: 30 mm
Tightening Torque Plastic Nut
2.5 Nm
Climatical Data
Operating Temperature
-40 to 60 °C
Storage Temperature
-40 to 85 °C
IP Protection Class Front Side
IP67 acc. to IEC 60529
Salt Spray Test (acc. to DIN 50021-SS)
24 h / 48 h / 96 h Residence Time
Material
Housing
Stainless Steel
Actuator
Area Illumination: Ceramics
Ring Illumination: Stainless steel
Illuminated Ring (Ring Illumination)
PMMA
Seal Ring
NBR70
¹ on request also available as NC / ² on request also available with cable or connector
Detailed information on product approvals, code requirements, usage instructions and detailed test conditions can be looked up in
Details about Approvals
SCHURTER products are designed for use in industrial environments. They have approvals from independent testing bodies according to national and international standards. Products with specific characteristics and requirements such as required in the automotive sector according to IATF 16949, medical technology according to ISO 13485 or in the aerospace industry can be offered exclusively with customer-specific, individual agreements by SCHURTER.
Product standards that are referenced
| Organization | Design | Standard | Description |
|---|---|---|---|
|
Designed according to | IEC 61000-6-1 | Switches for appliances. Part 1. General requirements |
Application standards where the product can be used
| Organization | Design | Standard | Description |
|---|---|---|---|
|
Suitable for applications acc. | IEC/UL 62368-1 | Audio/video, information and communication technology equipment - Part 1: Safety requirements |
The product complies with following Guide Lines
| Identification | Details | Initiator | Description |
|---|---|---|---|
|
SCHURTER AG | The CE marking declares that the product complies with the applicable requirements laid down in the harmonisation of Community legislation on its affixing in accordance with EU Regulation 765/2008. | |
|
SCHURTER AG | The UKCA marking declares that the product complies with the applicable requirements laid down in the British Amendment of Regulation (EC) 765/2008. | |
|
SCHURTER AG | Directive RoHS 2011/65/EU, Amendment (EU) 2015/863 | |
|
SCHURTER AG | On 1 June 2007, Regulation (EC) No 1907/2006 on the Registration, Evaluation, Authorization and Restriction of Chemicals 1 (abbreviated as "REACH") entered into force. |
| Material | Lettering Colour | |
| Stainless Steel | black | Filled letters |
| Ceramic | black | Filled letters |
| Diameter [mm] | Illumination | Illumination Coloractive / inactive |
Order Number
|
Symbols, Footprints, 3D-Models | Free Sample Free Sample
|
Distributor Stock Check Distributor Stock Check
|
... | |||||||||||||||||||||||||||||||||||||||||||||||||||||||||||||||||||||||||||||||||||||||||||
|---|---|---|---|---|---|---|---|---|---|---|---|---|---|---|---|---|---|---|---|---|---|---|---|---|---|---|---|---|---|---|---|---|---|---|---|---|---|---|---|---|---|---|---|---|---|---|---|---|---|---|---|---|---|---|---|---|---|---|---|---|---|---|---|---|---|---|---|---|---|---|---|---|---|---|---|---|---|---|---|---|---|---|---|---|---|---|---|---|---|---|---|---|---|---|---|---|---|---|
| 16 | Area illumination | red / green | 3-101-398 |
|
... | |||||||||||||||||||||||||||||||||||||||||||||||||||||||||||||||||||||||||||||||||||||||||||||
| 16 | Area illumination | multicolor | 3-101-394 |
|
... | |||||||||||||||||||||||||||||||||||||||||||||||||||||||||||||||||||||||||||||||||||||||||||||
| 16 | Area illumination | red / green | 3-101-395 |
|
... | |||||||||||||||||||||||||||||||||||||||||||||||||||||||||||||||||||||||||||||||||||||||||||||
| 16 | Ring Illumination | red / green | 3-101-413 |
|
... | |||||||||||||||||||||||||||||||||||||||||||||||||||||||||||||||||||||||||||||||||||||||||||||
| 16 | Ring Illumination | multicolor | 3-101-400 |
|
... | |||||||||||||||||||||||||||||||||||||||||||||||||||||||||||||||||||||||||||||||||||||||||||||
| 16 | Ring Illumination | red / green | 3-101-401 |
|
... | |||||||||||||||||||||||||||||||||||||||||||||||||||||||||||||||||||||||||||||||||||||||||||||
| 16 | Area illumination | multicolor | 3-101-397 |
|
... | |||||||||||||||||||||||||||||||||||||||||||||||||||||||||||||||||||||||||||||||||||||||||||||
| 16 | Area illumination | multicolor | 3-101-403 |
|
... | |||||||||||||||||||||||||||||||||||||||||||||||||||||||||||||||||||||||||||||||||||||||||||||
| 16 | Ring Illumination | multicolor | 3-101-412 |
|
... | |||||||||||||||||||||||||||||||||||||||||||||||||||||||||||||||||||||||||||||||||||||||||||||
| 16 | Ring Illumination | multicolor | 3-101-399 |
|
... | |||||||||||||||||||||||||||||||||||||||||||||||||||||||||||||||||||||||||||||||||||||||||||||
| 19 | Area illumination | red / green | 3-101-418 |
|
... | |||||||||||||||||||||||||||||||||||||||||||||||||||||||||||||||||||||||||||||||||||||||||||||
| 19 | Area illumination | multicolor | 3-101-415 |
|
... | |||||||||||||||||||||||||||||||||||||||||||||||||||||||||||||||||||||||||||||||||||||||||||||
| 19 | Area illumination | red / green | 3-101-416 |
|
... | |||||||||||||||||||||||||||||||||||||||||||||||||||||||||||||||||||||||||||||||||||||||||||||
| 19 | Ring Illumination | red / green | 3-101-423 |
|
... | |||||||||||||||||||||||||||||||||||||||||||||||||||||||||||||||||||||||||||||||||||||||||||||
| 19 | Ring Illumination | multicolor | 3-101-420 |
|
... | |||||||||||||||||||||||||||||||||||||||||||||||||||||||||||||||||||||||||||||||||||||||||||||
| 19 | Ring Illumination | red / green | 3-101-421 |
|
... | |||||||||||||||||||||||||||||||||||||||||||||||||||||||||||||||||||||||||||||||||||||||||||||
| 19 | Area illumination | multicolor | 3-101-417 |
|
... | |||||||||||||||||||||||||||||||||||||||||||||||||||||||||||||||||||||||||||||||||||||||||||||
| 19 | Area illumination | multicolor | 3-101-414 |
|
... | |||||||||||||||||||||||||||||||||||||||||||||||||||||||||||||||||||||||||||||||||||||||||||||
| 19 | Ring Illumination | multicolor | 3-101-422 |
|
... | |||||||||||||||||||||||||||||||||||||||||||||||||||||||||||||||||||||||||||||||||||||||||||||
| 19 | Ring Illumination | multicolor | 3-101-419 |
|
... | |||||||||||||||||||||||||||||||||||||||||||||||||||||||||||||||||||||||||||||||||||||||||||||
| 22 | Area illumination | red / green | 3-101-428 |
|
... | |||||||||||||||||||||||||||||||||||||||||||||||||||||||||||||||||||||||||||||||||||||||||||||
| 22 | Area illumination | multicolor | 3-101-425 |
|
... | |||||||||||||||||||||||||||||||||||||||||||||||||||||||||||||||||||||||||||||||||||||||||||||
| 22 | Area illumination | red / green | 3-101-426 |
|
... | |||||||||||||||||||||||||||||||||||||||||||||||||||||||||||||||||||||||||||||||||||||||||||||
| 22 | Ring Illumination | red / green | 3-101-405 |
|
... | |||||||||||||||||||||||||||||||||||||||||||||||||||||||||||||||||||||||||||||||||||||||||||||
| 22 | Ring Illumination | multicolor | 3-101-430 |
|
... | |||||||||||||||||||||||||||||||||||||||||||||||||||||||||||||||||||||||||||||||||||||||||||||
| 22 | Ring Illumination | red / green | 3-101-431 |
|
... | |||||||||||||||||||||||||||||||||||||||||||||||||||||||||||||||||||||||||||||||||||||||||||||
| 22 | Area illumination | multicolor | 3-101-427 |
|
... | |||||||||||||||||||||||||||||||||||||||||||||||||||||||||||||||||||||||||||||||||||||||||||||
| 22 | Area illumination | multicolor | 3-101-424 |
|
... | |||||||||||||||||||||||||||||||||||||||||||||||||||||||||||||||||||||||||||||||||||||||||||||
| 22 | Ring Illumination | multicolor | 3-101-404 |
|
... | |||||||||||||||||||||||||||||||||||||||||||||||||||||||||||||||||||||||||||||||||||||||||||||
| 22 | Ring Illumination | multicolor | 3-101-429 |
|
... | |||||||||||||||||||||||||||||||||||||||||||||||||||||||||||||||||||||||||||||||||||||||||||||
|
Minimum order quantity for standard variants with or without laser marking is 20 pieces. Configurations which are not listed as standard in the table above can be requested as customized variants. The configuration code can be used for customizing this product. Please contact us in case more detail information is needed. |
||||||||||||||||||||||||||||||||||||||||||||||||||||||||||||||||||||||||||||||||||||||||||||||||||
| Common parameters for all standard variants: - Housing material: stainless steel - Switching current: 100 mA - Illumination supply voltage: 5 V - 28 V (variable) - IP protection: IP67- IK protection: IK09 - Terminal connection: wires (8 wires for RGB, 4 wires otherwise), standard wire length is 200 mm |
||||||||||||||||||||||||||||||||||||||||||||||||||||||||||||||||||||||||||||||||||||||||||||||||||
| Latching and momentary NO switch are open after power-up (protection against unintended switching) NO: normaly open |
||||||||||||||||||||||||||||||||||||||||||||||||||||||||||||||||||||||||||||||||||||||||||||||||||
| Packaging unit | 10 Pcs |