CQP  Solder THT version tin-plated
Solder THT version tin-plated
CQP  Solder THT version silver-plated
Solder THT version silver-plated
CQP  Solder THT version tin-plated
CQP  Solder THT version silver-plated

Series

CQP

Heavy Duty Fuse Clip, 6.3x32 mm, 600 VAC/VDC, 32 A

Free Sample Request

2 Variants


Description

  • Solder mounting

Unique Selling Proposition

  • Unique 600 VAC/VDC and 32 A
  • Minimal power loss due to strong clamping force

Applications

  • Photovoltaic
  • Applications for high currents and voltages
  • Equipment with three-phase supply (400 VAC)

Fuse-Link

6.3 x 32 mm

Mounting

PCB

Terminal

Solder THT

Rated Voltage

600 VAC/DC 

Rated current

32 A (UL)

Admissible Ambient Temp.

-55 °C to 155 °C ¹⁾

Material: Terminals

Copper alloy, silver-plated / tin-plated ¹⁾

Storage Conditions

0 °C to 60 °C, max. 70% r.h.

Soldering Methods

Wave
Soldering Profile

Solderability

245 °C / 3 sec acc. to IEC 60068-2-20, Test Ta, method 1

Resistance to Soldering Heat

260 °C / 10 sec acc. to IEC 60068-2-20, Test Tb, method 1A

Contact Resistance

≤ 10 mΩ at 100 mA

1) Details see table of variants

Detailed information on product approvals, code requirements, usage instructions and detailed test conditions can be looked up in  Details about Approvals
SCHURTER products are designed for use in industrial environments. They have approvals from independent testing bodies according to national and international standards. Products with specific characteristics and requirements such as required in the automotive sector according to IATF 16949, medical technology according to ISO 13485 or in the aerospace industry can be offered exclusively with customer-specific, individual agreements by SCHURTER.


Approvals

The approval mark is used by the testing authorities to certify compliance with the safety requirements placed on electronic products.


Approval Reference Type: CQP

Approval Logo Certificates Certification Body Description
Approval marks cURus UL UR File Number: E39328


Product standards

Product standards that are referenced

Organization Design Standard Description
Approval marks UL Designed according to UL 4248-1 Industrial Control Equipment
Approval marks CSA_Certification_Body Designed according to CSA C22.2 no. 4248.1 Industrial Control Equipment


Application standards

Application standards where the product can be used

Organization Design Standard Description
Approval marks IEC_Certification_Body Suitable for applications acc. IEC/UL 62368-1 Audio/video, information and communication technology equipment - Part 1: Safety requirements


Compliances

The product complies with following Guide Lines

Identification Details Initiator Description
Approval marks CE SCHURTER AG The CE marking declares that the product complies with the applicable requirements laid down in the harmonisation of Community legislation on its affixing in accordance with EU Regulation 765/2008.
Approval marks Zulassung_Symbol_UKCA SCHURTER AG The UKCA marking declares that the product complies with the applicable requirements laid down in the British Amendment of Regulation (EC) 765/2008.
Environment_Safety RoHS_Logo_color_CMYK_tif SCHURTER AG Directive RoHS 2011/65/EU, Amendment (EU) 2015/863
Environment_Safety China_RoHS_e_konform_eps SCHURTER AG The law SJ / T 11363-2006 (China RoHS) has been in force since 1 March 2007. It is similar to the EU directive RoHS.
Environment_Safety REACH SCHURTER AG On 1 June 2007, Regulation (EC) No 1907/2006 on the Registration, Evaluation, Authorization and Restriction of Chemicals 1 (abbreviated as "REACH") entered into force.

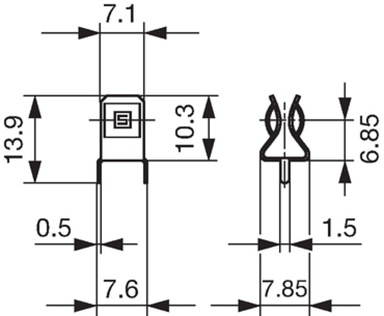
Dimension [mm]

Drilling diagram

Short Table of Variants CQP Open complete table CQP

Clip Material: Anschlüsse Admissible Ambient Temperature [°C] Order Number
Symbols, Footprints, 3D-Models Free Sample

Free Sample


Please ask for free sample in order to check if the products meets your requirement for your application.
Send your delivery adress and your specific requirements.

Distributor Stock Check

Distributor Stock Check


The following links refers to the inquiry form for distributors stock information of the selected products. It allows checking for the available amount and optionally to place an order at your selected partner.
The stock availability at the distributors may also be called up separately and the desired product manually entered.
Stock Check Distributor

...
 
Tin-plated -55 °C - 125 °C 8040.0001 ...
silver-plated -55 °C - 155 °C 8040.0003 ...

Packaging Unit    Bulk (1000 pcs.)

010020450000000676
LOADING...

01.09.2025
   
en prod By changing the catalog version (Desktop <> Mobile), the system is resetting the chosen filters