DFKH  Magnetically Compensated Choke, 1-phase, high design

Series

DFKH

Magnetically Compensated Choke, 1-phase, high design

Free Sample Request

14 Variants


Description

  • Current compensated choke
  • 1-phase choke
  • THT-terminals
  • Inductor vertically positioned in housing

Applications

  • Attenuation of common mode interferences
  • Designed for 230/400 VAC applications
  • Chopper amplifiers
  • DC drives and stepper motor controls
  • Switching power supplies

Rated voltage

up to 440 VAC

UL 250 VAC

Rated Current

0.6 - 6.3 A @ Ta 40 °C

Rated inductance

0.6 - 50 mH, Tol. -30% +50%

Power Operating Frequency

50 / 60 Hz

Terminal Type

THT 

Weight

3 - 30 g

Material

UL 94V-0 

Sealing Compound

UL 94V-0 

Test Voltage

1.8 kV, 50 Hz, 1 min, winding to winding

Isolation Voltage

2 kV eff., winding to ambient

Climatic Category

25/100/21 acc. to IEC 60068-1

Allowable Operation Temp.

-25 °C to 100 °C

Detailed information on product approvals, code requirements, usage instructions and detailed test conditions can be looked up in  Details about Approvals
SCHURTER products are designed for use in industrial environments. They have approvals from independent testing bodies according to national and international standards. Products with specific characteristics and requirements such as required in the automotive sector according to IATF 16949, medical technology according to ISO 13485 or in the aerospace industry can be offered exclusively with customer-specific, individual agreements by SCHURTER.


Approvals

The approval mark is used by the testing authorities to certify compliance with the safety requirements placed on electronic products.


Approval Reference Type: DFKH

Approval Logo Certificates Certification Body Description
Approval marks cURus UL UR File Number: E72928


Application standards

Application standards where the product can be used

Organization Design Standard Description
Approval marks IEC_Certification_Body Suitable for applications acc. IEC/UL 62368-1 Audio/video, information and communication technology equipment - Part 1: Safety requirements


Compliances

The product complies with following Guide Lines

Identification Details Initiator Description
Approval marks CE SCHURTER AG The CE marking declares that the product complies with the applicable requirements laid down in the harmonisation of Community legislation on its affixing in accordance with EU Regulation 765/2008.
Approval marks Zulassung_Symbol_UKCA SCHURTER AG The UKCA marking declares that the product complies with the applicable requirements laid down in the British Amendment of Regulation (EC) 765/2008.
Environment_Safety RoHS_Logo_color_CMYK_tif SCHURTER AG Directive RoHS 2011/65/EU, Amendment (EU) 2015/863
Environment_Safety China_RoHS_e_konform_eps SCHURTER AG The law SJ / T 11363-2006 (China RoHS) has been in force since 1 March 2007. It is similar to the EU directive RoHS.
Environment_Safety REACH SCHURTER AG On 1 June 2007, Regulation (EC) No 1907/2006 on the Registration, Evaluation, Authorization and Restriction of Chemicals 1 (abbreviated as "REACH") entered into force.

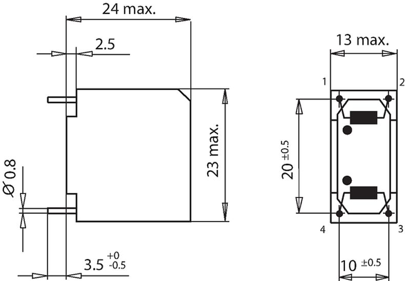
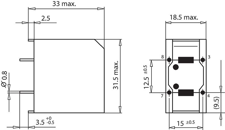
Dimension [mm]

Case 50-2, 51-2, 52-2

Case 09-2

Case 19-2


DFKH-14-xxxx

DFKH-22-xxxx

DFKH-31-xxxx


Short Table of Variants DFKH Open complete table DFKH

In [A] Ln [mH] Rcu [mΩ] Order Number
Symbols, Footprints, 3D-Models Free Sample

Free Sample


Please ask for free sample in order to check if the products meets your requirement for your application.
Send your delivery adress and your specific requirements.

Distributor Stock Check

Distributor Stock Check


The following links refers to the inquiry form for distributors stock information of the selected products. It allows checking for the available amount and optionally to place an order at your selected partner.
The stock availability at the distributors may also be called up separately and the desired product manually entered.
Stock Check Distributor

...
 
0.6 11 600 DFKH-14-0001 ...
0.6 50 1200 DFKH-31-0001 ...
1 20 500 DFKH-22-0002 ...
1 33 700 DFKH-31-0002 ...
1 4 250 DFKH-14-0002 ...
1.4 27 470 DFKH-31-0003 ...
2 1 65 DFKH-14-0003 ...
2 6 150 DFKH-22-0003 ...
2 6.8 150 DFKH-31-0005 ...
2.5 5.6 110 DFKH-31-0006 ...
4 1.5 36 DFKH-22-0004 ...
4 3.3 58 DFKH-31-0007 ...
6 2 24 DFKH-31-0008 ...
6.3 0.6 15 DFKH-22-0005 ...
800810040000006042
LOADING...

02.09.2025
   
en prod By changing the catalog version (Desktop <> Mobile), the system is resetting the chosen filters