DKFP  Magnetically compensated choke from front side Solder THT terminal
Magnetically compensated choke
from front side
Solder THT terminal
DKFP  Magnetically compensated choke from front side Solder THT terminal
Magnetically compensated choke
from front side
Solder THT terminal
DKFP  Magnetically compensated choke from front side Solder THT terminal
Magnetically compensated choke
from front side
Solder THT terminal
DKFP  Magnetically compensated choke from front side Solder THT terminal
Magnetically compensated choke
from front side
Solder THT terminal
DKFP  Magnetically compensated choke from front side Solder THT terminal
Magnetically compensated choke
from front side
Solder THT terminal
DKFP  Magnetically compensated choke from front side Solder THT terminal
Magnetically compensated choke
from front side
Solder THT terminal
DKFP  Magnetically compensated choke from front side Solder THT terminal
Magnetically compensated choke
from front side
Solder THT terminal
DKFP  Magnetically compensated choke from front side Solder THT terminal
DKFP  Magnetically compensated choke from front side Solder THT terminal
DKFP  Magnetically compensated choke from front side Solder THT terminal
DKFP  Magnetically compensated choke from front side Solder THT terminal
DKFP  Magnetically compensated choke from front side Solder THT terminal
DKFP  Magnetically compensated choke from front side Solder THT terminal
DKFP  Magnetically compensated choke from front side Solder THT terminal

Series

DKFP

Magnetically Compensated Choke, compact

Free Sample Request

88 Variants


Description

  • Current compensated choke
  • THT-terminals
  • Multiple PCB-mounting options
  • High inductance and compact dimensions
  • Multiple pin configurations

Applications

  • Attenuation of common mode interferences
  • Designed for 230/400 VAC applications
  • Chopper amplifiers
  • DC drives and stepper motor controls
  • Switching power supplies

Rated voltage

up to 250 VAC

UL 250 VAC

Rated Current

0.3 - 10 A @ Ta 40 °C

Rated inductance

0.5 - 100 mH, Tol. -30% +50%

Power Operating Frequency

50 / 60 Hz

Terminal Type

THT 

Weight

1 - 55 g

Material

UL 94V-0 

Sealing Compound

UL 94V-0 

Test Voltage

1.5 kV, 50 Hz, 1 min, winding to winding

Isolation Voltage

4 kV eff., winding to ambient

Climatic Category

40/125/56 acc. to IEC 60068-1

Allowable Operation Temp.

-40 °C to 125 °C UL -25°C

Detailed information on product approvals, code requirements, usage instructions and detailed test conditions can be looked up in  Details about Approvals
SCHURTER products are designed for use in industrial environments. They have approvals from independent testing bodies according to national and international standards. Products with specific characteristics and requirements such as required in the automotive sector according to IATF 16949, medical technology according to ISO 13485 or in the aerospace industry can be offered exclusively with customer-specific, individual agreements by SCHURTER.


Approvals

The approval mark is used by the testing authorities to certify compliance with the safety requirements placed on electronic products.


Approval Reference Type: DKFP

Approval Logo Certificates Certification Body Description
Approval marks cURus UL UR File Number: E72928


Application standards

Application standards where the product can be used

Organization Design Standard Description
Approval marks IEC_Certification_Body Suitable for applications acc. IEC/UL 62368-1 Audio/video, information and communication technology equipment - Part 1: Safety requirements


Compliances

The product complies with following Guide Lines

Identification Details Initiator Description
Approval marks CE SCHURTER AG The CE marking declares that the product complies with the applicable requirements laid down in the harmonisation of Community legislation on its affixing in accordance with EU Regulation 765/2008.
Approval marks Zulassung_Symbol_UKCA SCHURTER AG The UKCA marking declares that the product complies with the applicable requirements laid down in the British Amendment of Regulation (EC) 765/2008.
Environment_Safety RoHS_Logo_color_CMYK_tif SCHURTER AG Directive RoHS 2011/65/EU, Amendment (EU) 2015/863
Environment_Safety China_RoHS_e_konform_eps SCHURTER AG The law SJ / T 11363-2006 (China RoHS) has been in force since 1 March 2007. It is similar to the EU directive RoHS.
Environment_Safety REACH SCHURTER AG On 1 June 2007, Regulation (EC) No 1907/2006 on the Registration, Evaluation, Authorization and Restriction of Chemicals 1 (abbreviated as "REACH") entered into force.

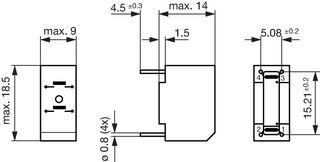
Dimensions [mm]

Case 1A

Case 1B

Case 1C

Case 1D

Case 1E

Case 2A

Case 2B

Case 2C

Case 2D

Case 2E

Case 2G

Case 2H

Case 48-2


DKFP_6248_xxxx

DKFP_A2xA_xxxx

DKFP_B2xB_xxxx

DKFP_C2xC_xxxx

DKFP_D2xD_xxxx

DKFP_E2xE_xxxx

DKFP_G22G_xxxx

DKFP_H22H_xxxx


Short Table of Variants DKFP Open complete table DKFP

In [A] Ln [mH] Rcu [mΩ] Order Number
Symbols, Footprints, 3D-Models Free Sample

Free Sample


Please ask for free sample in order to check if the products meets your requirement for your application.
Send your delivery adress and your specific requirements.

Distributor Stock Check

Distributor Stock Check


The following links refers to the inquiry form for distributors stock information of the selected products. It allows checking for the available amount and optionally to place an order at your selected partner.
The stock availability at the distributors may also be called up separately and the desired product manually entered.
Stock Check Distributor

...
 
0.3 12 1280 DKFP-A21A-D312 ...
0.3 12 1280 DKFP-A22A-D312 ...
0.3 47 1850 DKFP-C21C-D347 ...
0.3 47 1850 DKFP-C22C-D347 ...
0.4 39 1286 DKFP-B21B-D439 ...
0.4 39 1286 DKFP-B22B-D439 ...
0.5 100 3100 DKFP-G22G-D5J0 ...
0.5 27 841 DKFP-B21B-D527 ...
0.5 27 841 DKFP-B22B-D527 ...
0.5 39 880 DKFP-C21C-D539 ...
0.5 39 880 DKFP-C22C-D539 ...
0.5 4 500 DKFP-6248-D504 ...
0.5 82 2840 DKFP-E21E-D582 ...
0.5 82 2840 DKFP-E22E-D582 ...
0.6 15 453 DKFP-B21B-D615 ...
0.6 15 453 DKFP-B22B-D615 ...
0.6 4.4 380 DKFP-A21A-D64M ...
0.6 4.4 380 DKFP-A22A-D64M ...
0.6 47 1170 DKFP-D21D-D647 ...
0.6 47 1170 DKFP-D22D-D647 ...
0.8 10 336 DKFP-B21B-D810 ...
0.8 10 336 DKFP-B22B-D810 ...
0.8 27 520 DKFP-C21C-D827 ...
0.8 27 520 DKFP-C22C-D827 ...
0.8 39 955 DKFP-D21D-D839 ...
0.8 39 955 DKFP-D22D-D839 ...
0.9 2 240 DKFP-6248-0102 ...
1 15 350 DKFP-C22C-0115 ...
1 27 554 DKFP-D22D-0127 ...
1 3 200 DKFP-A21A-0103 ...
1 3 200 DKFP-A22A-0103 ...
1 33 805 DKFP-E21E-0133 ...
1 33 805 DKFP-E22E-0133 ...
1 47 950 DKFP-G22G-0147 ...
1 68 1400 DKFP-H22H-0168 ...
1.0 15 350 DKFP-C21C-0115 ...
1.0 27 554 DKFP-D21D-0127 ...
1.2 10 200 DKFP-C21C-1K10 ...
1.2 10 200 DKFP-C22C-1K10 ...
1.2 6.8 219 DKFP-B21B-1K6Q ...
1.2 6.8 219 DKFP-B22B-1K6Q ...
1.4 27 520 DKFP-E21E-1M27 ...
1.4 27 520 DKFP-E22E-1M27 ...
1.5 1.6 94 DKFP-A21A-1N1O ...
1.5 1.6 94 DKFP-A22A-1N1O ...
1.5 15 232 DKFP-D21D-1N15 ...
1.5 15 232 DKFP-D22D-1N15 ...
1.5 3.3 122 DKFP-B21B-1N3L ...
1.5 3.3 122 DKFP-B22B-1N3L ...
1.5 6.8 150 DKFP-C21C-1N6Q ...
1.5 6.8 150 DKFP-C22C-1N6Q ...
2 0.5 50 DKFP-6248-02D5 ...
2 1.1 61 DKFP-A21A-021J ...
2 1.1 61 DKFP-A22A-021J ...
2 1.8 57 DKFP-B21B-021Q ...
2 1.8 57 DKFP-B22B-021Q ...
2 10 149 DKFP-D21D-0210 ...
2 10 149 DKFP-D22D-0210 ...
2 10 245 DKFP-G22G-0210 ...
2 18 360 DKFP-H22H-0218 ...
2 4,2 92 DKFP-C21C-024K ...
2 4.2 92 DKFP-C22C-024K ...
2 6.8 200 DKFP-E21E-026Q ...
2 6.8 200 DKFP-E22E-026Q ...
2.5 3.3 93 DKFP-C21C-2N3L ...
2.5 3.3 73 DKFP-C22C-2N3L ...
2.5 6.8 101 DKFP-D21D-2N6Q ...
2.5 6.8 101 DKFP-D22D-2N6Q ...
3 2 52 DKFP-C21C-0302 ...
3 2 52 DKFP-C22C-0302 ...
3 4.2 63 DKFP-D21D-034K ...
3 4.2 63 DKFP-D22D-034K ...
4 0.7 18 DKFP-B21B-04D7 ...
4 0.7 18 DKFP-B22B-04D7 ...
4 1.5 30 DKFP-C21C-041N ...
4 1.5 30 DKFP-C22C-041N ...
4 3.3 45 DKFP-D21D-043L ...
4 3.3 62 DKFP-E21E-043L ...
4 3.3 45 DKFP-D22D-043L ...
4 3.3 62 DKFP-E22E-043L ...
4 3.9 70 DKFP-G22G-043R ...
4 6.8 100 DKFP-H22H-046Q ...
6 1.8 23 DKFP-E21E-061Q ...
6 1.8 23 DKFP-E22E-061Q ...
6 1.8 23 DKFP-G22G-061Q ...
6 3.9 46 DKFP-H22H-063R ...
8 2.7 22 DKFP-H22H-082P ...
10 1.8 13 DKFP-H22H-101Q ...
800810040000006040
LOADING...

20.01.2026
   
en prod By changing the catalog version (Desktop <> Mobile), the system is resetting the chosen filters