DKIH-4  Compensated High Current Choke, 3-phase and neutral line

Series

DKIH-4

Compensated High Current Choke, 3-phase and neutral line

Free Sample Request

14 Variants


Description

  • Current compensated choke
  • 3-phase and neutral line
  • THT-terminals
  • Flange for mounting onto printed circuit board

Unique Selling Proposition

  • Compact size and light weight
  • Open design optimizes heat dissipation
  • Nanocrystalline ring cores (NK)
  • Customer specific pin outs available

Applications

  • Frequency converter
  • Charge stations
  • UPS-systems

Rated voltage

500 VAC/VDC

760 VAC/VDC

Rated Current

10 - 40 A @ Ta 40 °C

Rated inductance

0.75 - 6.5 mH, Tol. -30% +50%

Power Operating Frequency

0 - 400 Hz

Terminal Type

THT 

Weight

100 - 165 g

Material

UL 94V-0 

Test Voltage

500 V: 2150 VDC, 2 sec, winding to winding

760 V: 3300 VDC, 2 sec, winding to winding

Climatic Category

40/100/21 acc. to IEC 60068-1

Allowable Operation Temp.

-40 °C to 100 °C

Detailed information on product approvals, code requirements, usage instructions and detailed test conditions can be looked up in  Details about Approvals
SCHURTER products are designed for use in industrial environments. They have approvals from independent testing bodies according to national and international standards. Products with specific characteristics and requirements such as required in the automotive sector according to IATF 16949, medical technology according to ISO 13485 or in the aerospace industry can be offered exclusively with customer-specific, individual agreements by SCHURTER.


Approvals

The approval mark is used by the testing authorities to certify compliance with the safety requirements placed on electronic products.


Approval Reference Type: DKIH

Approval Logo Certificates Certification Body Description


Application standards

Application standards where the product can be used

Organization Design Standard Description
Approval marks IEC_Certification_Body Suitable for applications acc. IEC/UL 62368-1 Audio/video, information and communication technology equipment - Part 1: Safety requirements


Compliances

The product complies with following Guide Lines

Identification Details Initiator Description
Environment_Safety RoHS_Logo_color_CMYK_tif SCHURTER AG Directive RoHS 2011/65/EU, Amendment (EU) 2015/863
Environment_Safety China_RoHS_e_konform_eps SCHURTER AG The law SJ / T 11363-2006 (China RoHS) has been in force since 1 March 2007. It is similar to the EU directive RoHS.
Environment_Safety REACH SCHURTER AG On 1 June 2007, Regulation (EC) No 1907/2006 on the Registration, Evaluation, Authorization and Restriction of Chemicals 1 (abbreviated as "REACH") entered into force.

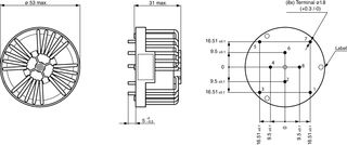
Dimensions [mm]

52-10

52-12

52-16

52-25

52-32

52-40

58-10

58-12

58-16

58-25

58-32

58-40


Diagrams


500 VAC/VDC

760 VAC/VDC


Short Table of Variants DKIH-4 Open complete table DKIH-4

In [A] Un [V] Ln [mH] Order Number
Symbols, Footprints, 3D-Models Free Sample

Free Sample


Please ask for free sample in order to check if the products meets your requirement for your application.
Send your delivery adress and your specific requirements.

Distributor Stock Check

Distributor Stock Check


The following links refers to the inquiry form for distributors stock information of the selected products. It allows checking for the available amount and optionally to place an order at your selected partner.
The stock availability at the distributors may also be called up separately and the desired product manually entered.
Stock Check Distributor

...
 
10 500 5.0 3-108-426 ...
12 500 3 3-108-427 ...
16 500 2.1 3-108-428 ...
20 500 1.35 3-108-429 ...
25 500 1.35 3-108-430 ...
32 500 0.75 3-108-431 ...
40 500 0.75 3-108-432 ...
10 760 6.5 3-108-433 ...
12 760 4.0 3-108-434 ...
16 760 3.0 3-108-435 ...
20 760 2.0 3-108-436 ...
25 760 2.0 3-108-437 ...
32 760 0.75 3-108-438 ...
40 760 0.75 3-108-439 ...

Packaging unit 20 Pcs 

800810040000006245
LOADING...

01.12.2025
   
en prod By changing the catalog version (Desktop <> Mobile), the system is resetting the chosen filters