FBS2  shuttered from front side horizontal with slot
shuttered
from front side
horizontal with slot
FBS2  Closed fuseholder 5 x 20 mm horizontal with finger grip
Closed fuseholder 5 x 20 mm
horizontal with finger grip
FBS2  open from front side horizontal with slot
open
from front side
horizontal with slot
FBS2  shuttered from front side horizontal with slot
FBS2  Closed fuseholder 5 x 20 mm horizontal with finger grip
FBS2  open from front side horizontal with slot

Series

FBS2

Shock-Safe Fuseholder, 5 x 20 mm, Slotted Cap/Fingergrip, horizontal, PC3, medical

Free Sample Request

2 Variants


Description

  • Shocksafe category PC3
  • Captive Fuse-Carrier, Slotted or Fingergrip

Applications

  • Medical Equipment

Shock-Safe Category

PC3

Fuse-Link

5 x 20 mm

Mounting

PCB

Terminal

Solder THT

Rated Voltage

250 VAC 

Rated current

6.3 A (VDE), 10 A (UL/CSA)

Rated Power Acceptance IEC

1.6 W / 6.3 A @ Ta 23 °C
Admissible power acceptance at higher ambient temperature see derating curves

Degree of Protection

IP40

Protection Class

Suitable for appliances with protection class I acc. to IEC 61140

Admissible Ambient Temp.

-40 °C to 85 °C

Climatic Category

40/085/21 acc. to IEC 60068-1

Material: Socket

Thermoplastic, black, UL 94V-0

Material: Terminals

Copper alloy, tin-plated

Storage Conditions

0 °C to 60 °C, max. 70% r.h.

Product Marking

Schurter, Rated Voltage, Power Rating, Rated current, Certification marks

Soldering Methods

Wave
Soldering Profile

Solderability

235 °C / 3 sec acc. to IEC 60068-2-20, Test Ta, method 1

Resistance to Soldering Heat

260 °C / 10 sec acc. to IEC 60068-2-20, Test Tb, method 1A

Contact Resistance

≤ 10 mΩ at 100 mA acc. to IEC 60127-6

Dielectric Strength

> 3 kV between live parts
(50 Hz: 1 min)

Impulse Withstand Voltage

> 4 kV between live parts

Insulation Resistance

> 10 MΩ between live parts
(500 VDC: 1 min)

Overvoltage Category

II acc. to IEC 60664-1

Pollution Degree

2 acc. to IEC 60664-1

Detailed information on product approvals, code requirements, usage instructions and detailed test conditions can be looked up in  Details about Approvals
SCHURTER products are designed for use in industrial environments. They have approvals from independent testing bodies according to national and international standards. Products with specific characteristics and requirements such as required in the automotive sector according to IATF 16949, medical technology according to ISO 13485 or in the aerospace industry can be offered exclusively with customer-specific, individual agreements by SCHURTER.


Approvals

The approval mark is used by the testing authorities to certify compliance with the safety requirements placed on electronic products.


Approval Reference Type: FBS2

Approval Logo Certificates Certification Body Description
Approval marks VDE VDE VDE Certificate Number: 135561
Approval marks cURus UL UR File Number: E39328


Product standards

Product standards that are referenced

Organization Design Standard Description
Approval marks IEC_Certification_Body Designed according to IEC 60127-6 Miniature fuses. Part 6. Fuse-holders for miniature fuse-links
Approval marks UL Designed according to UL 4248-1 Industrial Control Equipment
Approval marks CSA_Certification_Body Designed according to CSA C22.2 no. 4248.1 Industrial Control Equipment


Application standards

Application standards where the product can be used

Organization Design Standard Description
Approval marks IEC_Certification_Body Suitable for applications acc. IEC/UL 62368-1 Audio/video, information and communication technology equipment - Part 1: Safety requirements
Approval marks IEC_Certification_Body Suitable for applications acc. IEC 60601-1 Medical electrical equipment - Part 1: General requirements for basic safety and essential performance


Compliances

The product complies with following Guide Lines

Identification Details Initiator Description
Approval marks CE SCHURTER AG The CE marking declares that the product complies with the applicable requirements laid down in the harmonisation of Community legislation on its affixing in accordance with EU Regulation 765/2008.
Approval marks Zulassung_Symbol_UKCA SCHURTER AG The UKCA marking declares that the product complies with the applicable requirements laid down in the British Amendment of Regulation (EC) 765/2008.
Environment_Safety RoHS_Logo_color_CMYK_tif SCHURTER AG Directive RoHS 2011/65/EU, Amendment (EU) 2015/863
Environment_Safety China_RoHS_e_konform_eps SCHURTER AG The law SJ / T 11363-2006 (China RoHS) has been in force since 1 March 2007. It is similar to the EU directive RoHS.
Environment_Safety REACH SCHURTER AG On 1 June 2007, Regulation (EC) No 1907/2006 on the Registration, Evaluation, Authorization and Restriction of Chemicals 1 (abbreviated as "REACH") entered into force.
Environment_Safety Medical SCHURTER AG Suitable for use in medical equipment according to IEC/UL 60601-1 (1 MOOP, 1 MOPP)

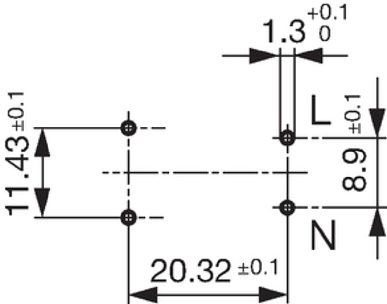
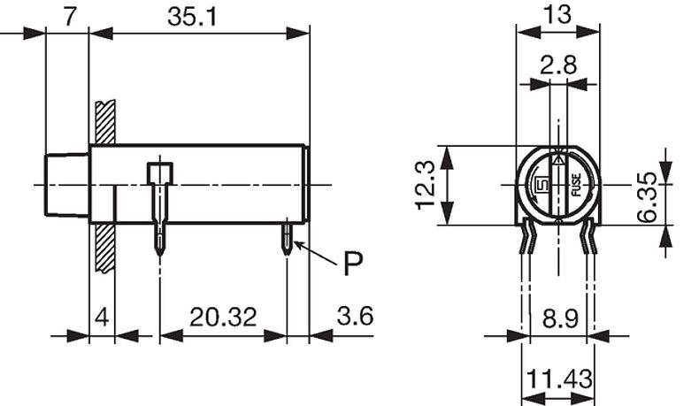
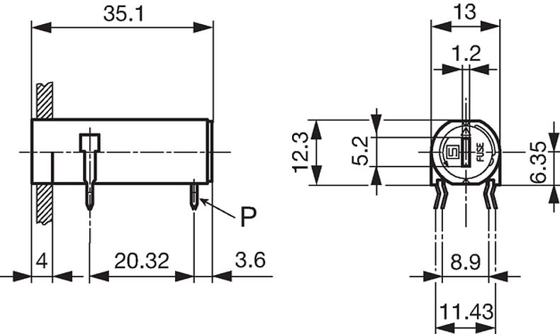
Dimension [mm]

Variant 0031.3981
Variant Fingergrip 0031.3991
Drilling diagram
Mounting holes

Derating Curves

Admissible power acceptance in Watt
Ambient air temperature Ta °C


Short Table of Variants FBS2 Open complete table FBS2

Holder Cap Terminal Order Number Symbols, Footprints, 3D-Models Free Sample

Free Sample


Please ask for free sample in order to check if the products meets your requirement for your application.
Send your delivery adress and your specific requirements.

Distributor Stock Check

Distributor Stock Check


The following links refers to the inquiry form for distributors stock information of the selected products. It allows checking for the available amount and optionally to place an order at your selected partner.
The stock availability at the distributors may also be called up separately and the desired product manually entered.
Stock Check Distributor

...
 
slotted kinked 0031.3981 ...
Fingergrip kinked 0031.3991 ...

Packaging Unit Bulk (100 pcs.)

010020100000000525
LOADING...

01.09.2025
   
en prod By changing the catalog version (Desktop <> Mobile), the system is resetting the chosen filters