PB 1151  PB 1151 Test Jack, PCB Mounting, Ø 2 mm, 6.3 A

Series

PB 1151

PB 1151 Test Jack, PCB Mounting, Ø 2 mm, 6.3 A

Free Sample Request

2 Variants


Description

  • PCB,:
  • Test Jack, Diameter 2.0 mm, 2-pole
  • measuring and testing during operation​
  • Continuous electrical connection
  • Resilient contacts, gold plated

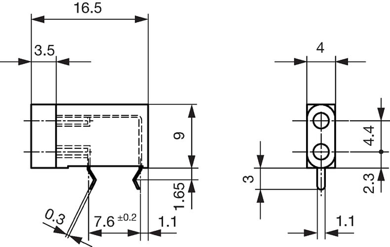
Diameter

2 mm

Rated current

6.3 A

Admissible switching power

@ 250 Insertions​:
220 W / max. 5 A or 75 VDC
440 W / max. 5 A or 50 VAC

@ 1000 Insertions​:
100 W / max. 2 A or 75 VDC
150 W / max. 5 A or 50 VAC

Contact resistance

< 7 mΩ at 20 mV

Insulation Resistance

> 5 MΩ ( 500 VDC: 1 min)

Dielectric strength

> 2 kV ( 50 Hz: 1 min)

Clearance and Creepage Distance

> 2 mm

Allowable Operation Temperature

-25 °C to 70 °C

Solderability

235 °C / 2 sec acc. to IEC 60068-2-20 , Test Ta, method 1

Resistance to Soldering Heat

260 °C / 5 sec acc. to IEC 60068-2-20 , Test Tb, method 1A

Weight

0.7 g

Material: Housing

Thermoplastic (PC), UL 94V-2

Surface of contacts

gold plated , Thickness 2.0 µm

Detailed information on product approvals, code requirements, usage instructions and detailed test conditions can be looked up in  Details about Approvals
SCHURTER products are designed for use in industrial environments. They have approvals from independent testing bodies according to national and international standards. Products with specific characteristics and requirements such as required in the automotive sector according to IATF 16949, medical technology according to ISO 13485 or in the aerospace industry can be offered exclusively with customer-specific, individual agreements by SCHURTER.


Application standards

Application standards where the product can be used

Organization Design Standard Description
Approval marks IEC_Certification_Body Suitable for applications acc. IEC/UL 62368-1 Audio/video, information and communication technology equipment - Part 1: Safety requirements


Compliances

The product complies with following Guide Lines

Identification Details Initiator Description
Environment_Safety RoHS_Logo_color_CMYK_tif SCHURTER AG Directive RoHS 2011/65/EU, Amendment (EU) 2015/863
Environment_Safety China_RoHS_e_konform_eps SCHURTER AG The law SJ / T 11363-2006 (China RoHS) has been in force since 1 March 2007. It is similar to the EU directive RoHS.
Environment_Safety REACH SCHURTER AG On 1 June 2007, Regulation (EC) No 1907/2006 on the Registration, Evaluation, Authorization and Restriction of Chemicals 1 (abbreviated as "REACH") entered into force.

Dimensions [mm]


Diagrams


Short Table of Variants PB 1151 Open complete table PB 1151

Product group Color Order Number
Symbols, Footprints, 3D-Models Free Sample

Free Sample


Please ask for free sample in order to check if the products meets your requirement for your application.
Send your delivery adress and your specific requirements.

Distributor Stock Check

Distributor Stock Check


The following links refers to the inquiry form for distributors stock information of the selected products. It allows checking for the available amount and optionally to place an order at your selected partner.
The stock availability at the distributors may also be called up separately and the desired product manually entered.
Stock Check Distributor

...
 
Test Jack black 0040.1151 ...
Test Jack red 0040.1152 ...

Packaging unit 100 Pcs 

900080010000002505
LOADING...
Mating Inlets/Plugs (2)

[Swipe to the left and right for more options]

PS 1061

PS 1061, 10 A, Test Probe

PS 1161

PS 1161, 2 contacts, 6.3 A, Test Probe


02.09.2025
   
en prod By changing the catalog version (Desktop <> Mobile), the system is resetting the chosen filters