SWM1 (Frontpl)  Voltage selector switch, 3 stages, step switch, panel mounting

Series

SWM1 (Frontpl)

Voltage selector switch, 3 stages, step switch, panel mounting

Free Sample Request

18 Variants


Description

  • Voltage Selector, 3 stages
  • Step switch
  • Solder terminals

Ratings

IEC: 6.3 A / 250 VAC; 50 Hz 

UL: 10 A / 250 VAC; 60 Hz 

CSA: 10 A / 250 VAC; 60 Hz 

Mounting

Panel mount front side

Attachment

Screw-on mounting 

Terminal

Solder 

Number of Stages

Lifetime

300 operating cycles (without load)

Degree of Protection

IP40

Protection Class

Suitable for appliances with protection class II acc. to IEC 61140

Allowable Operation Temperature

-40 °C to 85 °C

Climatic Category

25/85/21 acc. to IEC 60068-1

Material: Socket

Thermoplastic, black, UL 94V-0

Weight

6.5 g

Solderability

350 °C / 2 sec acc. to IEC 60068-2-20, Test Ta, method 2

Resistance to Soldering Heat

350 °C / 10 sec acc. to IEC 60068-2-20, Test Tb, method 2

Insulation Resistance

> 10'000MΩ (500VDC; 1min) 

Contact Resistance

< 10 mΩ at 20 mV

Dielectric Strength

> 2kVAC between L-N
> 4kVAC between L/N-PE␍(1min; 50Hz) 

Clearance and Creepage Distance

> 3mm
> 8mm between L/N-PE 

Resistance to Vibration

acc. to IEC 60068-2-6,  test Fc

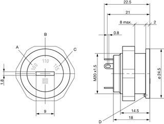
Panel Thickness S

max 8 mm

Detailed information on product approvals, code requirements, usage instructions and detailed test conditions can be looked up in  Details about Approvals
SCHURTER products are designed for use in industrial environments. They have approvals from independent testing bodies according to national and international standards. Products with specific characteristics and requirements such as required in the automotive sector according to IATF 16949, medical technology according to ISO 13485 or in the aerospace industry can be offered exclusively with customer-specific, individual agreements by SCHURTER.


Approvals

The approval mark is used by the testing authorities to certify compliance with the safety requirements placed on electronic products.


Approval Reference Type: SWM

Approval Logo Certificates Certification Body Description
Approval marks ENEC_10 VDE Certificate Number:
Approval marks cURus UL UR File Number: E72661


Product standards

Product standards that are referenced

Organization Design Standard Description
Approval marks UL Designed according to UL 508 Industrial control equipment
Approval marks CSA_Certification_Body Designed according to CSA C22.2 no. 14 Industrial Control Equipment


Application standards

Application standards where the product can be used

Organization Design Standard Description
Approval marks IEC_Certification_Body Suitable for applications acc. IEC/UL 62368-1 Audio/video, information and communication technology equipment - Part 1: Safety requirements
Approval marks IEC_Certification_Body Suitable for applications acc. IEC 60335-1 Safety of electrical appliances for household and similar purposes. Meets the requirements for appliances in unattended use. This includes the enhanced requirements of glow wire tests acc. to IEC 60695-2-11 or -12 & -13.


Compliances

The product complies with following Guide Lines

Identification Details Initiator Description
Approval marks CE SCHURTER AG The CE marking declares that the product complies with the applicable requirements laid down in the harmonisation of Community legislation on its affixing in accordance with EU Regulation 765/2008.
Approval marks Zulassung_Symbol_UKCA SCHURTER AG The UKCA marking declares that the product complies with the applicable requirements laid down in the British Amendment of Regulation (EC) 765/2008.
Environment_Safety REACH SCHURTER AG On 1 June 2007, Regulation (EC) No 1907/2006 on the Registration, Evaluation, Authorization and Restriction of Chemicals 1 (abbreviated as "REACH") entered into force.

Dimension [mm]

A-C=␉see table of variants
D=␉Anti-rotation protection

Panel mounting hole


Diagrams


Short Table of Variants SWM1 (Frontpl) Open complete table SWM1 (Frontpl)

Letterings Order Number
Symbols, Footprints, 3D-Models Free Sample

Free Sample


Please ask for free sample in order to check if the products meets your requirement for your application.
Send your delivery adress and your specific requirements.

Distributor Stock Check

Distributor Stock Check


The following links refers to the inquiry form for distributors stock information of the selected products. It allows checking for the available amount and optionally to place an order at your selected partner.
The stock availability at the distributors may also be called up separately and the desired product manually entered.
Stock Check Distributor

...
A   B   C            
               
110 150 220 0033.4001 ...
110 220 240 0033.4002 ...
220 240 0033.4003 ...
200 220 240 0033.4004 ...
220 240 250 0033.4006 ...
100 115 230 0033.4008 ...
220 230 240 0033.4011 ...
0033.4014 ...
115 220 240 0033.4019 ...
220 V 230 V 240 V 0033.4028 ...
4 8 16 0033.4032 ...
100 110 230 0033.4040 ...
115 0 230 0033.4044 ...
230 240 250 0033.4049 ...
115 V 230 V 240 V 0033.4055 ...
1 2 3 0033.4056 ...
100 120 230-240 0033.4057 ...
110 230 0033.4062 ...

Packaging Unit 100 Pcs 

900040040000001008
LOADING...
Alternative: version for PCB mounting (1)

[Swipe to the left and right for more options]


01.09.2025
   
en prod By changing the catalog version (Desktop <> Mobile), the system is resetting the chosen filters