T13-212  Circuit Breaker for Equipment thermal, Threaded neck type, Reset type, Screw terminals

Series

T13-212

Circuit Breaker for Equipment thermal, Threaded neck type, Reset type, Screw terminals

Free Sample Request

4 Variants


Description

  • Threaded neck type
  • Thermal circuit breaker
  • 1 pole
  • Reset type
  • Wide current range
  • High breaking capacity
  • Bolts and nuts

Unique Selling Proposition

  • Compact design
  • Positively trip-free release
  • Available with cover
  • Different mounting possibilities

Applications

  • Power supplies
  • Uninterruptible power supply
  • Power tools
  • Household appliances

Rated Voltage AC

AC 240/277 VAC, see approbations

Rated Voltage DC

28 VDC

Rated current range AC

0.05 - 30 A

Conditional short circuit capacity Inc

IEC 60934: PC1, AC 240 V: 1 kA 

Short circuit capacity Icn

IEC 60934: at In < 7 A/240 VAC : 8 x In 

IEC 60934: at In ≥ 7 A/240 VAC : 400 A 

AC/DC 28 V : 400 A 

Degree of Protection

front side IP40 acc. to IEC 60529

Dielectric Strength

50 Hz: 1.5 kV
Impulse 1.2/50 μs: > 2.5 kV

Insulation Resistance

500 VDC > 100 MΩ

Endurance typical

2 x Ir: 3000 switching cycles

Endurance minimum

Reset type 
 AC : 2 x Ir , cos φ 0.6 : 
 DC : 2 x Ir , L/R = 2 - 3 ms : 
 50 switching cycles

Overload

IEC: min. 40 trips
@ 6 x Ir, cos φ 0.6

UL / CSA: min. 50 trips
@ 1.5 x Ir, cos φ 0.75

Allowable Operation Temp.

-5 °C to 60 °C

Vibration Resistance

± 1.5 mm @ 10 - 60 Hz
acc. to IEC 60068-2-6, test Fc
10 G @ 60 - 500 Hz
acc. to IEC 60068-2-6, test Fc

Shock Resistance

100 G / 6 ms
acc. to IEC 60068-2-27, test Ea

Tripping Type

Thermal 

Actuation Type

Reset type 

Weight

ca. 10 g

Detailed information on product approvals, code requirements, usage instructions and detailed test conditions can be looked up in  Details about Approvals
SCHURTER products are designed for use in industrial environments. They have approvals from independent testing bodies according to national and international standards. Products with specific characteristics and requirements such as required in the automotive sector according to IATF 16949, medical technology according to ISO 13485 or in the aerospace industry can be offered exclusively with customer-specific, individual agreements by SCHURTER.


Approvals

The approval mark is used by the testing authorities to certify compliance with the safety requirements placed on electronic products.


Approval Reference Type: T13

Approval Logo Certificates Certification Body Description
Approval marks VDE VDE VDE Certificate Number: 123283
Approval marks UR UL UR File Number: E71572
Approval marks CSA CSA CSA Certification Record: LR 37712
Approval marks ccc CCC CCC Certificate Number: 2024010307696712


Product standards

Product standards that are referenced

Organization Design Standard Description
Approval marks IEC_Certification_Body Designed according to IEC 60934 Circuit-breakers for equipment (CBE)
Approval marks UL Designed according to UL 1077 Standard for Supplementary Protectors for Use in Electrical Equipment
Approval marks CSA_Certification_Body Designed according to CSA C22.2 No. 235 Supplementary Protectors
Approval marks ccc Designed according to GB 17701 Circuit-breaker for equipment


Application standards

Application standards where the product can be used

Organization Design Standard Description
Approval marks IEC_Certification_Body Suitable for applications acc. IEC/UL 62368-1 Audio/video, information and communication technology equipment - Part 1: Safety requirements


Compliances

The product complies with following Guide Lines

Identification Details Initiator Description
Approval marks CE SCHURTER AG The CE marking declares that the product complies with the applicable requirements laid down in the harmonisation of Community legislation on its affixing in accordance with EU Regulation 765/2008.
Approval marks Zulassung_Symbol_UKCA SCHURTER AG The UKCA marking declares that the product complies with the applicable requirements laid down in the British Amendment of Regulation (EC) 765/2008.
Environment_Safety RoHS_Logo_color_CMYK_tif SCHURTER AG Directive RoHS 2011/65/EU, Amendment (EU) 2015/863
Environment_Safety China_RoHS_50_non_konform_eps SCHURTER AG The law SJ / T 11363-2006 (China RoHS) has been in force since 1 March 2007. It is similar to the EU directive RoHS.
Environment_Safety REACH SCHURTER AG On 1 June 2007, Regulation (EC) No 1907/2006 on the Registration, Evaluation, Authorization and Restriction of Chemicals 1 (abbreviated as "REACH") entered into force.

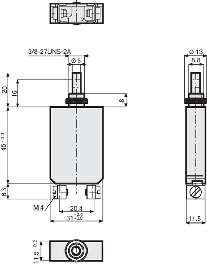
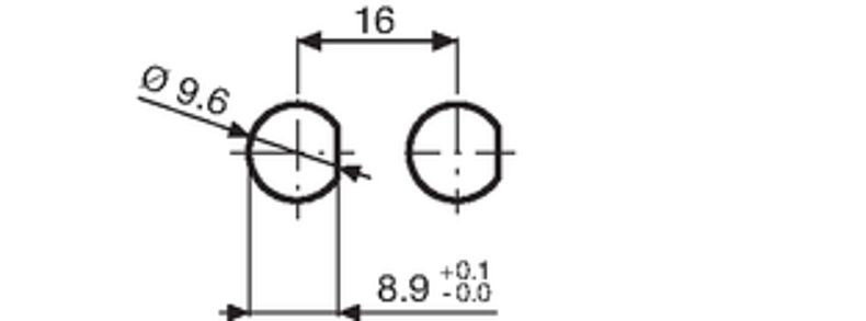
Dimension [mm]

T13-212


Diagrams

T13-...


Approval Rated current Rated Voltage AC Rated Voltage DC
  UL 1077 0.05...30 A 277 V 28 V
  CSA C22.2 No. 235 0.05...30 A 277 V 28 V
  EN 60934 0.05...30 A 240 V -
  GB 17701 0.05...30 A 240 V -

Typical internal resistance per pole

Rated Current [A] Internal Resistance [Ω]
0.05 376.500
0.50 4.40
1.00 1.10
2.00 0.31
3.00 0.14
4.00 0.068
5.00 0.048
6.00  
8.00 0.026
9.00 0.0125
10.00 0.0125
11.00 0.0085
12.00 0.0085
13.00 0.0085
14.00 0.007
15.00 0.007
16.00 0.007
17.00 0.0047
18.00 0.0047
19.00 0.0047
20.00 0.004
21.00 0.0035
22.00 0.003
23.00 0.003
24.00 0.003
25.00 0.003
26.00 0.0022
27.00 0.002
28.00 0.002
29.00 0.002
30.00 0.002

Time-Current-Curves

Time in Seconds
Multiple of Rated Current In


Ambient temperature +23°

Effect of ambient temperature

Ambient Temperature [°C] Correction factor
-5 0.88
0 0.90
10 0.95
23 1.00
30 1.05
40 1.10
50 1.18
60 1.26


T13 - 1 2 3 B - 1.23
The characters are placeholders for the correspondingly keys of selections from the key tables.

T13 - 1 2 3 B - 1.23 = Mounting
Mounting Configuration key
Threaded neck type with knurled nut 2


T13 - 1 2 3 B - 1.23 = Actuation Type
Actuation Type Configuration key
Reset type 1


T13 - 1 2 3 B - 1.23 = Terminal
Terminal Configuration key
Screw clamp terminals 2


T13 - 1 2 3 B - 1.23 = Setting indication
Setting indication Configuration key
Setting indication R


T13 - 1 2 3 B - 1.23 = Rated current
Rated current Configuration key
0.05 A 0.05
0.1 A 0.1
0.15 A 0.15
0.2 A 0.2
0.3 A 0.3
0.4 A 0.4
0.5 A 0.5
0.6 A 0.6
0.7 A 0.7
0.8 A 0.8
0.9 A 0.9
1.0 1
1.1 A 1.1
1.2 A 1.2
1.3 A 1.3
1.4 A 1.4
1.5 A 1.5
1.6 A 1.6
1.7 A 1.7
1.8 A 1.8
1.9 A 1.9
2.0 A 2
2.1 A 2.1
2.3 A 2.3
2.5 A 2.5
2.8 A 2.8
3.0 A 3
3.3 A 3.3
3.5 A 3.5
4.0 A 4
4.5 A 4.5
5.0 A 5
5.5 A 5.5
6.0 6
6.5 A 6.5
7.0 A 7
7.5 A 7.5
8.0 A 8
8.5 A 8.5
9.0 A 9
9.5 A 9.5
10.0 A 10
11.0 A 11
12.0 A 12
13.0 A 13
14.0 A 14
15.0 A 15
16.0 A 16
17.0 A 17
18.0 A 18
19.0 A 19
20.0 A 20
22.0 A 22
25.0 A 25
28.0 A 28
30.0 A 30
Other rated currents on request


Short Table of Variants T13-212 Open complete table T13-212

Rated current Setting indication Config. Code Order Number
Symbols, Footprints, 3D-Models Free Sample

Free Sample


Please ask for free sample in order to check if the products meets your requirement for your application.
Send your delivery adress and your specific requirements.

Distributor Stock Check

Distributor Stock Check


The following links refers to the inquiry form for distributors stock information of the selected products. It allows checking for the available amount and optionally to place an order at your selected partner.
The stock availability at the distributors may also be called up separately and the desired product manually entered.
Stock Check Distributor

...
               
16.0 A T13-212-16 4411.0012 ...
30.0 A T13-212-30 4411.0067 ...
12.0 A T13-212-12 4411.0099 ...
15.0 A T13-212R-15 4411.0211 ...

Packaging Unit 20 Pcs 

040170300000008144
LOADING...
Accessories (1)

[Swipe to the left and right for more options]

T-Line Accessories

Accessories to T-Line


02.09.2025
   
en prod By changing the catalog version (Desktop <> Mobile), the system is resetting the chosen filters