TTS  Touchless Switch
TTS  Touchless Switch
TTS  Touchless Switch
TTS  Touchless Switch
TTS  Touchless Switch
TTS  Touchless Switch

Series

TTS

Touchless Switch

New_Logo Free Sample Request

4 Variants


Description

  • Touchless momentary push button (MO¹) or as latching switch (LA)
  • Protection against unintended switching
  • Precise operating
  • Potential free output contacts
  • Laser lettering possible
  • Vandal resistant

Unique Selling Proposition

  • Variable supply voltage, RGB with integrated series resistor
  • High reliability
  • Wiping and cleaning the surface does not trigger a switching operation

Characteristics

  • Housing made from stainless steel
  • With ring illumination
  • Wearless, no moving parts
  • Attractive design
  • Insensitive to water and rain

Electrical Data

Switching Function

Momentary (MO¹) or latching (LA) 

Switching Voltage

max. 42 VAC␣/  60 VDC

Switching current

max. 100 mA

Electrical Rating

1 W

Switch Resistance OFF

> 10 MΩ

Switch Resistance ON

< 16 Ω

Supply Voltage LED

5 - 28 VDC

Current Consumption all LEDs off

6.0 mA (typ) / 13.0 mA (max) 
Peak: 29 mA (switch is closed)

8.0 mA (typ) / 15.0 mA (max) 
Peak: 34 mA (switch is open)

Current Consumption␍Ilumination red, green or blue

10.0 mA (typ) / 17.0 mA (max) 
Peak: 34 mA (switch is closed)

11.0 mA (typ) / 19.0 mA (max) 
Peak: 38 mA (switch is open)

Current Consumption␍Illumination yellow, cyan or magenta

14.0 mA (typ) / 21.0 mA (max) 
Peak: 38 mA (switch is closed)

16.0 mA (typ) / 22.0 mA (max) 
Peak: 43 mA (switch is open)

Current Consumption␍Illumination white

19.0 mA (typ) / 25.0 mA (max) 
Peak: 43 mA (switch is closed)

Reverse Polarity Protection

yes 

Output

OptoMOS Relay 

Lifetime

>20 million actuations

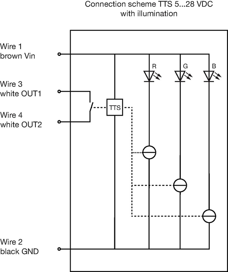
connection type²

TTS Bi-Color 4 Litzen, 26AWG, 0.128 mm²
TTS RGB 6 Litzen, 26AWG, 0.128 mm² 

Mechanical Data

Actuation Type

optical 

Actuating Force

none 

Shock Protection

IK06 

Mounting Depth

16.5 mm

Tightening Torque Plastic Nut

2.5 Nm

Climatical Data

Operating Temperature

-30 to 85 °C

Storage Temperature

-40 to 85 °C

IP Protection Class Front Side

IP67 acc. to IEC 60529

Material

Housing

Stainless Steel 

Illuminated Ring (Ring Illumination)

PMMA 

Sensor Window

PC 

Seal Ring

NBR70 

¹ on request also available as NC / ² on request also available with cable or connector

Detailed information on product approvals, code requirements, usage instructions and detailed test conditions can be looked up in  Details about Approvals
SCHURTER products are designed for use in industrial environments. They have approvals from independent testing bodies according to national and international standards. Products with specific characteristics and requirements such as required in the automotive sector according to IATF 16949, medical technology according to ISO 13485 or in the aerospace industry can be offered exclusively with customer-specific, individual agreements by SCHURTER.


Compliances

The product complies with following Guide Lines

Identification Details Initiator Description
Approval marks CE SCHURTER AG The CE marking declares that the product complies with the applicable requirements laid down in the harmonisation of Community legislation on its affixing in accordance with EU Regulation 765/2008.
Approval marks Zulassung_Symbol_UKCA SCHURTER AG The UKCA marking declares that the product complies with the applicable requirements laid down in the British Amendment of Regulation (EC) 765/2008.
Environment_Safety RoHS_Logo_color_CMYK_tif SCHURTER AG Directive RoHS 2011/65/EU, Amendment (EU) 2015/863
Environment_Safety REACH SCHURTER AG On 1 June 2007, Regulation (EC) No 1907/2006 on the Registration, Evaluation, Authorization and Restriction of Chemicals 1 (abbreviated as "REACH") entered into force.

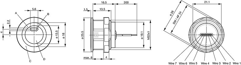
Dimension [mm]

A␉ring illumination
B␉sensor window
C␉housing
D␉actuator

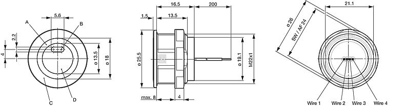
Dimension for RGB Variants

A␉ring illumination
B␉sensor window
C␉housing
D␉actuator

Mounting hole


Diagrams

Connection diagram


Material Lettering Colour  
Stainless Steel black Filled letters
Laser Marking      
001 = A 021 = U 041 = ÷ 061 = EIN
002 = B 022 = V 042 = ✳ 062 = AUS
003 = C 023 = W 043 = = 063 = AUF
004 = D 024 = X 044 = # 064 = AB
005 = E 025 = Y 045 = ↔ 065 = ON
006 = F 026 = Z 046 = ↕ 066 = OFF
007 = G 027 = 0 047 = → 067 = UP
008 = H 028 = 1 048 = ← 068 = DOWN
009 = I 029 = 2 049 = ↓ 069 = HIGH
010 = J 030 = 3 050 = ↑ 070 = LOW
011 = K 031 = 4 051 = % 071 = ON/OFF
012 = L 032 = 5 052 = √ 072 = START
013 = M 033 = 6 053 = CTRL 073 = RESET
014 = N 034 = 7 054 = RETURN 074 = Symbol_Indize_074_Beschriftung_ES
015 = O 035 = 8 055 = SHIFT 075 = Symbol_Indize_075_Beschriftung_ES
016 = P 036 = 9 056 = LOCK 076 = Symbol_Indize_076_Beschriftung_ES
017 = Q 037 = + 057 = STOP 077 = Symbol_Indize_077_Beschriftung_ES
018 = R 038 = - 058 = ENTER  
019 = S 039 = . 059 = BACK  
020 = T 040 = x 060 = LINE  
Please note that the font size depends on the number of characters

Short Table of Variants TTS Open complete table TTS

Diameter [mm] Illumination Illumination Colorinactive / active Order Number Symbols, Footprints, 3D-Models Free Sample

Free Sample


Please ask for free sample in order to check if the products meets your requirement for your application.
Send your delivery adress and your specific requirements.

Distributor Stock Check

Distributor Stock Check


The following links refers to the inquiry form for distributors stock information of the selected products. It allows checking for the available amount and optionally to place an order at your selected partner.
The stock availability at the distributors may also be called up separately and the desired product manually entered.
Stock Check Distributor

...
               
 
22 Ring Illumination multicolor 3-135-364 ...
22 Ring Illumination multicolor 3-135-363 ...
22 Ring Illumination bi-colored␍green / red 3-131-913 ...
22 Ring Illumination bi-colored␍green / red 3-131-894 ...

Minimum order quantity for standard variants with or without laser marking is 10 pieces.

Latching and momentary NO switch are open after power-up (protection against unintended switching)

Packaging unit 10 Pcs 

030700290000003459
LOADING...

02.09.2025
   
en prod By changing the catalog version (Desktop <> Mobile), the system is resetting the chosen filters