6100-3  6100-3 mit Abdichtkit IP54 ins Gerät (exkl. Sicherungsbügel)
6100-3 mit Abdichtkit IP54 ins Gerät
(exkl. Sicherungsbügel)
6100-3  IEC Gerätestecker C14 Schraubbefestigung Löt-/Steckanschlüsse
IEC Gerätestecker C14
Schraubbefestigung
Löt-/Steckanschlüsse
6100-3  6100-3 mit Abdichtkit IP54 (inkl. Sicherungsbügel)
6100-3 mit Abdichtkit IP54
(inkl. Sicherungsbügel)
6100-3  6100-3 mit Abdichtkit IP54 ins Gerät (exkl. Sicherungsbügel)
6100-3  IEC Gerätestecker C14 Schraubbefestigung Löt-/Steckanschlüsse
6100-3  6100-3 mit Abdichtkit IP54 (inkl. Sicherungsbügel)

Serie

6100-3

IEC Gerätestecker C14, Schraubmontage, front- oder rückseitig, Löt- oder Steckanschluss

New_Logo Kostenlose Musteranfrage

12 Varianten


Gerätestecker (Stecker/Dosen)

C14
Stecker Logo
70° C

Green Line

 
 Logo
 
 
 Logo
 

Beschreibung

  • Einbau in Platten: Schraubbefestigung Front- / Rückseite
  • Gerätestecker, Stifttemperatur 70 °C, Schutzklasse I
  • Varianten mit vormontierter Einlegedichtung und Abdichtkit für IP54 ins Gerät und der Stromzuführung
  • Löt / Steck

Alleinstellungsmerkmale

  • Varianten aus pflanzen basierten Kunststoffen mit 2.75 kg CO2 Reduktion pro Verpackungseinheit
  • Dieser Gerätestecker aus fossilem- oder pflanzlichem Kunststoff erfüllt die erhöhten Glühdrahttest-Anforderungen gem. IEC 60695-2-12 und -13
  • Für den Einsatz in unbeaufsichtigten Haushaltgeräten gem. IEC 60335-1

Weitere Ausführungen auf Anfrage

  • Typen für Nietmontage auf Anfrage erhältlich

Nenndaten IEC

Nenndaten IEC


Die elektrischen Nenndaten beschreiben die zugelassenen Betriebswerte für den Betriebszustand für Nennstrom und Nennspannung unter genannten Umgebungsbedingungen.
Allgemeine Angaben zu elektrischen Kennwerten von Sicherungen
Nenndaten IEC, UL/CSA Allgemeine Angaben zum Nennstom und zur Nennspannung bei EMV-Produkten
Nennspannung Nennstrom Die Werte sind unterschiedlich je nach Zulassungsstelle und sind daher in den entsprechend Zulassungsausweisen für die jeweiligen Produktfamilien entsprechend referenziert. Angaben dazu werden in den Datenblättern aufgeführt.
Suche nach Approbationsangaben für unterschiedlichen Familien
Zulassungen

10 A / 250 VAC; 50 Hz

Nenndaten UL/CSA

Nenndaten UL


Die elektrischen Nenndaten beschreiben die zugelassenen Betriebswerte für den Betriebszustand für Nennstrom und Nennspannung unter genannten Umgebungsbedingungen.
Allgemeine Angaben zu elektrischen Kennwerten von Sicherungen
Nenndaten IEC, UL/CSA Allgemeine Angaben zum Nennstom und zur Nennspannung bei EMV-Produkten
Nennspannung Nennstrom Die Werte sind unterschiedlich je nach Zulassungsstelle und sind daher in den entsprechend Zulassungsausweisen für die jeweiligen Produktfamilien entsprechend referenziert. Angaben dazu werden in den Datenblättern aufgeführt.
Suche nach Approbationsangaben für unterschiedlichen Familien
Zulassungen

15 A / 250 VAC; 60 Hz

Spannungsfestigkeit

Spannungsfestigkeit


Angabe zur höchstens zulässigen Spannung, damit es nicht aufgrund einer Isolationsschädigung zu einem Spannungsdurchschlag kommt.
Spannungsfestigkeit

> 2 kVAC zwischen L-N
> 2 kVAC zwischen L/N-PE
(1 min/50 Hz)

Zulässige Betriebstemperatur

-25 °C bis 70 °C

IP-Schutzgrad

IP-Schutzgrad


Der IP Code besteht aus einer zweistelligen Ziffernkombination, die den jeweiligen Schutzgrad angibt.
Dabei spezifiziert die erste Ziffer die Schutzklasse für Berührungs- und Fremdkörperschutz, die zweite Ziffer den Wasser- und Feuchtigkeitsschutz. Details zum IP-Schutzgrad entnehmen Sie bitte aus den Allgemeinen Produktinformationen
IP-Schutzgrad

Frontseite IP40 / IP54 mit Abdichtkit gemäss IEC 60529

Berührungsschutz

IP-Schutzgrad


Der IP Code besteht aus einer zweistelligen Ziffernkombination, die den jeweiligen Schutzgrad angibt.
Dabei spezifiziert die erste Ziffer die Schutzklasse für Berührungs- und Fremdkörperschutz, die zweite Ziffer den Wasser- und Feuchtigkeitsschutz. Details zum IP-Schutzgrad entnehmen Sie bitte aus den Allgemeinen Produktinformationen
IP-Schutzgrad

Geeignet für Geräte der Schutzklasse I gemäss IEC 61140

Klemme

Anschlüsse


Anschlüsse gemäss neuem IEC Standard.
Detailliertere Variantenangaben sind im Datenblatt oder in Allgmeinen Technischen Informationen ersichtlich.
Klemme

Löt / Steck

Plattendicke S

Plattendicke S


Details siehe Zeichnung
Schnapper

Schraub: max 8 mm, max 3 mm mit Abdichtungskit
Anzugsdrehmoment max 0.5 Nm

Material: Gehäuse

Thermoplast, schwarz, UL 94V-0

Gerätestecker/-Dose

Gerätestecker/-Dose


Typ-Bezeichnung der Gerätestecker bzw. -anschlussdose nach IEC 60320-1, resp. IEC60320-2-2, UL498, CSA C22.2 no.42
Details zu Steckverbindungen und deren Bezeichnungen finden Sie in den Allgemeinen Produktinformationen
Gerätesteckvorrichtungen Mating Connectors Begriffserklärung Sondersteckvorrichtung

C14 gemäss IEC 60320-1,
UL 60320-1, CSA C22.2 no. 60320-1 (Für kalte Bedingungen) Stifttemperatur 70 °C, 10 A, Schutzklasse I

Detaillierte Informationen zu Zulassungen, Normanforderungen, Verwendungshinweisen und Prüfdetails finden Sie in  Details über Zulassungen
SCHURTER Produkte sind grundsätzlich für den Einsatz im industriellen Umfeld ausgelegt. Sie verfügen über Zulassungen unabhängiger Prüfstellen gemäss nationaler und internationaler Normen.
Produkte mit spezifischen Eigenschaften und Anforderungen wie sie etwa im Bereich Automotive nach IATF 16949, der Medizintechnik gemäss ISO 13485 oder in der Luft- und Raumfahrt gefordert werden, können ausschliesslich mit kundenspezifischen, individuellen Vereinbarungen durch SCHURTER angeboten werden.


Zulassungen

Durch das Zulassungszeichen bescheinigen die Prüftstellen die Einhaltung der sicherheitstechnischen Anforderungen, die an elektronische Produkte gestellt werden.


Zulassung Referenztyp: 6100

Zulassungslogo Zertifikat Zulassungsstelle Beschreibung
Prüfzeichen ENEC_10 VDE Ausweisnummer: 40015595
Prüfzeichen cURus UL UR Ausweisnummer: E96454
Prüfzeichen ccc CCC CCC Ausweisnummer: 2020180204014680


Produktnormen

Produktnormen, welche referenziert werden

Organisation Design Norm Beschreibung
Prüfzeichen IEC_Certification_Body Ausgelegt gemäss IEC 60320-1 Gerätekupplungen für Haushalt und ähnliche allgemeine Zwecke
Prüfzeichen UL Ausgelegt gemäss UL 60320-1 Norm für Befestigungsstecker und Steckdosen
Prüfzeichen CSA_Certification_Body Ausgelegt gemäss CSA C22.2 no. 60320-1 Allgemeine Anwendung, Befestigungsstecker und ähnliche Verdrahtungsanschlüsse


Anwendungsnormen

Anwendungsnormen, in welchen die Produkte entsprechend verwendet werden können

Organisation Design Norm Beschreibung
Prüfzeichen IEC_Certification_Body Geeignet für Anwendungen gemäss IEC/UL 62368-1 Einrichtungen für Audio/Video-, Informations- und Kommunikationstechnik - Teil 1: Sicherheitsanforderungen
Prüfzeichen IEC_Certification_Body Geeignet für Anwendungen gemäss IEC 60335-1 Sicherheit elektrischer Geräte für den Hausgebrauch und ähnliche Zwecke. Erfüllt die Anforderungen für Geräte in unbeaufsichtigtem Betrieb. Dies beinhaltet die verschärften Glühdrahtanforderungen nach IEC 60695-2-11 oder -12 & -13.


Konformitäten

Das Produkt ist konform mit folgenden Richtlinien

Identifikation Details Aussteller Beschreibung
Prüfzeichen CE SCHURTER AG Die CE-Kennzeichnung erklärt, dass das Produkt gemäss der EU-Vordnung 765/2008 den geltenden Anforderungen genügt, die in den Harmonisierungsrechtsvorschriften der Gemeinschaft über ihre Anbringung festgelegt sind.
Prüfzeichen Zulassung_Symbol_UKCA SCHURTER AG Die UKCA-Kennzeichnung erklärt, dass das Produkt gemäss dem Britischen Amendment zur Verordnung (EC) 765/2008 den geltenden Anforderungen genügt.
Umwelt_Sicherheit RoHS_Logo_color_CMYK_tif SCHURTER AG Richtlinie RoHS 2011/65/EU, Ergänzung (EU) 2015/863
Umwelt_Sicherheit China_RoHS_e_konform_eps SCHURTER AG Das Gesetz SJ/T 11363-2006 (China RoHS) ist seit dem 1. März 2007 in Kraft. Ähnlich wie bei der EU-Richtlinie RoHS.
Umwelt_Sicherheit REACH SCHURTER AG Am 1. Juni 2007 trat die Verordnung (EG) Nr. 1907/2006 zur Registrierung, Bewertung, Zulassung und Beschränkung chemischer Stoffe 1 (kurz: "REACH") in Kraft.
Umwelt_Sicherheit Glow_Wire_Proof SCHURTER AG Erfüllt die Anforderungen von IEC 60335-1 für Geräte in unbeaufsichtigtem Betrieb. Dies beinhaltet die verschärften Glühdrahtanforderungen nach IEC 60695-2-11 oder -12 & -13.
Green Line Baum_Logo SCHURTER AG Produkte der Green Line sind auf die Strategischen Entwicklungsziele (SDG) der UNO ausgerichtet. Bestandteile der Produkte bestehen aus nachhaltigen, umweltschonenden Materialien. Dazu gehören beispielsweise biobasierte Kunststoffe oder bleifreie Metalllegierungen. Produkte dieser Linie können auch den sparsamen, intelligenten Einsatz von Ressourcen unterstützen.

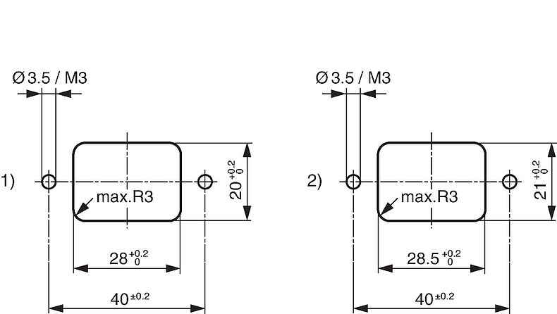
Abmessungen [mm]

E: Lötanschlüsse 20.5 mm
E: Steckanschlüsse 23.5 mm
1) frontseitige Montage
2) rückseitige Montage

Montageanleitungen

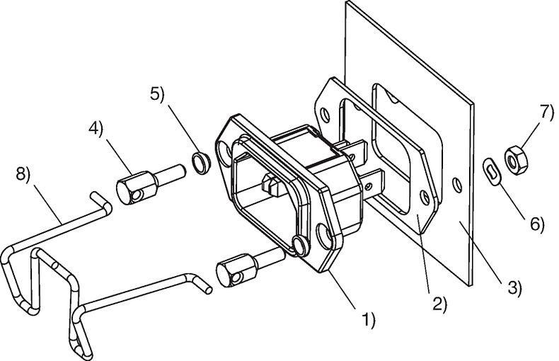
6100-3 inkl. Abdichtkit für IP54

Plattendicke max. 3 mm Anziehmoment max. 0.1 Nm
1) Gerätestecker 6100-3 mit werkseitig montierter Einlegedichtung
2) Flachdichtung
3) Gehäuse
4) Stützbolzen
5) Dichtring
6) Federscheibe
7) Mutter
8) Sicherungsbügel
Passende Netzkabel zu Abdichtkit


Kurze Variantentabelle 6100-3 Öffne vollständige Tabelle 6100-3

Green Line Logo Plattenmontage Abdichtkit Bestell-Nummer
Symbole, PCB-Layout, 3D-Modelle Kostenloses Muster

Kostenloses Muster


Gerne stellen wir Muster für Anwendungsprüfung unkompliziert zur Verfügung.
Senden Sie uns dazu Ihre Lieferadresse mit der spezifischen Anfrage zu.

Bestandsabfrage Distributor

Bestandsabfrage Distributor


Der nachfolgende Link verweist auf die Abfrage zum aktuellen Lagebestand bei den verschiedenen Distributoren für die referenzierte Bestellnummer. Damit können Sie die verfügbare Menge prüfen und gegebenfalls gleich eine Bestellung tätigen.
Die Lagerverfügbarkeit bei den Distributoren können Sie auch separat aufrufen und das gewünschte Produkt manuell eingeben.
Lagerbestand Distributor

...
 
Schraub - 3-144-633 ...
Schraub - 6100.3100 ...
Schraub Sicherungsbügel 6100.3100.33 ...
Schraub ohne Sicherungsbügel 6100.3100.32 ...
Schraub - 3-144-634 ...
Schraub - 6100.3200 ...
Schraub Sicherungsbügel 6100.3200.33 ...
Schraub ohne Sicherungsbügel 6100.3200.32 ...
Schraub - 3-144-632 ...
Schraub - 6100.3300 ...
Schraub Sicherungsbügel 6100.3300.33 ...
Schraub ohne Sicherungsbügel 6100.3300.32 ...

Die Varianten IP54 (6100.xxxx.33) beinhalten den Gerätestecker mit vormontierter Einlegedichtung und das Kit zur Abdichtung ins Gerät und der Stromzuführung mit Auszugssicherung. Muster können mit Suffix ".H" bestellt werden (z.B. 6100.3100.33.H).

Artikel für erhöhte Glühdrahttest-Anforderungen gem. IEC 60695-2-12 und -13 können auf Anfrage angeboten werden. Diese eignen sich für den Einsatz in unbeaufsichtigten Haushaltgeräten gem. IEC 60335-1.

Verpackungseinheit 50 ST 

020070020000002028
LOADING...
Alternativ: Version in Schutzklasse II (1)

[Swipe to the left and right for more options]

Alternativ: Version mit Netzfilter (2)

[Swipe to the left and right for more options]

Passende Stecker/Dosen (8)

[Swipe to the left and right for more options]

4787

4787, Montage: Schraubbefestigung, Geräteeinbausteckdose: IEC Lötanschlüsse, 10 A, Geeignet für Geräte der Schutzklasse I

4788

4788, Montage: Schnappbefestigung, Geräteeinbausteckdose: IEC Löt / Steck, 10 A, Geeignet für Geräte der Schutzklasse I

5091

IEC Geräteeinbausteckdose F oder H, Schraubmontage, frontseitig, Löt-, PCB- oder Steckanschluss

4782

4782 Montage: Anschlussleitung, 3 x 1 mm² / 3 x 18 AWG, Kabel, Gerätesteckdose: IEC C13

4785

4785 Montage: Anschlussleitung, 3 x 1 mm² / 3 x 18 AWG, Kabel, Gerätesteckdose: IEC C13

4300-06

4300-06 Montage: Anschlussleitung, 3 x 1 mm² / 3 x 18 AWG, Kabel, Gerätesteckdose: IEC C13

4781

4781 Montage: Anschlussleitung, Kabel, Gerätesteckdose: IEC C15

4784

4784 Montage: Anschlussleitung, 3 x 1 mm² / 3 x 18 AWG, Kabel, Gerätesteckdose: IEC C15

Zubehör (3)

[Swipe to the left and right for more options]

Kabelkonfektionierung

Kabelbaum für SCHURTER-Produkte

RC320

Rückseitige Abdeckung für Gerätestecker

Sicherungsbügel

Auszugssicherung für Kabelstecker


01.10.2025
   
de prod Durch die Änderung der Katalogversion (Desktop<> Mobile), werden die gewählten Filter im Katalog zurückgesetzt