T12-MSM  T12-MSM Blaue Ringbeleuchtung
T12-MSM
Blaue Ringbeleuchtung
T12-MSM  T12-MSM Unbeleuchtet
T12-MSM
Unbeleuchtet
T12-MSM  T12-MSM Blaue Ringbeleuchtung
T12-MSM  T12-MSM Unbeleuchtet

Serie

T12-MSM

Geräteschutzschalter thermisch mit Metallbetätiger

Kostenlose Musteranfrage

16 Varianten


Beschreibung

  • Geräteschutzschalter thermisch
  • Metalltaster unbeleuchtet und beleuchtet
  • 1 polig
  • Steckanschlüsse 6.3 x 0.8 mm / Schraubanschlüsse

Anwendungen

  • Netzteile
  • Unterbrechungsfreie Stromversorgung
  • Elektrowerkzeuge
  • Haushaltsgeräte

Nennspannung AC

AC 240 VAC

Nennspannung DC

28 VDC

Nennstrombereich AC

0.05 - 15/16 A

Bedingtes Ausschaltvermögen Inc

IEC 60934: PC1, AC 240 V: 1 kA 

Spannungsfestigkeit

50 Hz: > 1.5 kV
Impuls 1.2/50 μs: > 2.5 kV

Isolationswiderstand

500 VDC > 100 MΩ

Typische Lebensdauer

2 x In: 5000 Schaltspiele

Rückstellender Typ 
 AC : 2 x In , cos φ 0.6 : 
 DC : 2 x In , L/R = 2 - 3 ms : 
 50 Schaltspiele

Manuell EIN/AUS Typ 
 AC : 2 x In , cos φ 0.6 : 
 
 DC : 2 x In , L/R = 2 - 3 ms : 
 5000 Schaltspiele

Überlast

IEC: min. 40 Auslösungen
@ 6 x In, cos φ 0.6

UL / CSA: min. 50 Auslösungen
@ 1.5 x In, cos φ 0.75

Umgebungstemperatur

-5 °C bis 60 °C

Vibrationsfestigkeit

± 0.75 mm @ 5 - 60 Hz
gemäss IEC 60068-2-6, Test Fc
7 G @ 60 - 500 Hz
gemäss IEC 60068-2-6, Test Fc

Stossfestigkeit

60 G / 18 ms
gemäss IEC 60068-2-27, Test Ea

Auslöseart

Thermisch 

Betätigungsart

Manuell EIN/AUS 

IK-Schutzklasse

IK07 

Anzugsdrehmoment Edelstahlmutter

12 Nm für Gewinde M19, 16 Nm für M22 

Salznebelprüfung (nach DIN 50021-SS)

24 h / 48 h / 96 h Einwirkzeit 

Versorgungsspannung

24 VDC Ringbeleuchtung ohne Vorwiderstand Punktbeleuchtung

Gewicht

ca. 45 g

Detaillierte Informationen zu Zulassungen, Normanforderungen, Verwendungshinweisen und Prüfdetails finden Sie in  Details über Zulassungen
SCHURTER Produkte sind grundsätzlich für den Einsatz im industriellen Umfeld ausgelegt. Sie verfügen über Zulassungen unabhängiger Prüfstellen gemäss nationaler und internationaler Normen.
Produkte mit spezifischen Eigenschaften und Anforderungen wie sie etwa im Bereich Automotive nach IATF 16949, der Medizintechnik gemäss ISO 13485 oder in der Luft- und Raumfahrt gefordert werden, können ausschliesslich mit kundenspezifischen, individuellen Vereinbarungen durch SCHURTER angeboten werden.


Zulassungen

Durch das Zulassungszeichen bescheinigen die Prüftstellen die Einhaltung der sicherheitstechnischen Anforderungen, die an elektronische Produkte gestellt werden.


Zulassung Referenztyp: T12

Zulassungslogo Zertifikat Zulassungsstelle Beschreibung


Produktnormen

Produktnormen, welche referenziert werden

Organisation Design Norm Beschreibung
Prüfzeichen IEC_Certification_Body Ausgelegt gemäss IEC 60934 Geräteschutzschalter
Prüfzeichen UL Ausgelegt gemäss UL 1077 Standard für Zusatzschutzeinrichtungen zur Verwendung in elektrischen Betriebsmitteln
Prüfzeichen ccc Ausgelegt gemäss GB 17701 Geräteschutzschalter


Anwendungsnormen

Anwendungsnormen, in welchen die Produkte entsprechend verwendet werden können

Organisation Design Norm Beschreibung
Prüfzeichen IEC_Certification_Body Geeignet für Anwendungen gemäss IEC/UL 62368-1 Einrichtungen für Audio/Video-, Informations- und Kommunikationstechnik - Teil 1: Sicherheitsanforderungen


Konformitäten

Das Produkt ist konform mit folgenden Richtlinien

Identifikation Details Aussteller Beschreibung
Prüfzeichen CE SCHURTER AG Die CE-Kennzeichnung erklärt, dass das Produkt gemäss der EU-Vordnung 765/2008 den geltenden Anforderungen genügt, die in den Harmonisierungsrechtsvorschriften der Gemeinschaft über ihre Anbringung festgelegt sind.
Prüfzeichen Zulassung_Symbol_UKCA SCHURTER AG Die UKCA-Kennzeichnung erklärt, dass das Produkt gemäss dem Britischen Amendment zur Verordnung (EC) 765/2008 den geltenden Anforderungen genügt.
Umwelt_Sicherheit RoHS_Logo_color_CMYK_tif SCHURTER AG Richtlinie RoHS 2011/65/EU, Ergänzung (EU) 2015/863
Umwelt_Sicherheit China_RoHS_50_non_konform_eps SCHURTER AG Das Gesetz SJ/T 11363-2006 (China RoHS) ist seit dem 1. März 2007 in Kraft. Ähnlich wie bei der EU-Richtlinie RoHS.
Umwelt_Sicherheit REACH SCHURTER AG Am 1. Juni 2007 trat die Verordnung (EG) Nr. 1907/2006 zur Registrierung, Bewertung, Zulassung und Beschränkung chemischer Stoffe 1 (kurz: "REACH") in Kraft.

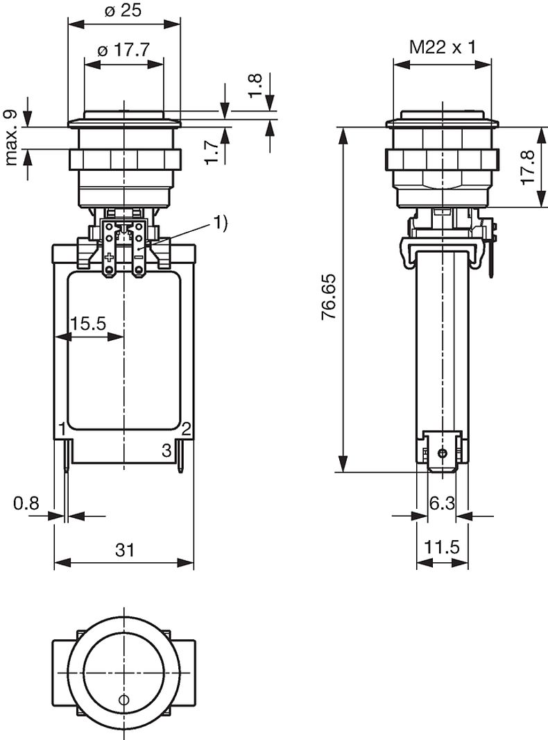
Dimension [mm]

T12 MSM 19

1) nur bei MSM PI / RI Flachstecker 2.8x0.5 mm
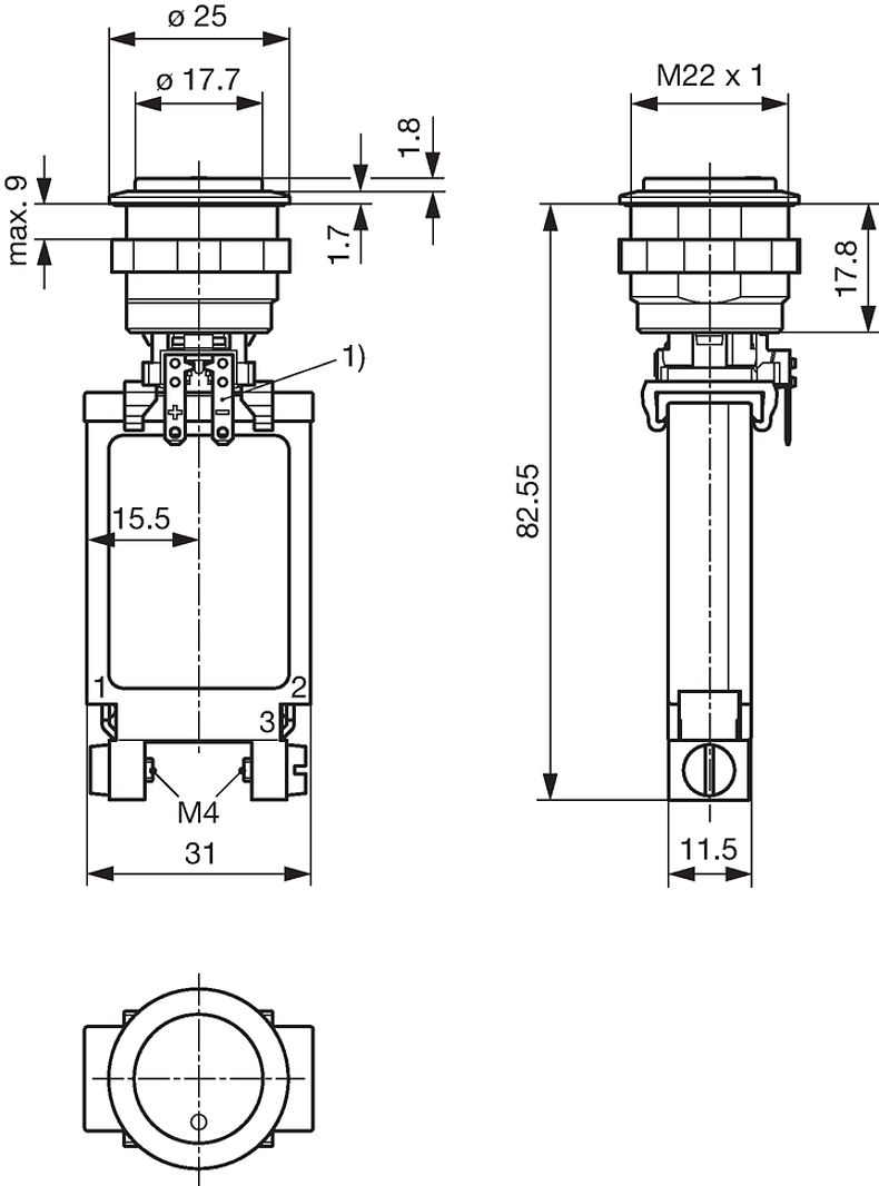
T12 MSM 22

1) nur bei MSM PI / RI Flachstecker 2.8x0.5 mm
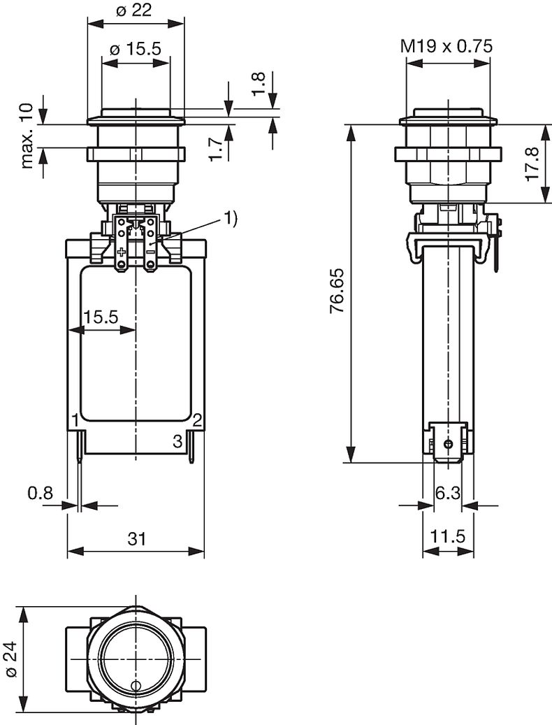
T12 MSM 22 Schraubversion

1) nur bei MSM PI / RI Flachstecker 2.8x0.5 mm
MSM 19 LA ST /  MSM 19 LA RI

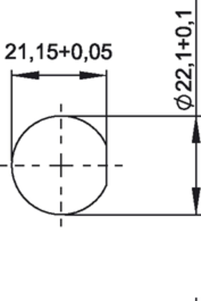
Bohrplan
MSM 19 LA LE /  MSM 19 LA PI / MSM 19 LA RI optional

Bohrplan

MSM 22 LA ST /  MSM 22 LA RI

Bohrplan
MSM 22 LA LE / MSM 22 LA PI / MSM 22 LA RI optional

Bohrplan


Typischer Innenwiderstand pro Pol

Nennstrom [A] Innenwiderstand [Ω]
0.05 225.000
0.50 3.300
1.00 0.880
2.00 0.267
3.00 0.128
4.00 0.073
5.00 0.040
6.00 0.031
7.00 0.018
8.00 0.018
9.00 0.010
10.00 0.0087
11.00 0.0087
12.00 0.0087
13.00 0.0087
14.00 0.0070
15.00 0.0070
16.00 0.0055

Einfluss der Umgebungstemperatur

Umgebungstemperatur [°C] Korrekturfaktor
-5 0.87
0 0.90
10 0.95
23 1.00
30 1.05
40 1.12
50 1.20
60 1.30

Zeit-Strom-Kennlinien

Zeit in Sekunden
Vielfaches des Nennstromes In


Umgebungstemperatur +23°

Punktbeleuchtung

Betriebsdaten Durchlassstrom max. Durchlassspannung bei 10 mA Durchlassspannung bei 8 mA Durchlassspannung max.
LED rot 30 mA 1,9 VDC   3,0 VDC
LED grün 30 mA 2,1 VDC   3,0 VDC
LED blau 20 mA   3,7 VDC 4,5 VDC
Bitte beachten: Schalter werden ohne Vorwiderstand geliefert.

MSM_LA19_MSM_LA22_Punktbeleuchtung


Die drei Ziffern sind Bestandteil des Nummernschlüssels:  
000 keine Beschriftung
001-100 Standardbeschriftung
101- kundenspezifische Beschriftung
T12_MSM_Verpackung_1
- Betätigungselemente in ESD sicherer Verpackung
- Muttern und Dichtungsringe in Beutel beigelegt im Karton
- Geräteschutzschalter in Beutel beigelegt im Karton

Kurze Variantentabelle T12-MSM Öffne vollständige Tabelle T12-MSM

Geräteschutzschalter Bestellnummer
Symbole, PCB-Layout, 3D-Modelle Kostenloses Muster

Kostenloses Muster


Gerne stellen wir Muster für Anwendungsprüfung unkompliziert zur Verfügung.
Senden Sie uns dazu Ihre Lieferadresse mit der spezifischen Anfrage zu.

Bestandsabfrage Distributor

Bestandsabfrage Distributor


Der nachfolgende Link verweist auf die Abfrage zum aktuellen Lagebestand bei den verschiedenen Distributoren für die referenzierte Bestellnummer. Damit können Sie die verfügbare Menge prüfen und gegebenfalls gleich eine Bestellung tätigen.
Die Lagerverfügbarkeit bei den Distributoren können Sie auch separat aufrufen und das gewünschte Produkt manuell eingeben.
Lagerbestand Distributor

...
Typ   Nennstrom   Anschlussart            
T12-221-10 10 A Steckanschlüsse 6.3 x 0.8 mm 4410.9001 ...
T12-221-16 16 A Steckanschlüsse 6.3 x 0.8 mm 4410.9002 ...
T12-221-10 10 A Steckanschlüsse 6.3 x 0.8 mm 4410.9003 ...
T12-221-16 16 A Steckanschlüsse 6.3 x 0.8 mm 4410.9004 ...
T12-221-10 10 A Steckanschlüsse 6.3 x 0.8 mm 4410.9005 ...
T12-221-16 16 A Steckanschlüsse 6.3 x 0.8 mm 4410.9006 ...
T12-221-10 10 A Steckanschlüsse 6.3 x 0.8 mm 4410.9007 ...
T12-221-16 16 A Steckanschlüsse 6.3 x 0.8 mm 4410.9008 ...
T12-221-10 10 A Steckanschlüsse 6.3 x 0.8 mm 4410.9009 ...
T12-221-16 16 A Steckanschlüsse 6.3 x 0.8 mm 4410.9010 ...
T12-221-10 10 A Steckanschlüsse 6.3 x 0.8 mm 4410.9011 ...
T12-221-16 16 A Steckanschlüsse 6.3 x 0.8 mm 4410.9012 ...
T12-222-10 10 A Schraubanschlüsse 4410.9017 ...
T12-222-16 16 A Schraubanschlüsse 4410.9018 ...
T12-221-15 15 A Steckanschlüsse 6.3 x 0.8 mm 4410.9019 ...
T12-221-15 15 A Steckanschlüsse 6.3 x 0.8 mm 4410.9021 ...
Verbindungsstück ist im Lieferumfang enthalten

Verpackungseinheit 10 ST 

040170100000008080
LOADING...

02.09.2025
   
de prod Durch die Änderung der Katalogversion (Desktop<> Mobile), werden die gewählten Filter im Katalog zurückgesetzt